GM Service Manual Online
For 1990-2009 cars only
Makes
🢒
Chevrolet
🢒
2000
🢒
Chevy C Pickup - 2WD
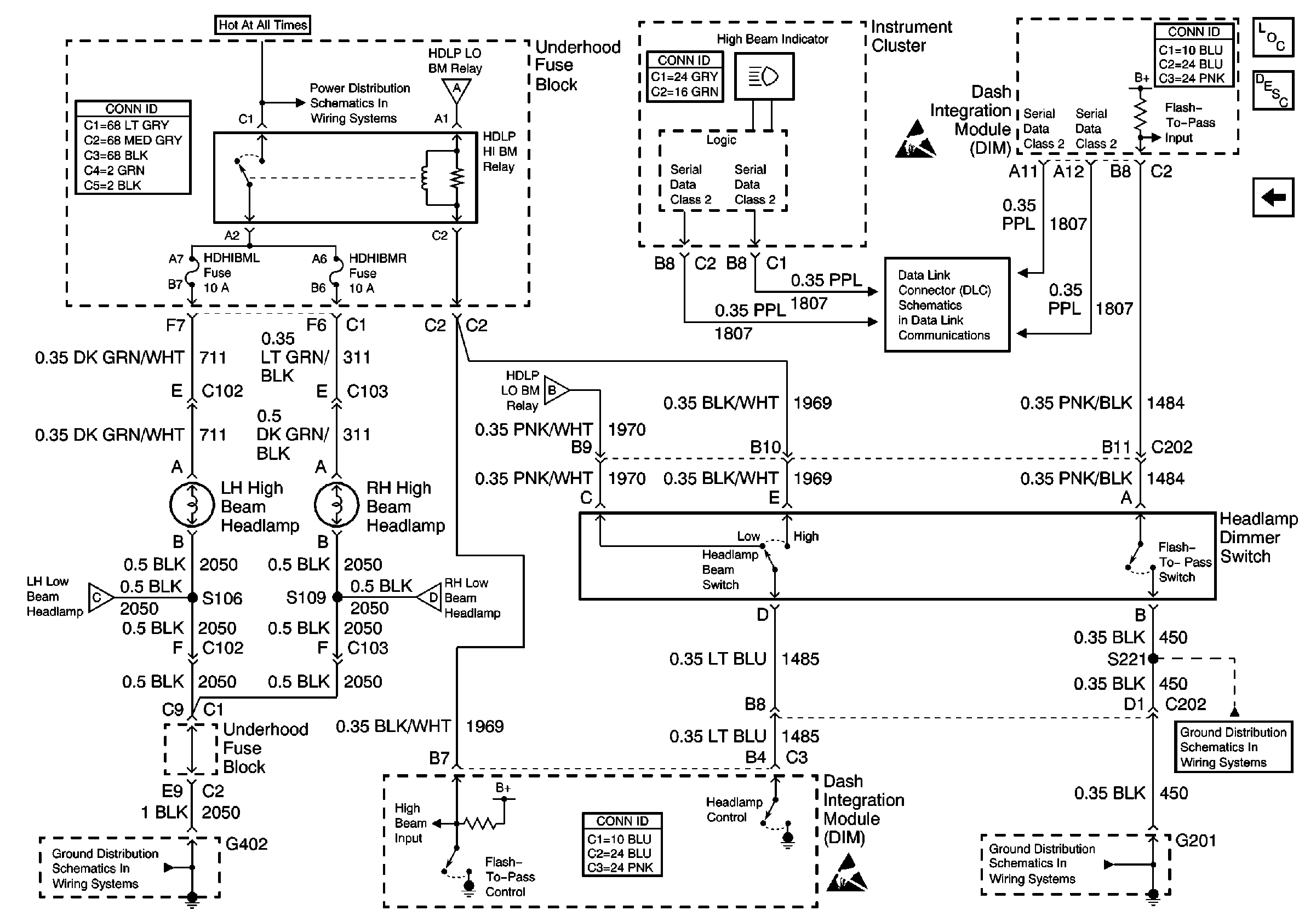
🢒 High Beam Headlamps
High Beam Headlamps
High Beam Headlamps
Lighting Systems Components
Headlights Circuit Description
Low Beam Headlamps
Underhood Fuse Block Battery Voltage
G201 - Steering Column
G201 - Steering Column
Serial Data Class 2 (1 of 3)
Low Beam Headlamps
Low Beam Headlamps
Low Beam Headlamps
Handling ESD Sensitive Parts Notice
Handling ESD Sensitive Parts Notice