GM Service Manual Online
For 1990-2009 cars only
Makes
🢒
Chevrolet
🢒
2000
🢒
Chevy C Pickup - 2WD
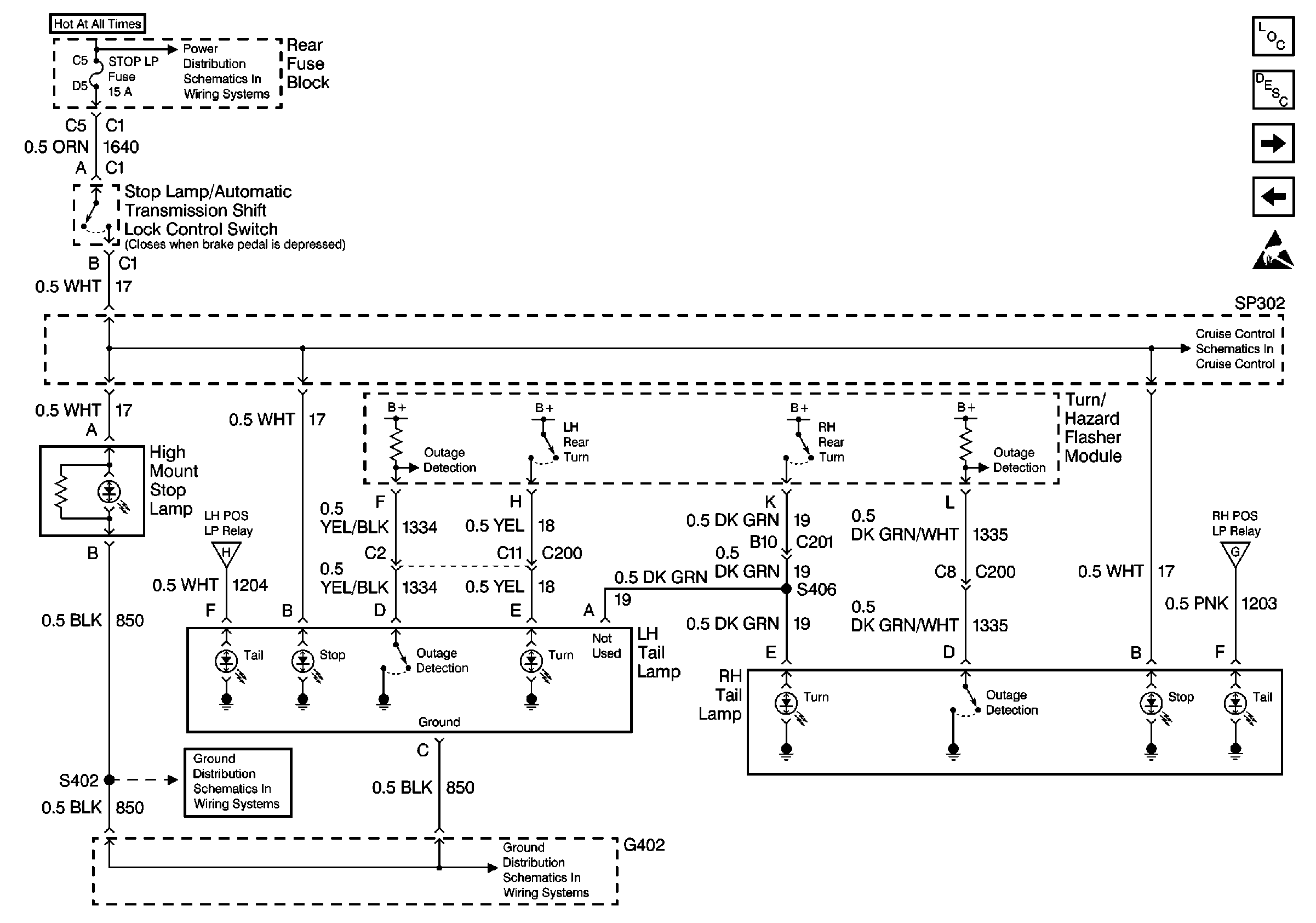
🢒 Tail Lamps
Tail Lamps
Tail Lamps
RR BLO, RRDR MDL, HVAC BLO, STOP LP, IGN SW, and TSIG/HAZ Fuses
Standing and Position Lamp Relays
G402 - Backup Lamps
G402 - Backup Lamps
Standing and Position Lamp Relays
Cruise Control Module PCM Inputs and Vehicle Speed Input
Lighting Systems Components
Exterior Lights Circuit Description
Front Park/Turn and Repeater Lamps
Turn/Hazard Flasher Module, Hazard Switch