GM Service Manual Online
For 1990-2009 cars only
Makes
🢒
Chevrolet
🢒
2000
🢒
Chevy C Pickup - 2WD
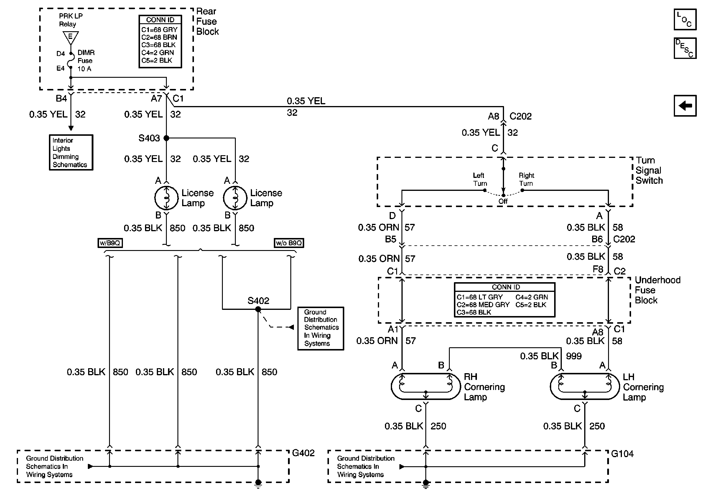
🢒 License and Cornering Lamps
License and Cornering Lamps
License and Cornering Lamps
Lighting Systems Components
Exterior Lights Circuit Description
Standing and Position Lamp Relays
Headlamp Switch, Park Lamp Relay
Dimming Control
G402 - Backup Lamps
G104 - Lamps and Other Items