GM Service Manual Online
For 1990-2009 cars only
Makes
🢒
Chevrolet
🢒
2000
🢒
Chevy C Pickup - 2WD
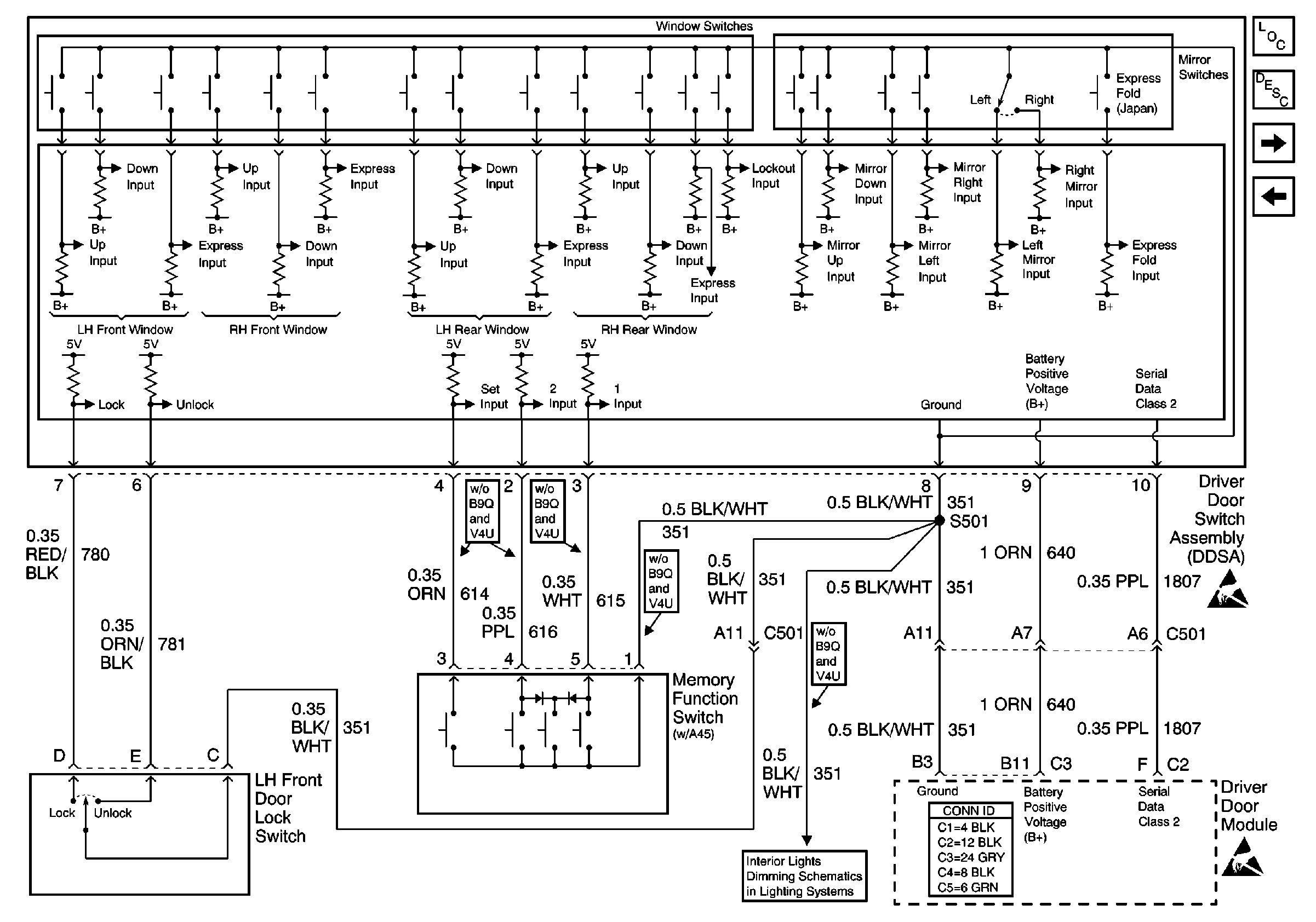
🢒 Driver Door Switch Assembly (DDSA) Internal Details (w/Memory (A45))
Driver Door Switch Assembly (DDSA) Internal Details (w/Memory (A45))
Driver Door Switch Assembly (DDSA) Internal Details (w/Memory (A45))
Power Door Systems Components
Door Description
Driver Door Module (DDM) Power, Gd., Inputs and Outputs
Driver Door Switch Assembly (DDSA) Power, Gd., Inputs and Outputs
Handling ESD Sensitive Parts Notice
Handling ESD Sensitive Parts Notice
Front Door Dimming