GM Service Manual Online
For 1990-2009 cars only
Makes
🢒
Chevrolet
🢒
2000
🢒
Chevy C Pickup - 2WD
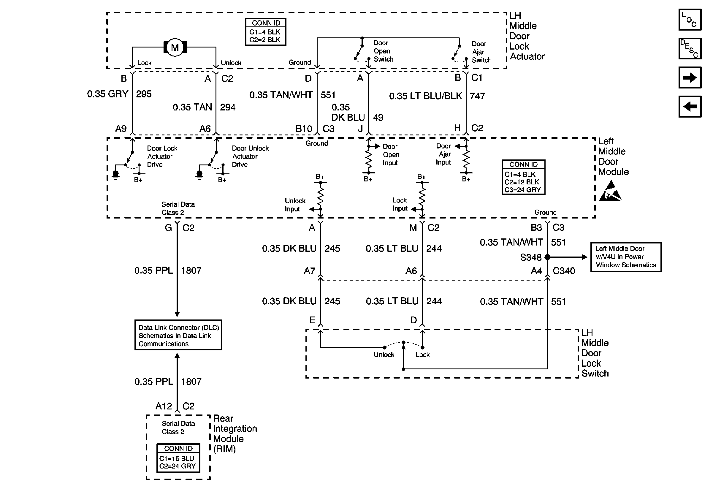
🢒 LH Middle Door Power Door Lock (w/V4U)
LH Middle Door Power Door Lock (w/V4U)
LH Middle Door Power Door Lock (w/V4U)
Power Door Systems Components
Power Door Locks Circuit Description
LH Rear Door Power Door Lock
Driver Door Power Door Lock
Handling ESD Sensitive Parts Notice
Data Link Connector Schematics
LH Middle Door Power Window