GM Service Manual Online
For 1990-2009 cars only
Makes
🢒
Chevrolet
🢒
2000
🢒
Chevy C Pickup - 2WD
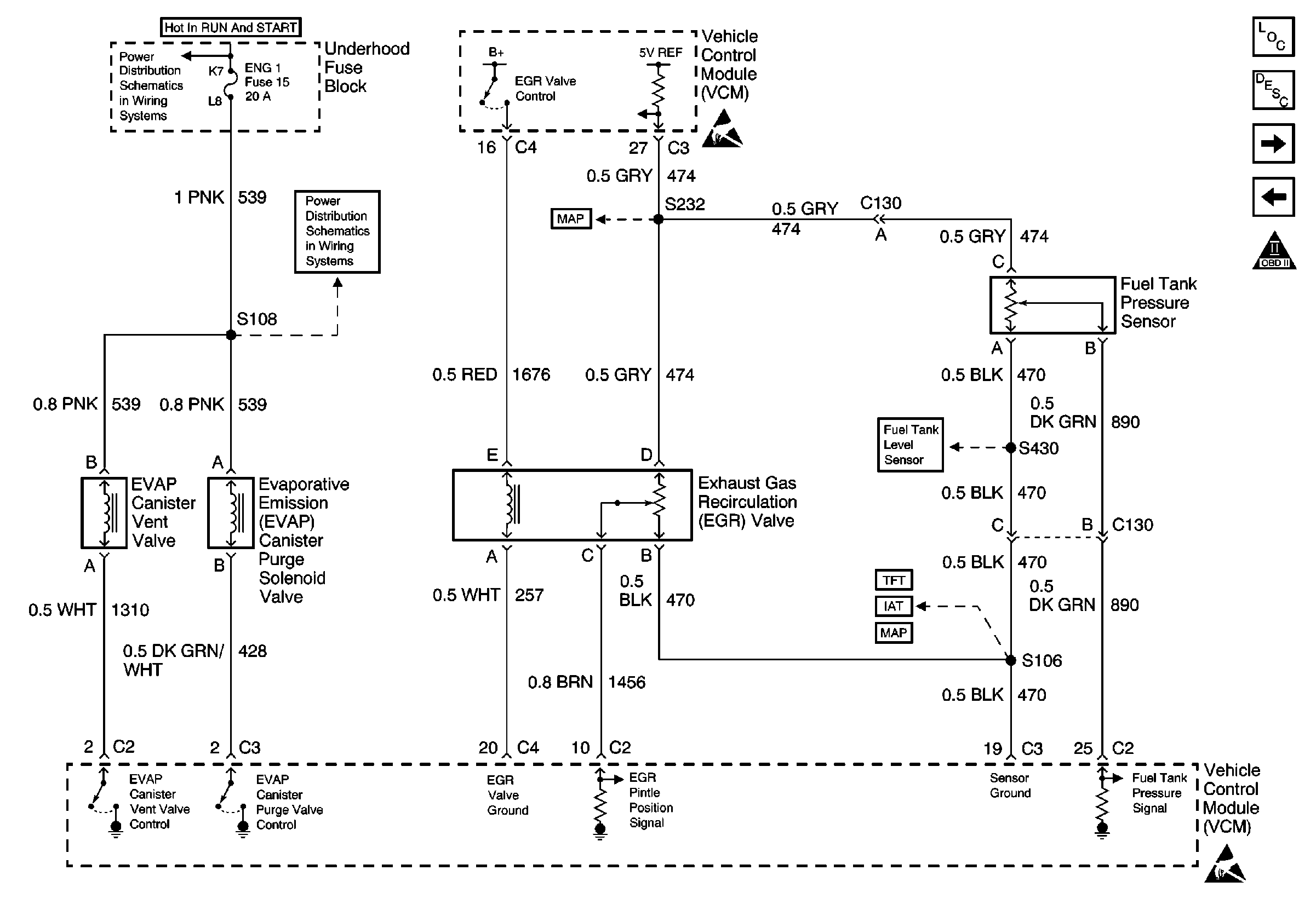
🢒 EVAP and EGR Controls, Fuel Tank Pressure Sensor
EVAP and EGR Controls, Fuel Tank Pressure Sensor
EVAP and EGR Controls, Fuel Tank Pressure Sensor
Engine Controls Components
Evaporative Emission Control System Operation Description Enhanced
Transfer Case Interface and Upshift Indicator
VSS and Cruise Controls
OBD II Symbol Description Notice
IGN A Fuse and Ignition Switch
Cell 10: ENG-1 Fuse
Engine Data Sensors-MAP, IAT, ECT, and TP
Engine Data Sensors-MAP, IAT, ECT, and TP
Engine Data Sensors-MAP, IAT, ECT, and TP
Fuel Pump Control-Single Tank
A/T Internal Switches, TFT, PC Solenoid (Both Transmissions)
Handling ESD Sensitive Parts Notice
Handling ESD Sensitive Parts Notice