GM Service Manual Online
For 1990-2009 cars only
Makes
🢒
Chevrolet
🢒
2000
🢒
Chevy C Pickup - 2WD
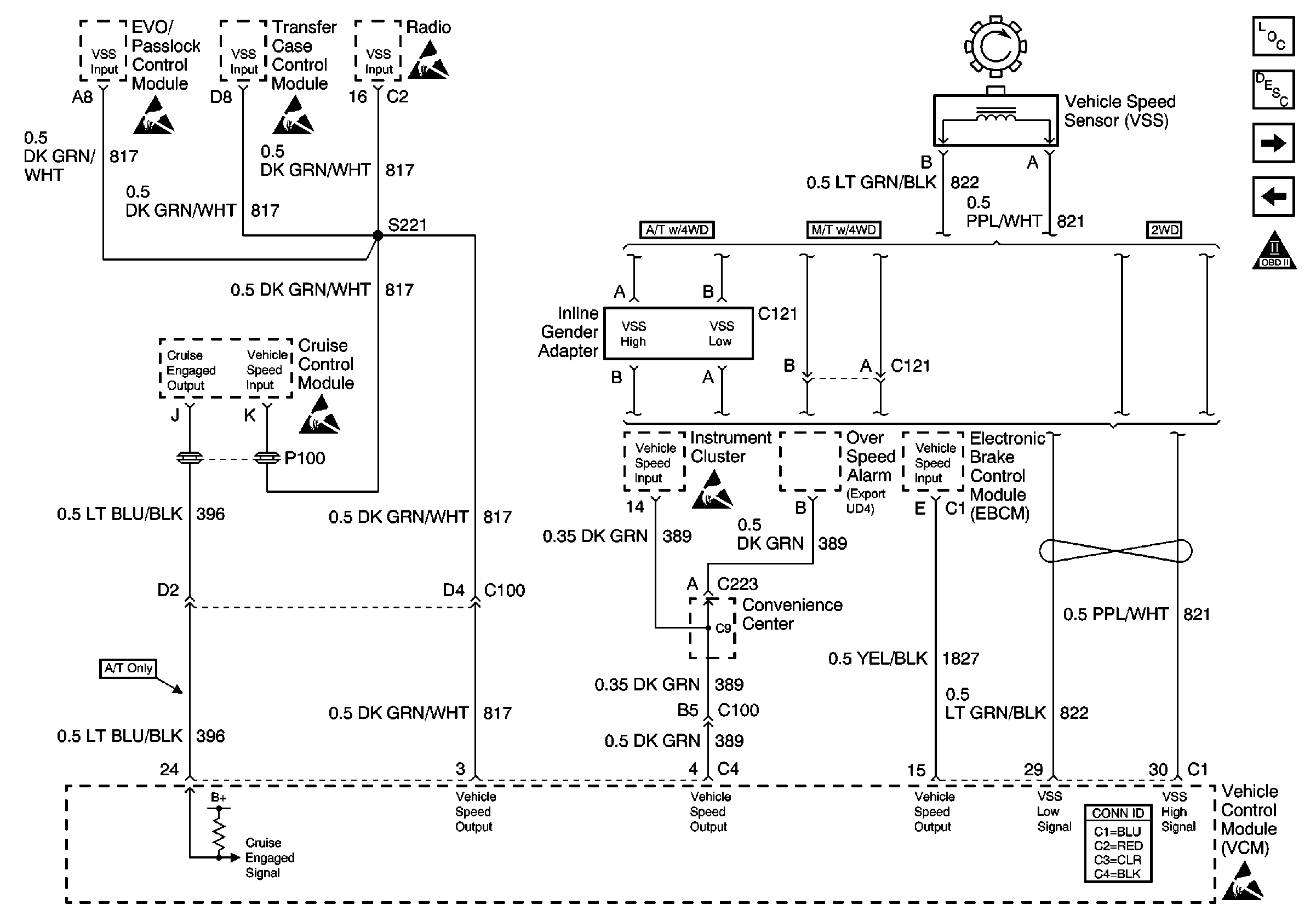
🢒 VSS Circuit and Cruise Control
VSS Circuit and Cruise Control
VSS Circuit and Cruise Control
Engine Controls Components
Information Sensors/Switches Description
EVAP and EGR Controls, Fuel Tank Pressure Sensor
A.I.R., IAC, and MAF Controls
OBD II Symbol Description Notice
Handling ESD Sensitive Parts Notice
Handling ESD Sensitive Parts Notice
Handling ESD Sensitive Parts Notice
Handling ESD Sensitive Parts Notice
Handling ESD Sensitive Parts Notice
Handling ESD Sensitive Parts Notice