GM Service Manual Online
For 1990-2009 cars only
Makes
🢒
Chevrolet
🢒
2000
🢒
Chevy C Pickup - 2WD
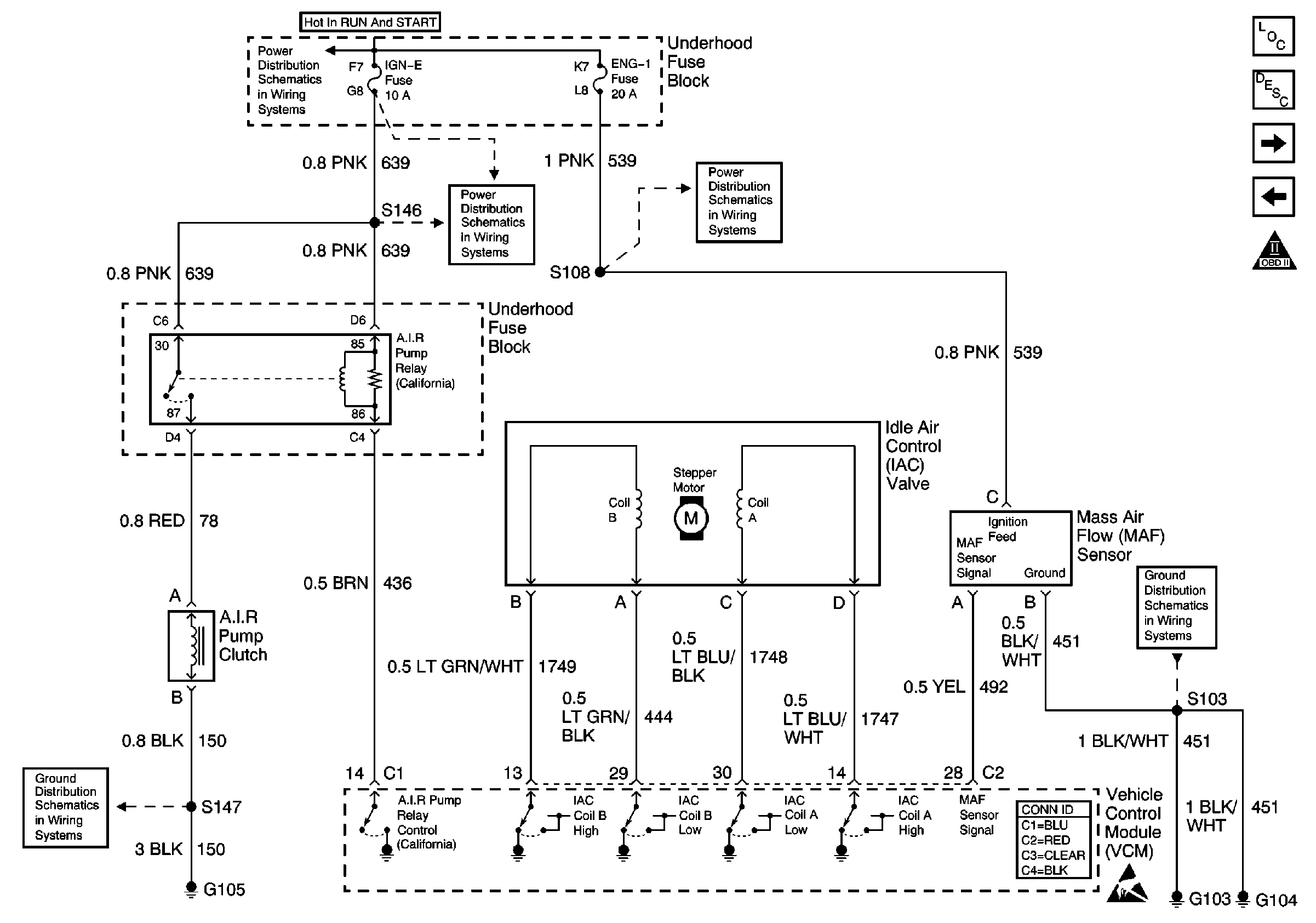
🢒 A.I.R., IAC, and MAF Controls
A.I.R., IAC, and MAF Controls
A.I.R., IAC, and MAF Controls
Engine Controls Components
Secondary Air Injection System Description
VSS Circuit and Cruise Control
Heated Oxygen Sensors, California Emissions (NB6)
OBD II Symbol Description Notice
G105 (1 of 2)
IGN A Fuse and Ignition Switch
G103 and G104
Handling ESD Sensitive Parts Notice
IGN E Fuse
Cell 10: ENG-1 Fuse