GM Service Manual Online
For 1990-2009 cars only
Makes
🢒
Chevrolet
🢒
2000
🢒
Chevy C Pickup - 2WD
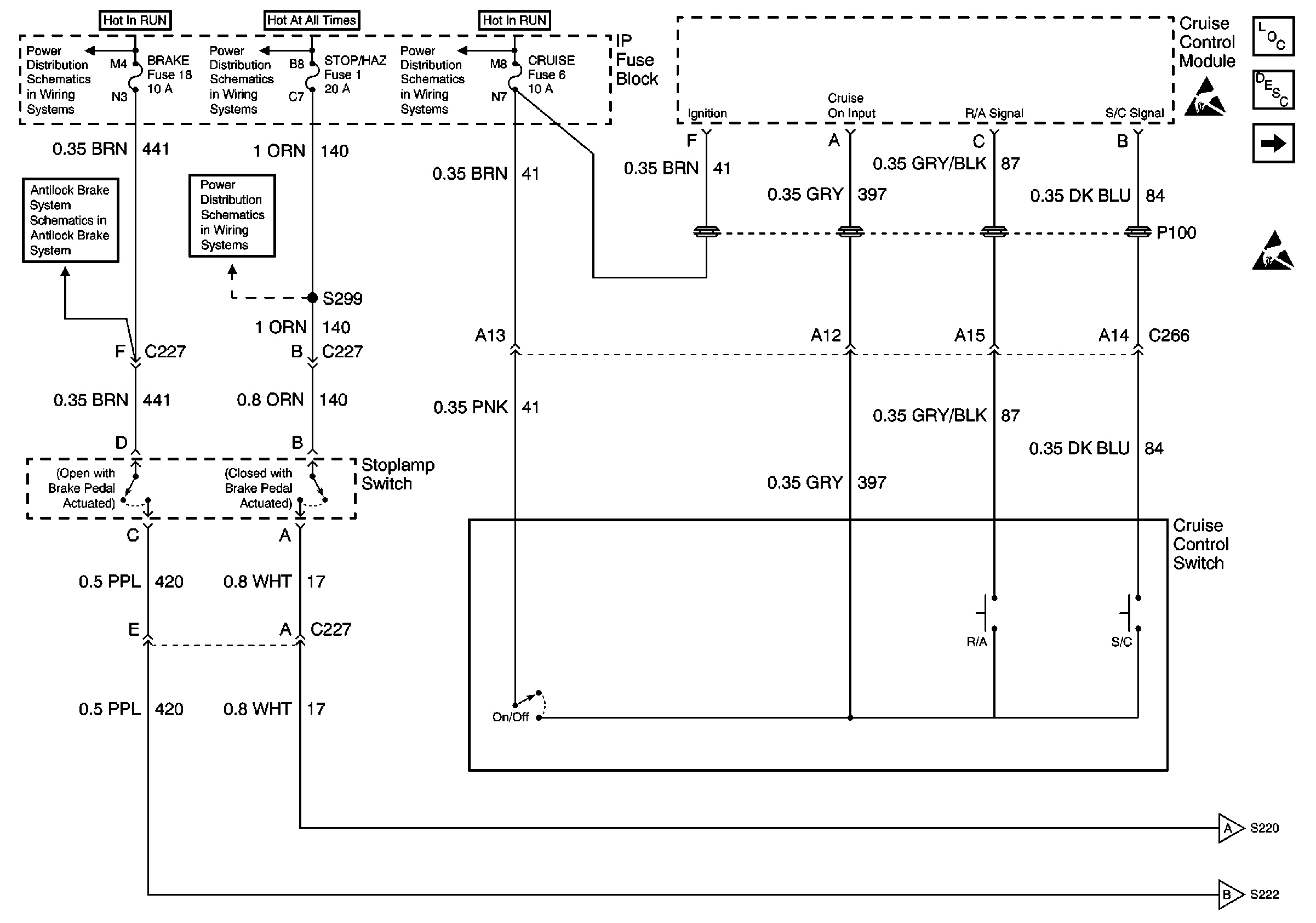
🢒 Cruise Control and Stoplamp Switches (Gas Engine)
Cruise Control and Stoplamp Switches (Gas Engine)
Cruise Control and Stoplamp Switches (Gas Engine)
Cruise Control Components
Cruise Control System Circuit Description
VCM and Clutch Pedal Position Switch (Gas Engine)
Handling ESD Sensitive Parts Notice
Handling ESD Sensitive Parts Notice
VCM and Clutch Pedal Position Switch (Gas Engine)
BRAKE and HTR-A/C Fuses
STOP/HAZ, RADIO BATT, and AUX PWR Fuses
CRUISE and 4WD Fuses
VSS, TCC Signal and Brake Indicator (Gas)
STOP/HAZ, RADIO BATT, and AUX PWR Fuses