GM Service Manual Online
For 1990-2009 cars only
Makes
🢒
Chevrolet
🢒
2000
🢒
Chevy C Pickup - 2WD
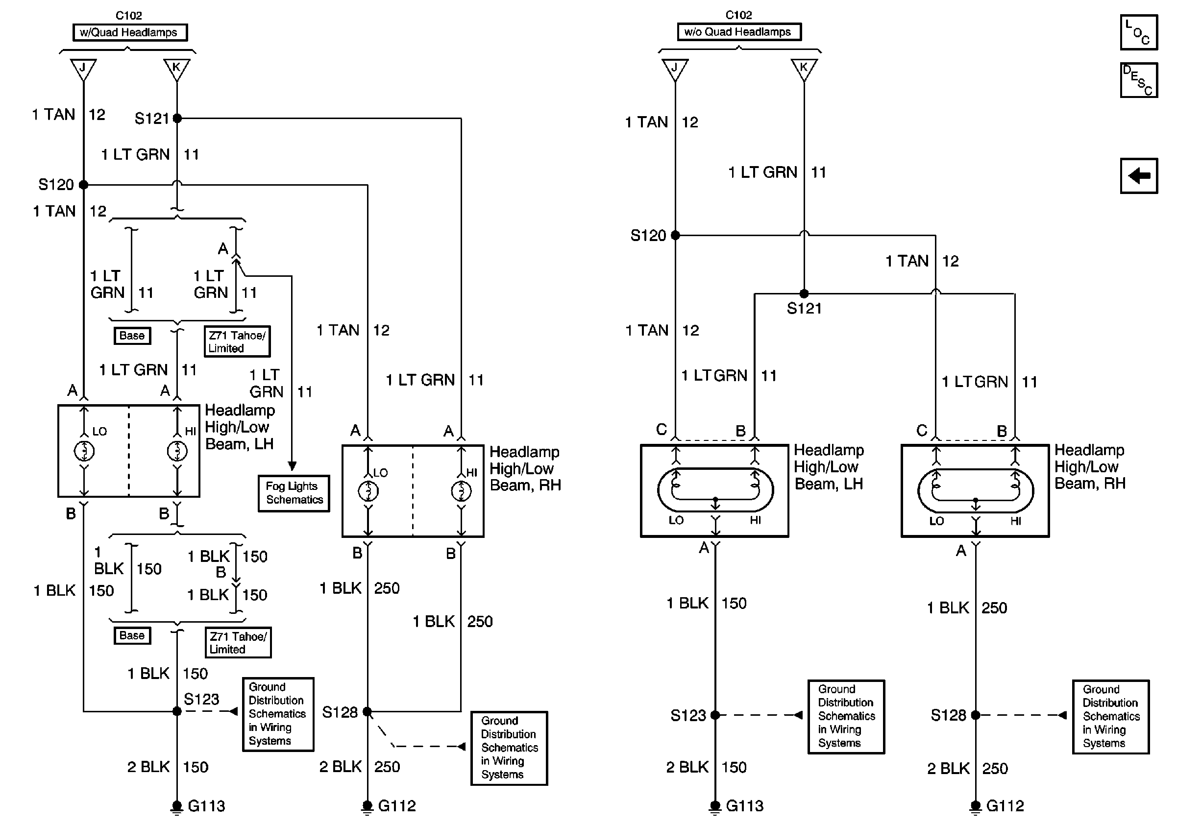
🢒 Quad Headlamps, Base Headlamps
Quad Headlamps, Base Headlamps
Quad Headlamps, Base Headlamps
Lighting Systems Components
Headlights/Daytime Running Lights (DRL) Circuit Description
Headlamp and Panel Dimmer Switch, Headlamp Dimmer Switch
G112
G113
G112
G113
Headlamp and Panel Dimmer Switch, Headlamp Dimmer Switch
Headlamp and Panel Dimmer Switch, Headlamp Dimmer Switch
Headlamp and Panel Dimmer Switch, Headlamp Dimmer Switch
Headlamp and Panel Dimmer Switch, Headlamp Dimmer Switch
Fog Lamp Switch, Relay and Lamps