GM Service Manual Online
For 1990-2009 cars only
Makes
🢒
Chevrolet
🢒
2000
🢒
Chevy C Pickup - 2WD
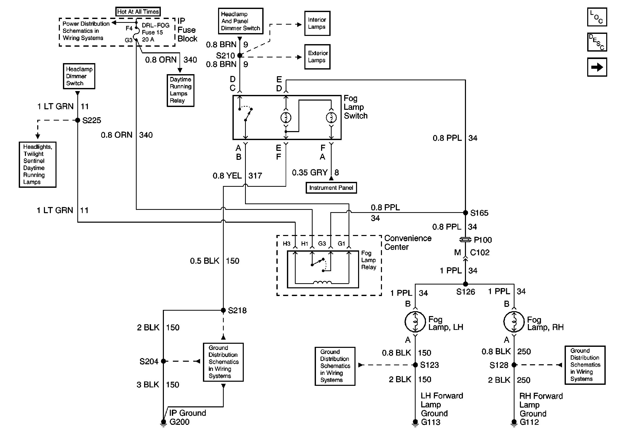
🢒 Fog Lamp Switch, Relay and Lamps
Fog Lamp Switch, Relay and Lamps
Fog Lamp Switch, Relay and Lamps
Lighting Systems Components
Fog Lights Circuit Description
G112
Power Window Switch Illumination
Front Park and Turn Lamps, Roof Marker Lamps
Quad Headlamps, Base Headlamps
SECURITY/STRG, PK LPS, and DRL-FOG Fuses
Quad Headlamps, Base Headlamps
DRL Module, DRL Relay
DRL Module, DRL Relay, Headlamps
G200 (1 of 4)
G113
Indicator Lamps