GM Service Manual Online
For 1990-2009 cars only
Makes
🢒
Chevrolet
🢒
2000
🢒
Chevy C Pickup - 2WD
🢒 Tail/Stop-Turn Lamps, Endgate Marker Lamps
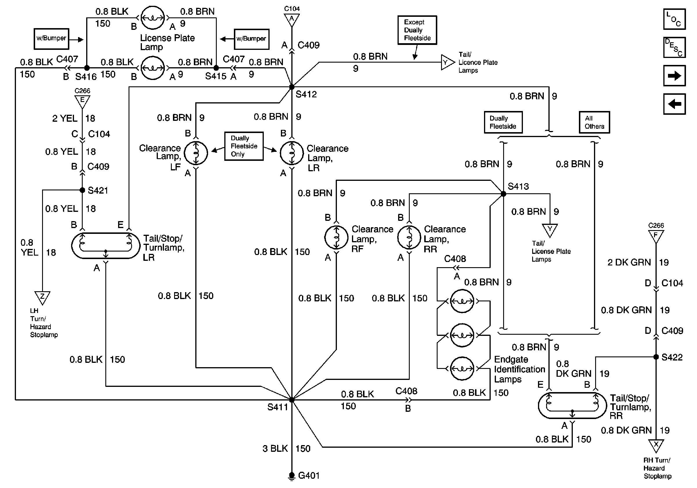
Tail/Stop-Turn Lamps, Endgate Marker Lamps
Tail/Stop-Turn Lamps, Endgate Marker Lamps
Lighting Systems Components
Exterior Lights Circuit Description
Instrument Cluster, G103 and G104
Front Park and Turn Lamps, Roof Marker Lamps
Front Park and Turn Lamps, Roof Marker Lamps
STOP/HAZ Fuse 1, Turn/Hazard Switch, Turn/Hazard Flasher
Trailer Tow
Trailer Tow
STOP/HAZ Fuse 1, Turn/Hazard Switch, Turn/Hazard Flasher
Trailer Tow