GM Service Manual Online
For 1990-2009 cars only
Makes
🢒
Chevrolet
🢒
2000
🢒
Chevy C Pickup - 2WD
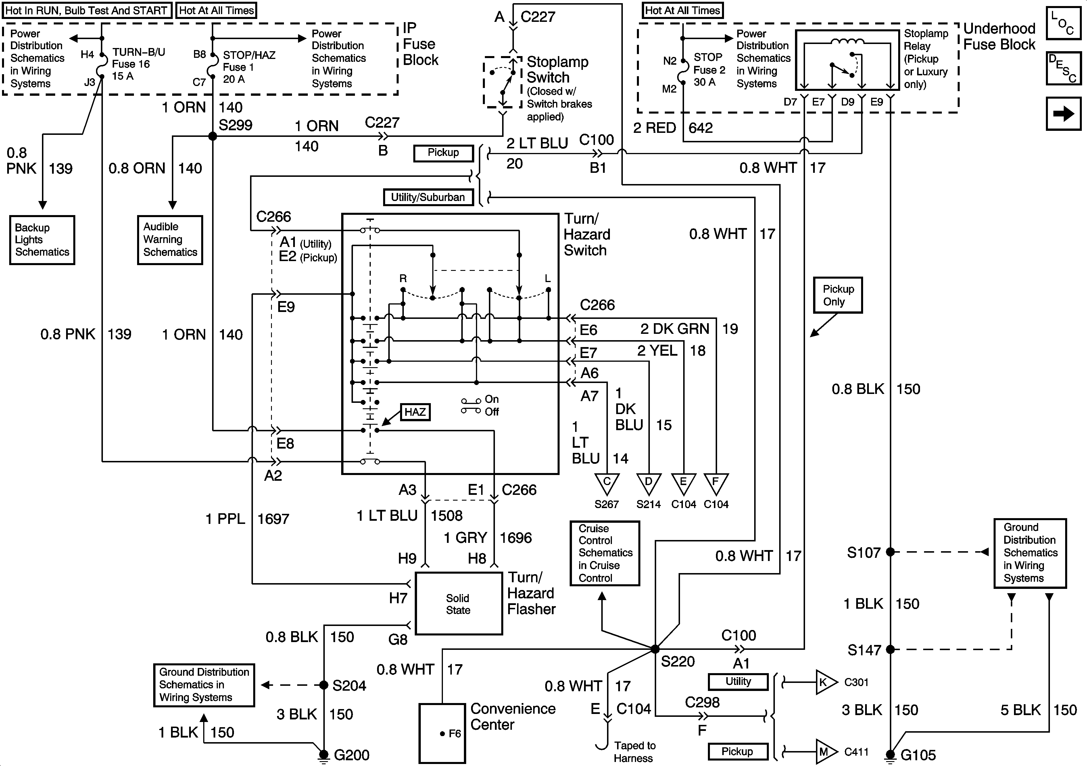
🢒 STOP/HAZ Fuse 1, Turn/Hazard Switch, Turn/Hazard Flasher
STOP/HAZ Fuse 1, Turn/Hazard Switch, Turn/Hazard Flasher
STOP/HAZ Fuse 1, Turn/Hazard Switch, Turn/Hazard Flasher
Lighting Systems Components
Exterior Lights Circuit Description
Front Park and Turn Lamps, Roof Marker Lamps
AIR BAG, TURN B/U, CRANK, and TRANS Fuses
STOP/HAZ, RADIO BATT, and AUX PWR Fuses
Backup Lamps, Backup Switch
G200 (1 of 4)
G105 (1 of 2)
Cruise Control and Stoplamp Switches (Gas Engine)
AUX Fuse 22, Center High Mount Stop Lamp
Instrument Cluster, G103 and G104
Front Park and Turn Lamps, Roof Marker Lamps
Front Park and Turn Lamps, Roof Marker Lamps
Tail/Stop-Turn Lamps, Endgate Marker Lamps
Tail/Stop-Turn Lamps, Endgate Marker Lamps
Audible Warnings Schematics Base