GM Service Manual Online
For 1990-2009 cars only
Makes
🢒
Chevrolet
🢒
2000
🢒
Chevy C Pickup - 2WD
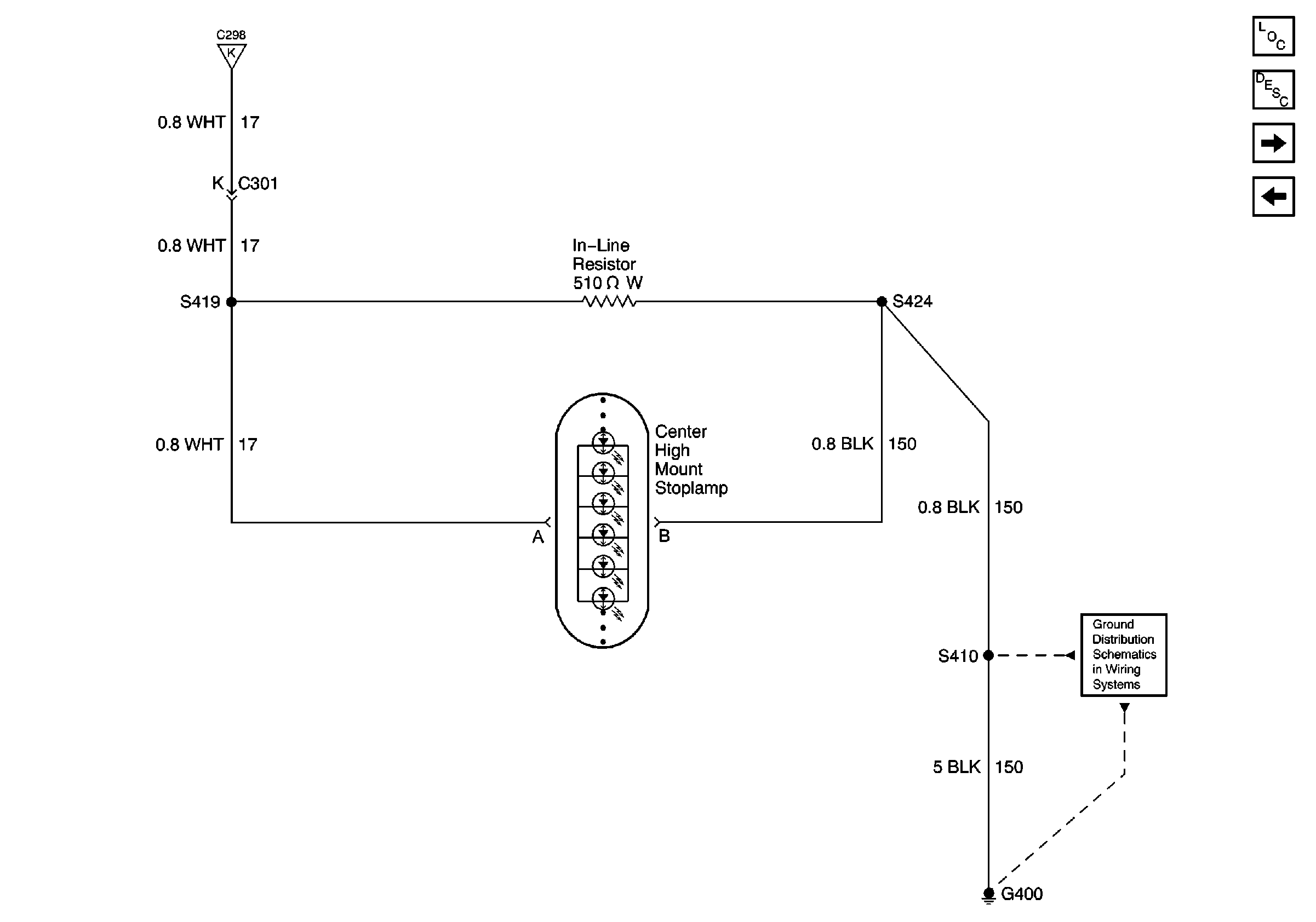
🢒 AUX Fuse 22, Center High Mount Stop Lamp
AUX Fuse 22, Center High Mount Stop Lamp
AUX Fuse 22, Center High Mount Stop Lamp
Lighting Systems Components
Exterior Lights Circuit Description
CTSY Fuse 3, Cargo Lamp (Pickup Only)
Instrument Cluster, G103 and G104
G400
STOP/HAZ Fuse 1, Turn/Hazard Switch, Turn/Hazard Flasher