GM Service Manual Online
For 1990-2009 cars only
Makes
🢒
Chevrolet
🢒
2000
🢒
Chevy C Pickup - 2WD
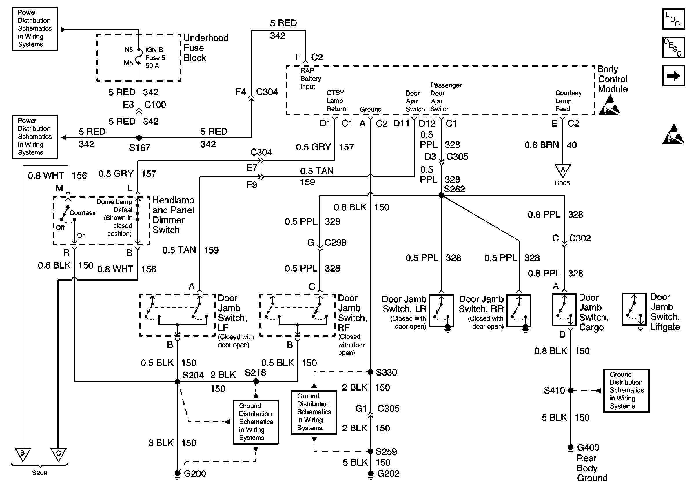
🢒 Courtesy Lamps and Door Jambs
Courtesy Lamps and Door Jambs
Courtesy Lamps and Door Jambs
Lighting Systems Components
Interior Lights Circuit Description Luxury
Courtesy Lamps and Rearview Mirror Switch
Handling Electrostatic Discharge Sensitive Parts Notice
Handling Electrostatic Discharge Sensitive Parts Notice
Courtesy Lamps and Rearview Mirror Switch
Power Distribution Schematics (MegaFuse and Aux Power Center (Z56) 2000 C/K
G202 (2 of 4)
G200 (1 of 4)
IGN B Fuse and Ignition Switch
IGN B Fuse and Ignition Switch
Courtesy Lamps and Rearview Mirror Switch
Courtesy Lamps and Rearview Mirror Switch