GM Service Manual Online
For 1990-2009 cars only
Makes
🢒
Chevrolet
🢒
2000
🢒
Chevy C Pickup - 2WD
🢒 Horns
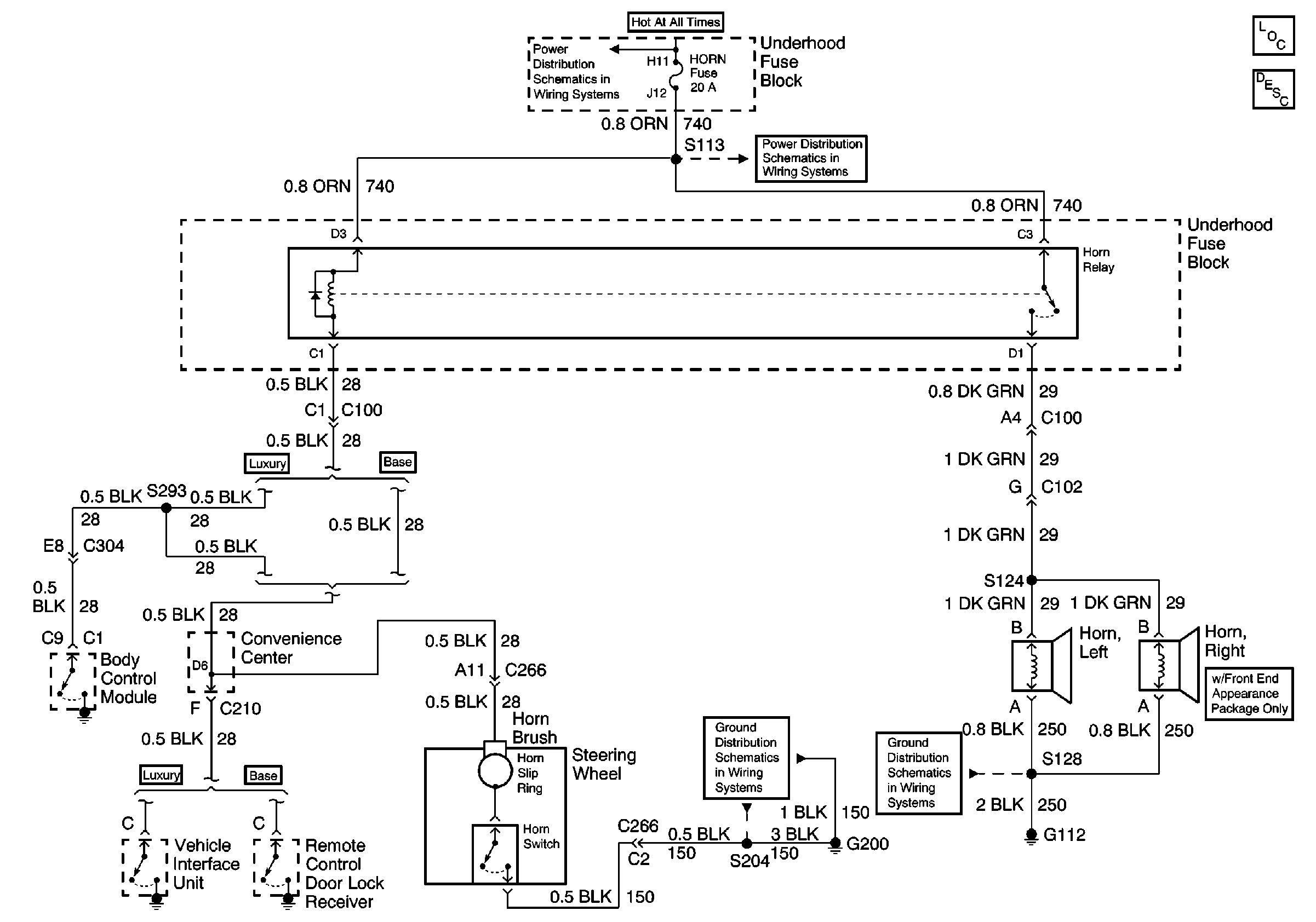
Horns
Horns
Horns Components
Horns Circuit Description
ECM-B, HORN and A/C COMP Fuses
ECM-B, HORN and A/C COMP Fuses
G200 (1 of 4)
G112