GM Service Manual Online
For 1990-2009 cars only
Makes
🢒
Chevrolet
🢒
2000
🢒
Chevy C Pickup - 2WD
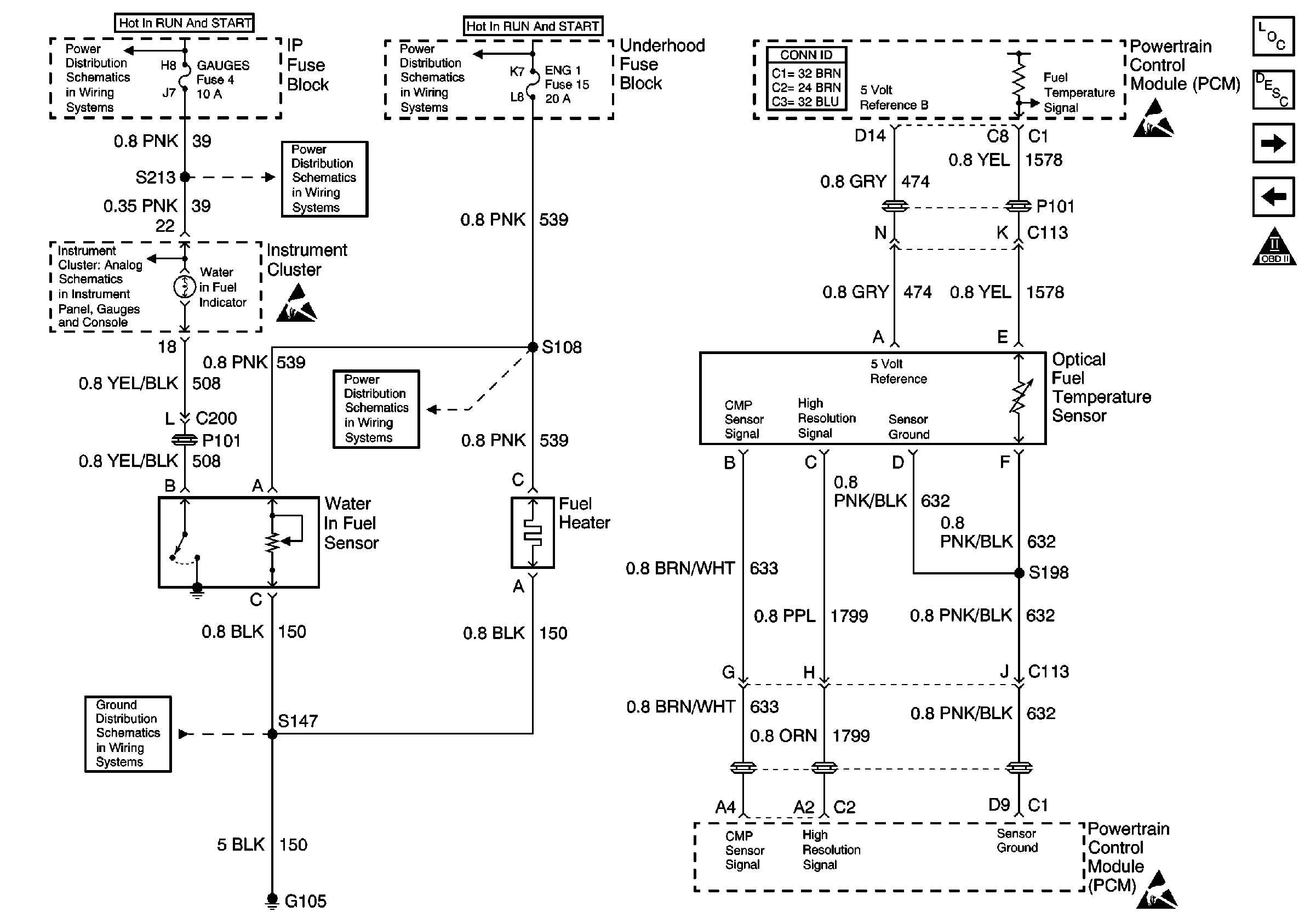
🢒 Water-in fuel Sensor, Fuel Heater, and Fuel Temperature Sensor
Water-in fuel Sensor, Fuel Heater, and Fuel Temperature Sensor
Water-in fuel Sensor, Fuel Heater, and Fuel Temperature Sensor
Engine Controls Components
Fuel Supply Component Description
Engine Shutoff Solenoid, Fuel Solenoid and Module
Fuel Pump Controls - Dual Tanks
OBD II Symbol Description Notice
IGN A Fuse and Ignition Switch
IGN A Fuse and Ignition Switch
GAUGES Fuse
ENG 1 and ECM 1 Fuses (Diesel)
G105 (1 of 2)
Handling ESD Sensitive Parts Notice
Handling ESD Sensitive Parts Notice
Handling ESD Sensitive Parts Notice