GM Service Manual Online
For 1990-2009 cars only
Makes
🢒
Chevrolet
🢒
2000
🢒
Chevy C Pickup - 2WD
🢒 Horns Schematic
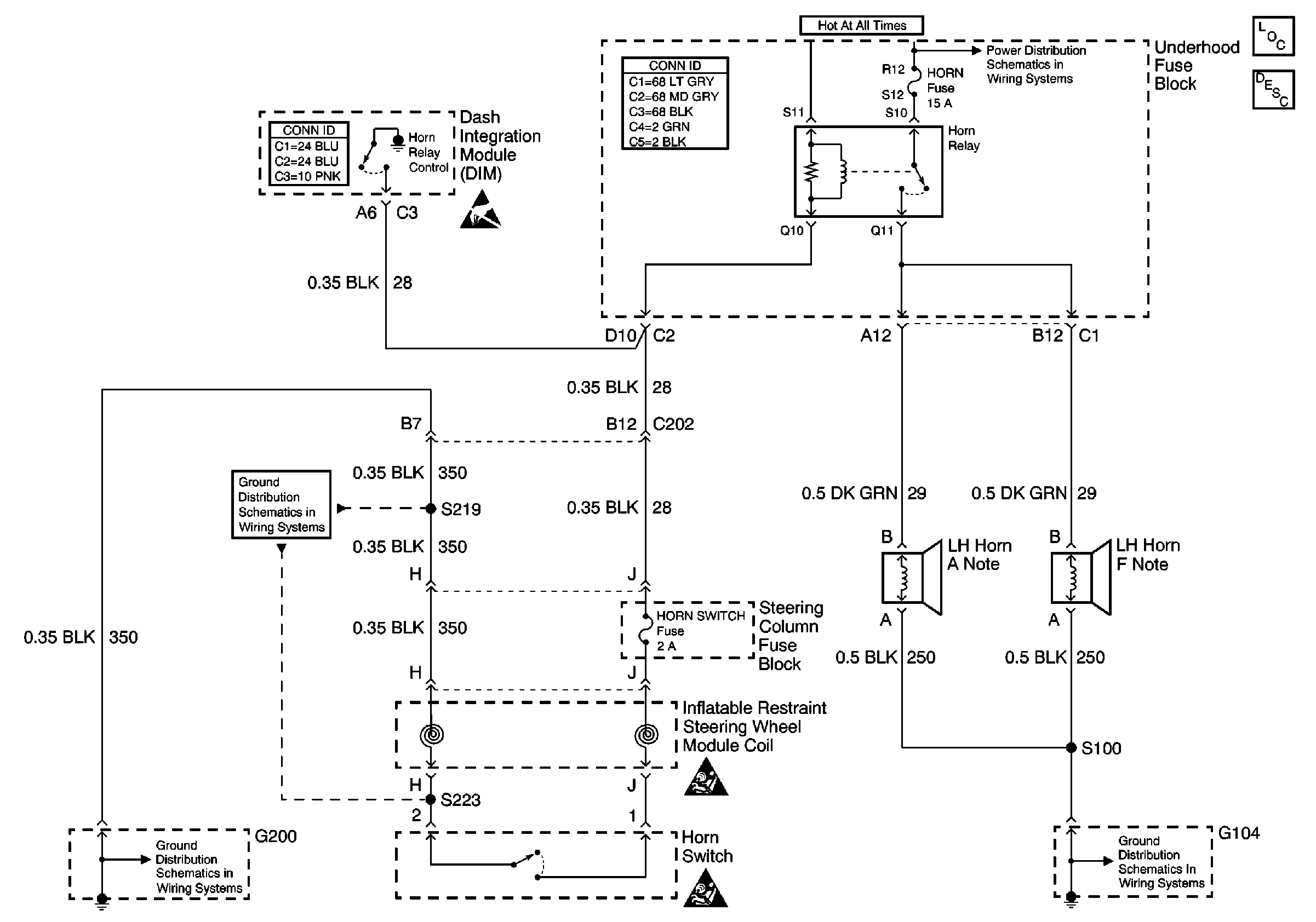
Horns Schematic
Horns Components
Horns Circuit Description
COOLFAN1, COOLFAN2, HORN, HDLOBMR, HDLOBML Fuses
Handling ESD Sensitive Parts Notice
G200
SIR Caution
G200
SIR Caution
G104 - Lamps and Other Items