GM Service Manual Online
For 1990-2009 cars only
Makes
🢒
Chevrolet
🢒
2000
🢒
Chevy C Pickup - 2WD
🢒 Z71 Tahoe / Limited
Z71 Tahoe / Limited
Z71 Tahoe / Limited
Cell 10: CRUISE and 4WD Fuses
Cell 10: CRUISE and 4WD Fuses
Cell 10: T CASE, and CTSY Fuses (1 of 2)
Cell 10: T CASE, and CTSY Fuses (1 of 2)
Cell 117: PK LPS Fuse 9, ILLUM Fuse 14, Headlamp and Panel Dimmer Switch(2 of 2)
Cell 14: G200 (1 of 4)
Cell 14: G200 (1 of 4)
Cell 102: Quad Headlamps, Base Headlamps
Lighting Systems Components
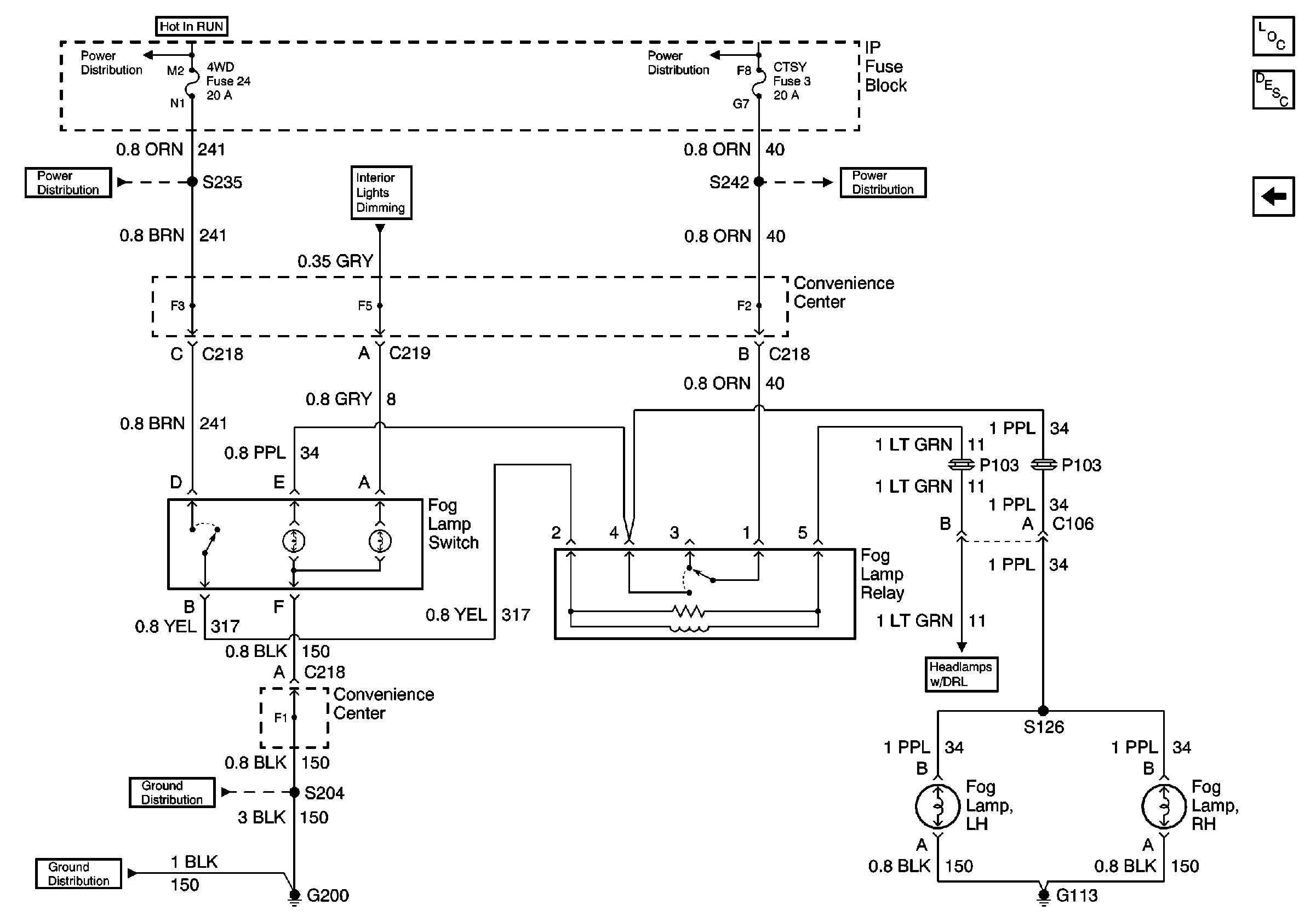
Fog Lights Circuit Description Z71 Tahoe/Limited
Cell 103: Fog Lamp Switch, Relay and Lamps