GM Service Manual Online
For 1990-2009 cars only
Makes
🢒
Chevrolet
🢒
2000
🢒
Chevy C Pickup - 2WD
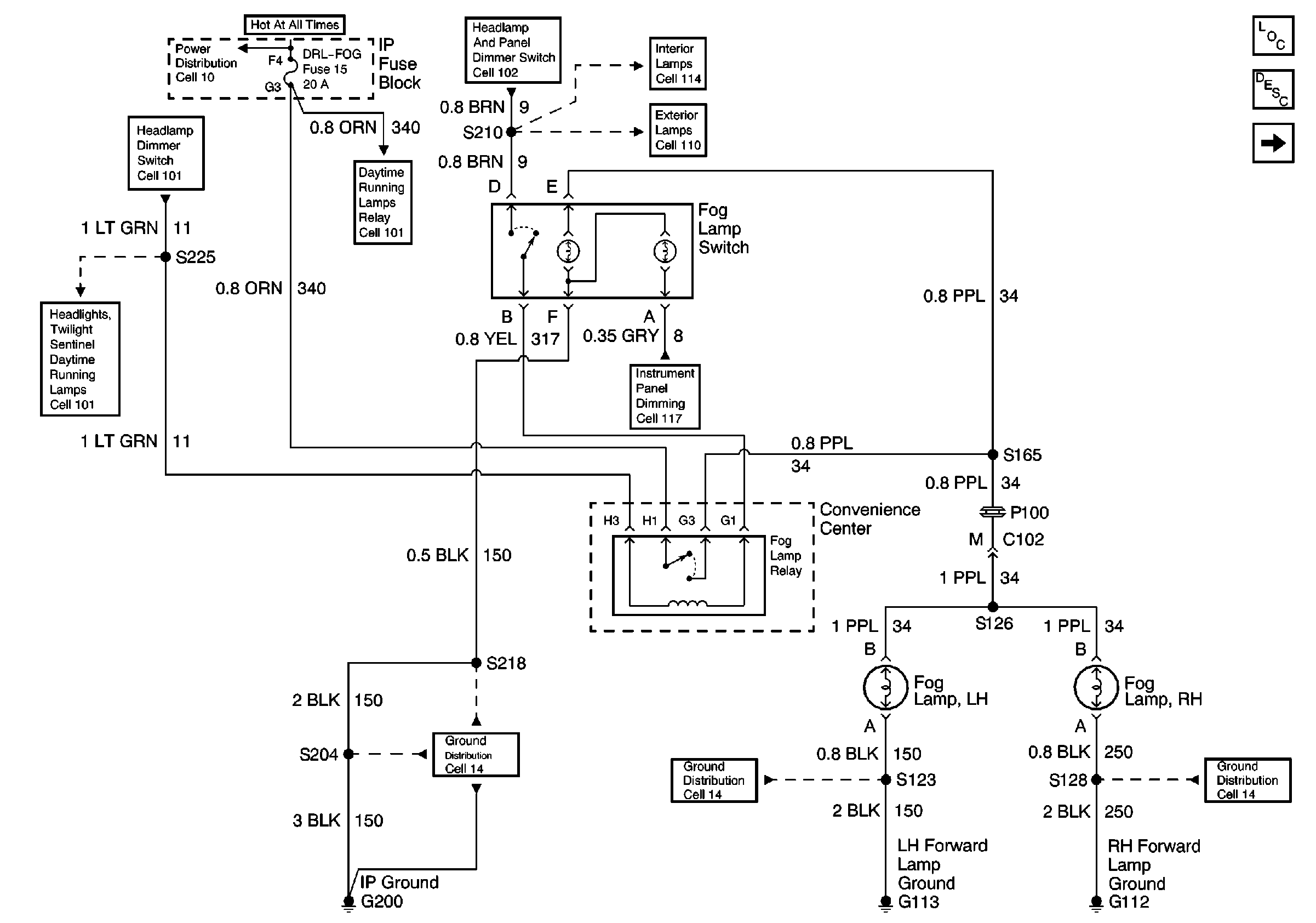
🢒 Cell 103: Fog Lamp Switch, Relay and Lamps
Cell 103: Fog Lamp Switch, Relay and Lamps
Cell 103: Fog Lamp Switch, Relay and Lamps
Lighting Systems Components
Power Window Switch Illumination
Fog Lights Circuit Description Luxury
Cell 117: PK LPS Fuse 9, ILLUM Fuse 14, Headlamp and Panel Dimmer Switch(2 of 2)
Cell 14: G112
Cell 110: Front Park and Turn Lamps, Roof Marker Lamps
Cell 101: Headlamp and Panel Dimmer Switch, Headlamp Control Module
Cell 10: LIGHTING and BATTERY Fuses
Cell 101: DRL Module, DRL Relay, Headlamps
Cell 101: DRL Module, DRL Relay, Headlamps
Cell 101: DRL Module, DRL Relay, Headlamps
Cell 14: G200 (1 of 4)
Cell 14: G113
Z71 Tahoe / Limited