GM Service Manual Online
For 1990-2009 cars only
Makes
🢒
Chevrolet
🢒
2000
🢒
Chevy C Pickup - 2WD
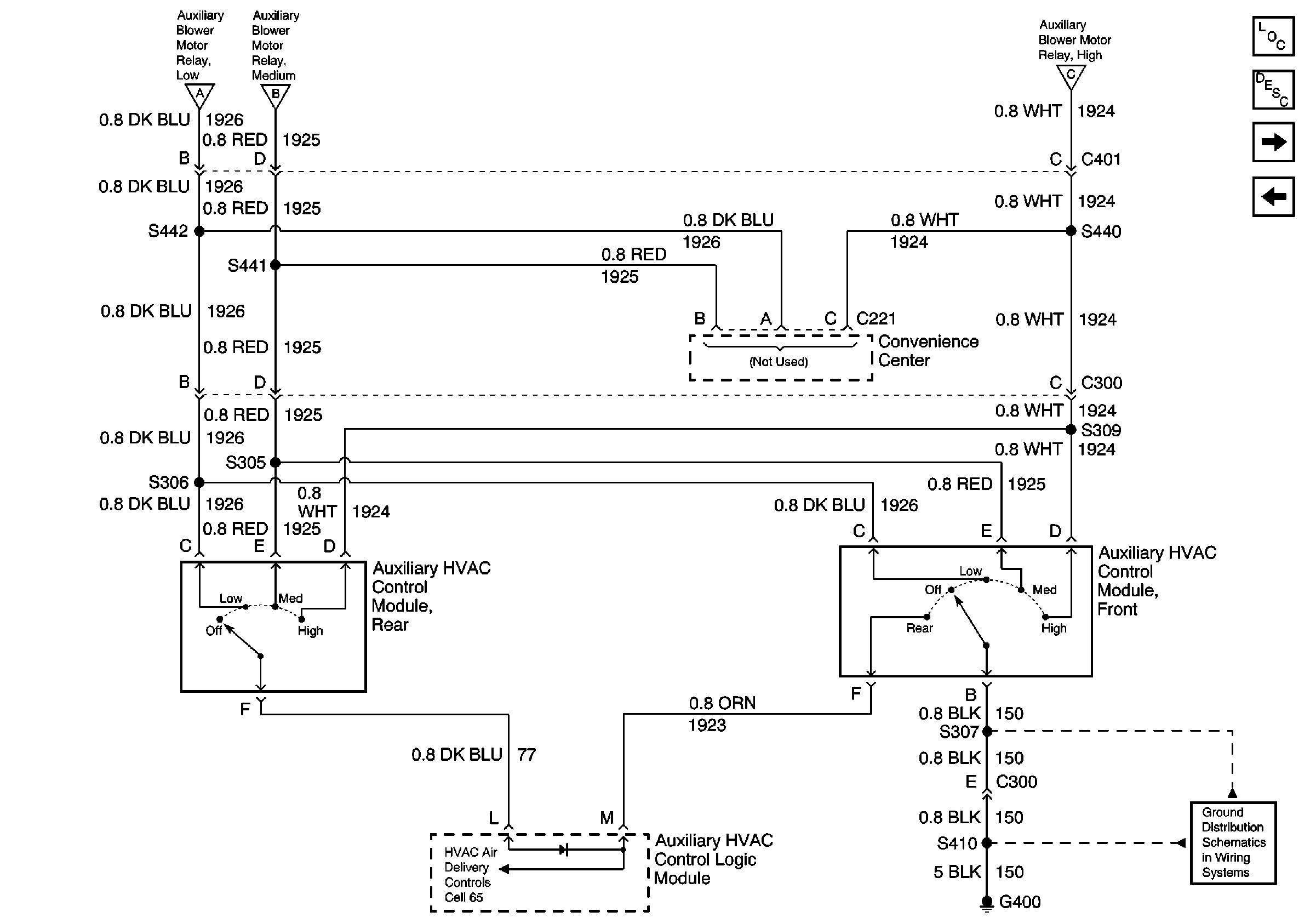
🢒 Rear Blower Controls Switches
Rear Blower Controls Switches
Rear Blower Controls Switches
Heater Blower Controls Components
HVAC Air Delivery/Temperature Control Circuit Description
Auxiliary HVAC Controls (Auxiliary Heat or A/C)
Rear Blower Controls Relays and Motors
Rear Blower Controls Relays and Motors
Rear Blower Controls Relays and Motors
G400