GM Service Manual Online
For 1990-2009 cars only
Makes
🢒
Chevrolet
🢒
2000
🢒
Chevy C Pickup - 2WD
🢒 Power Outside Rearview Mirrors - Luxury
Power Outside Rearview Mirrors - Luxury
Power Outside Rearview Mirrors -- Luxury
Power Door Systems Components
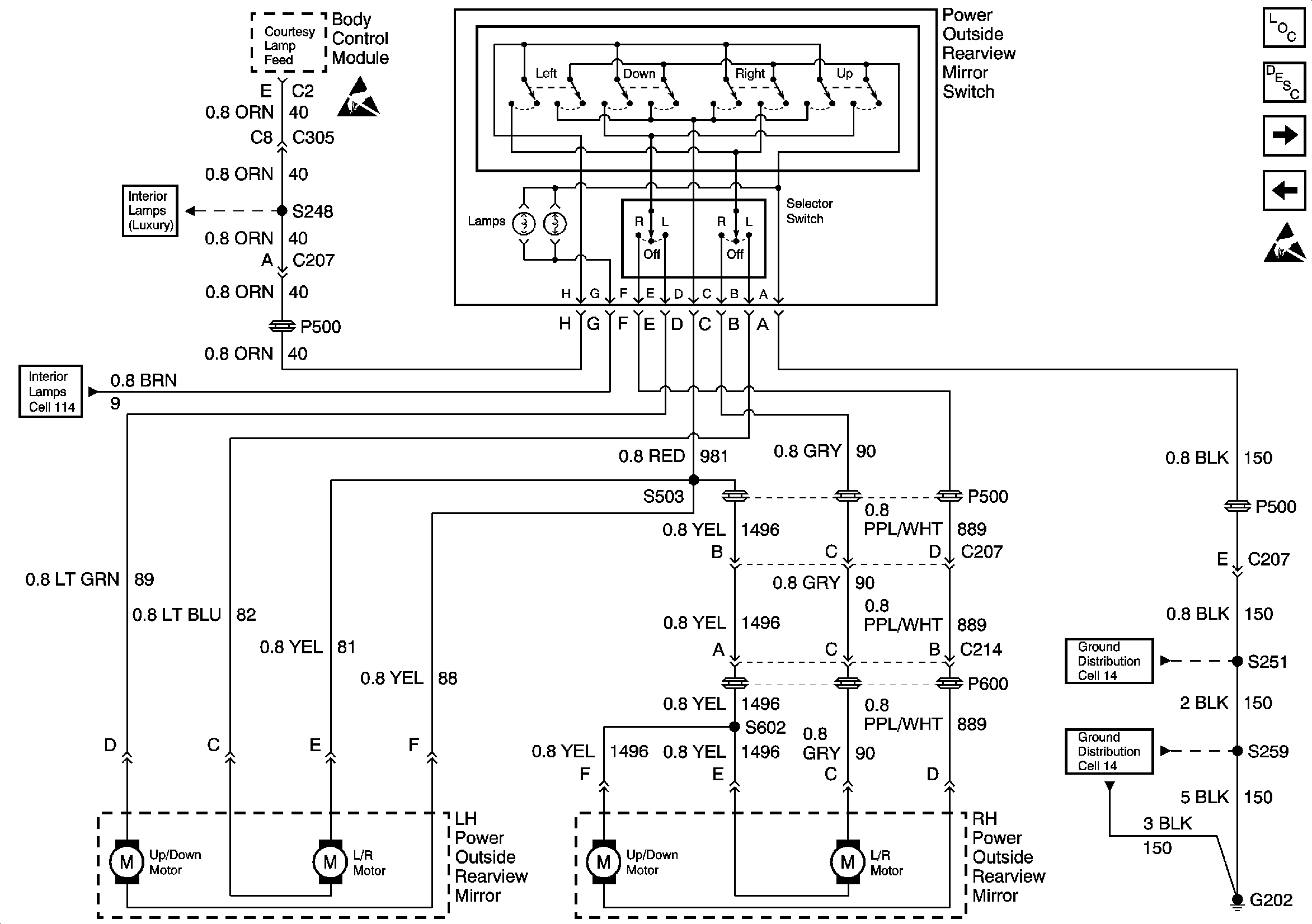
Outside Mirrors Circuit Description
Fuse Block, HVAC Control Module
Power Outside Rearview Mirrors - Except Luxury
Handling ESD Sensitive Parts Notice
Handling ESD Sensitive Parts Notice
Fuses, Headlamp and Panel Dimmer Switch and Window Switches
Courtesy Lamps and Rearview Mirror Switch
Handling ESD Sensitive Parts Notice
G202 (3 of 4)
G202 (2 of 4)