GM Service Manual Online
For 1990-2009 cars only
Makes
🢒
Chevrolet
🢒
2000
🢒
Chevy C Pickup - 2WD
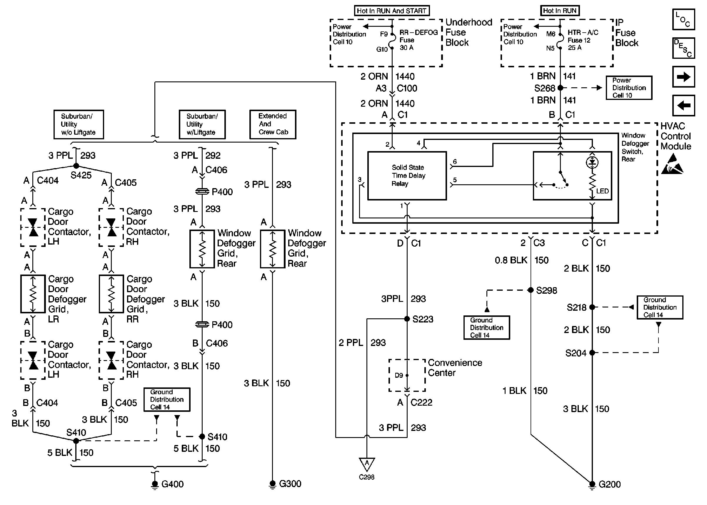
🢒 Fuse Block, HVAC Control Module
Fuse Block, HVAC Control Module
Fuse Block, HVAC Control Module
Power Door Systems Component Views
Heated Mirror Circuit Description
Heated Mirror Relay, Heated Mirrors
Power Outside Rearview Mirrors - Luxury
Cell 10: BRAKE and HTR-A/C Fuses
Handling ESD Sensitive Parts Notice
Cell 14: G200 (1 of 4)
Cell 14: G200 (1 of 4)
Cell 14: G400
Heated Mirror Relay, Heated Mirrors
Cell 10: Battery, and Underhood Fuse Block
Cell 10: IGN B Fuse and Ignition Switch