GM Service Manual Online
For 1990-2009 cars only
Makes
🢒
Chevrolet
🢒
1997
🢒
Chevy C Pickup - 2WD (CNG)
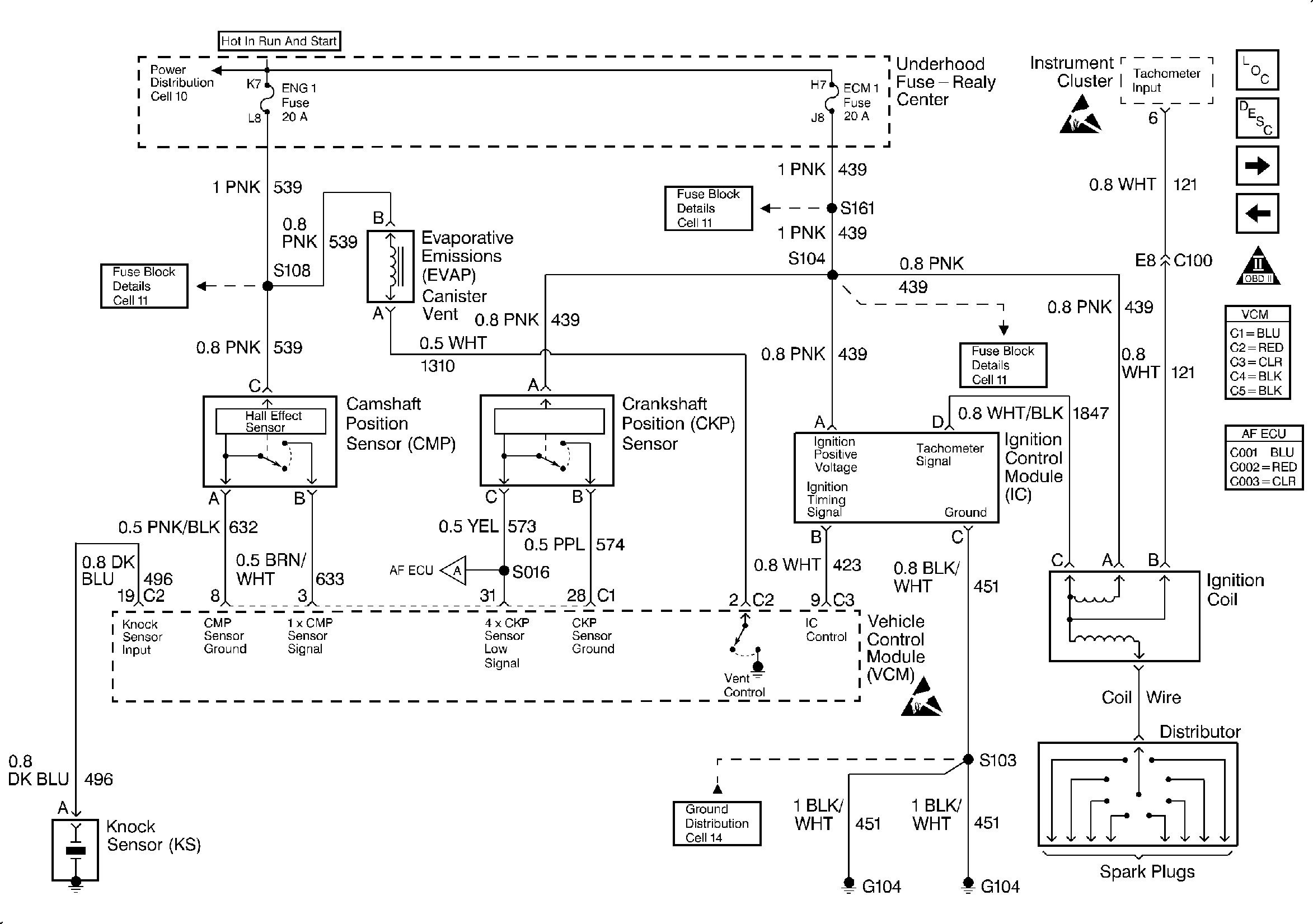
🢒 Engine Sensors
Engine Sensors
Engine Sensors
Engine Controls Components
Vehicle Control Module Description
Handling Electrostatic Discharge Sensitive Parts Notice
Handling Electrostatic Discharge Sensitive Parts Notice
Engine Sensors
OBDII Symbol Description Notice
Engine Sensors