GM Service Manual Online
For 1990-2009 cars only
Makes
🢒
Chevrolet
🢒
1999
🢒
Chevy C Silverado - 2WD
🢒
Suspension
🢒
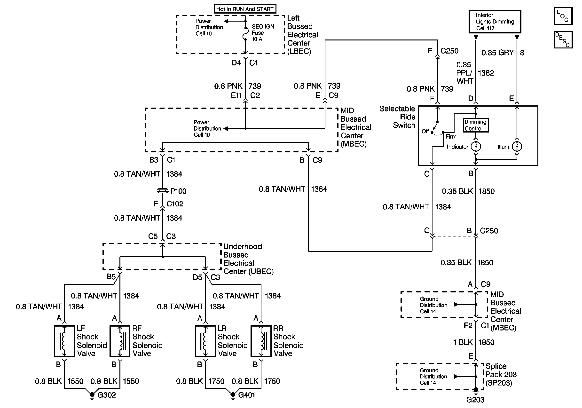
Selectable Ride
🢒 Selectable Ride Schematics
Cell 43
Selectable Ride Components
Selectable Ride Circuit Description
Cell 10: Underhood Bussed Electrical Center, Electronic Brake Control ModuLe
Cell 117: G203, Headlamp and Panel Dimmer Switch
Cell 10: Underhood Bussed Electrical Center, Automatic Transfer Case
Cell 14: Full Feature Seat Heated/Memory Seat Switch, Light Bar Switch
Cell 14: Full Feature Seat Heated/Memory Seat Switch, Light Bar Switch