GM Service Manual Online
For 1990-2009 cars only
Makes
🢒
Chevrolet
🢒
1999
🢒
Chevy C Silverado - 2WD
🢒
Body and Accessories
🢒
Doors
🢒 Outside Rearview Mirror Schematics
Figure
1:
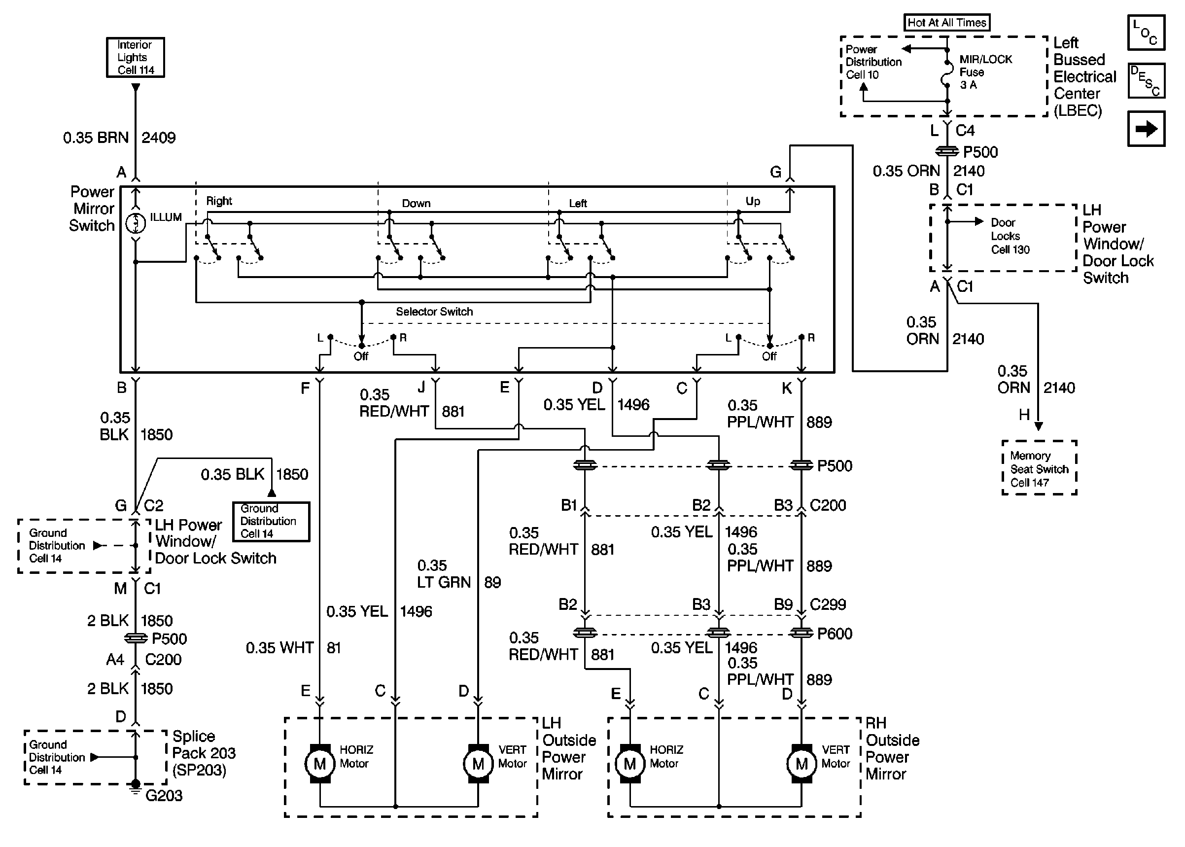
Cell 147: Power Mirror Switch, LH and RH Outside Power Mirror, G203
Power Door Systems Components
Outside Mirrors Circuit Description
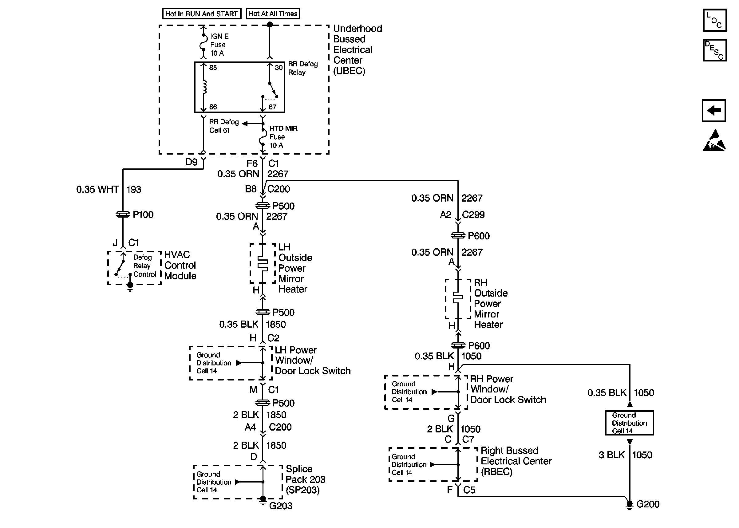
Cell 147: RR Defog Relay, HVAC Control Module, LH and RH Outside Power Mirror Heater, G200, G203
Cell 14: Full Feature Seat Heated/Memory Seat Switch, Light Bar Switch
Cell 14: Full Feature Seat Heated/Memory Seat Switch, Light Bar Switch
Cell 14: Full Feature Seat Heated/Memory Seat Switch, Light Bar Switch
Interior Lights Schematics
Cell 10: Underhood Bussed Electrical Center, Headlamp Dimmer Switch
Cell 130: Right Bussed Electrical Center, LH Power Door Lock Actuator(Up Level)
Outside Mirrors Schematics
Figure
2:
Cell 147: RR Defog Relay, HVAC Control Module, LH and RH Outside Power Mirror Heater, G200, G203
Power Door Systems Components
Outside Mirrors Circuit Description
Cell 147: Power Mirror Switch, LH, RH Outside Power Mirror, G203
Handling ESD Sensitive Parts Notice
Cell 14: Full Feature Seat Heated/Memory Seat Switch, Light Bar Switch
Cell 14: Full Feature Seat Heated/Memory Seat Switch, Light Bar Switch
Cell 14: Full Feature Seat Heated/Memory Seat Switch, Light Bar Switch
Cell 14: Full Feature Seat Heated/Memory Seat Switch, Light Bar Switch
Cell 14: Full Feature Seat Heated/Memory Seat Switch, Light Bar Switch