GM Service Manual Online
For 1990-2009 cars only
Makes
🢒
Chevrolet
🢒
1999
🢒
Chevy C Silverado - 2WD
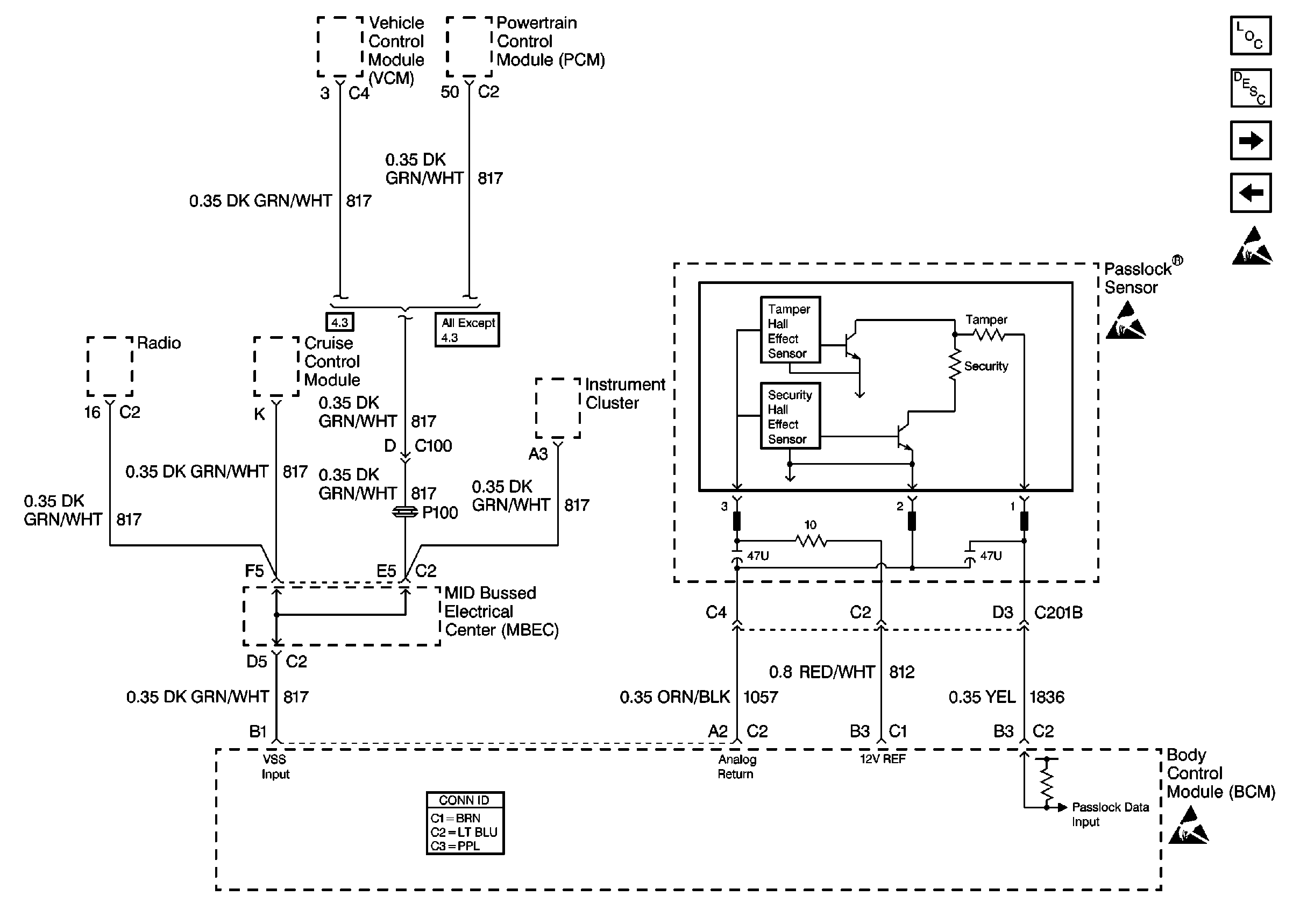
🢒 Cell 51: Passlock Sensor, VSS Signal
Cell 51: Passlock Sensor, VSS Signal
Cell 51: Passlock Sensor, VSS Signal
Body Control Module Components
Body Control System Circuit Description
Cell 51: Uplevel Door Locks
Cell 51: Turn Signals, RAP Relay (uplevel only)
Handling ESD Sensitive Parts Notice
Handling ESD Sensitive Parts Notice
Handling ESD Sensitive Parts Notice