GM Service Manual Online
For 1990-2009 cars only
Makes
🢒
Chevrolet
🢒
1999
🢒
Chevy C Silverado - 2WD
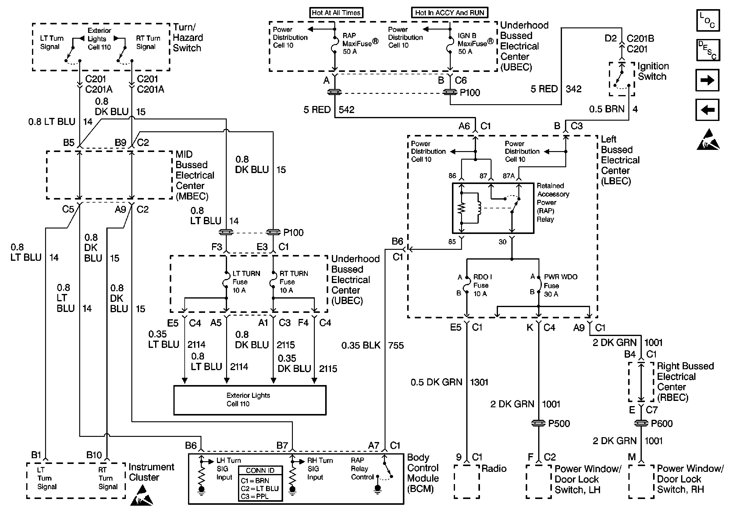
🢒 Cell 51: Turn Signals, RAP Relay (uplevel only)
Cell 51: Turn Signals, RAP Relay (uplevel only)
Cell 51: Turn Signals, RAP Relay (uplevel only)
Body Control Module Components
Body Control System Circuit Description
Cell 51: Passlock Sensor, VSS Signal
Cell 51: Inadvertent Power Relay, Courtesy Lamp Relay
Handling ESD Sensitive Parts Notice
Handling ESD Sensitive Parts Notice
Exterior Lights Schematics
Power Distribution Schematics
Power Distribution Schematics
Power Distribution Schematics
Power Distribution Schematics
Exterior Lights Schematics