GM Service Manual Online
For 1990-2009 cars only
Makes
🢒
Chevrolet
🢒
1999
🢒
Chevy C Silverado - 2WD
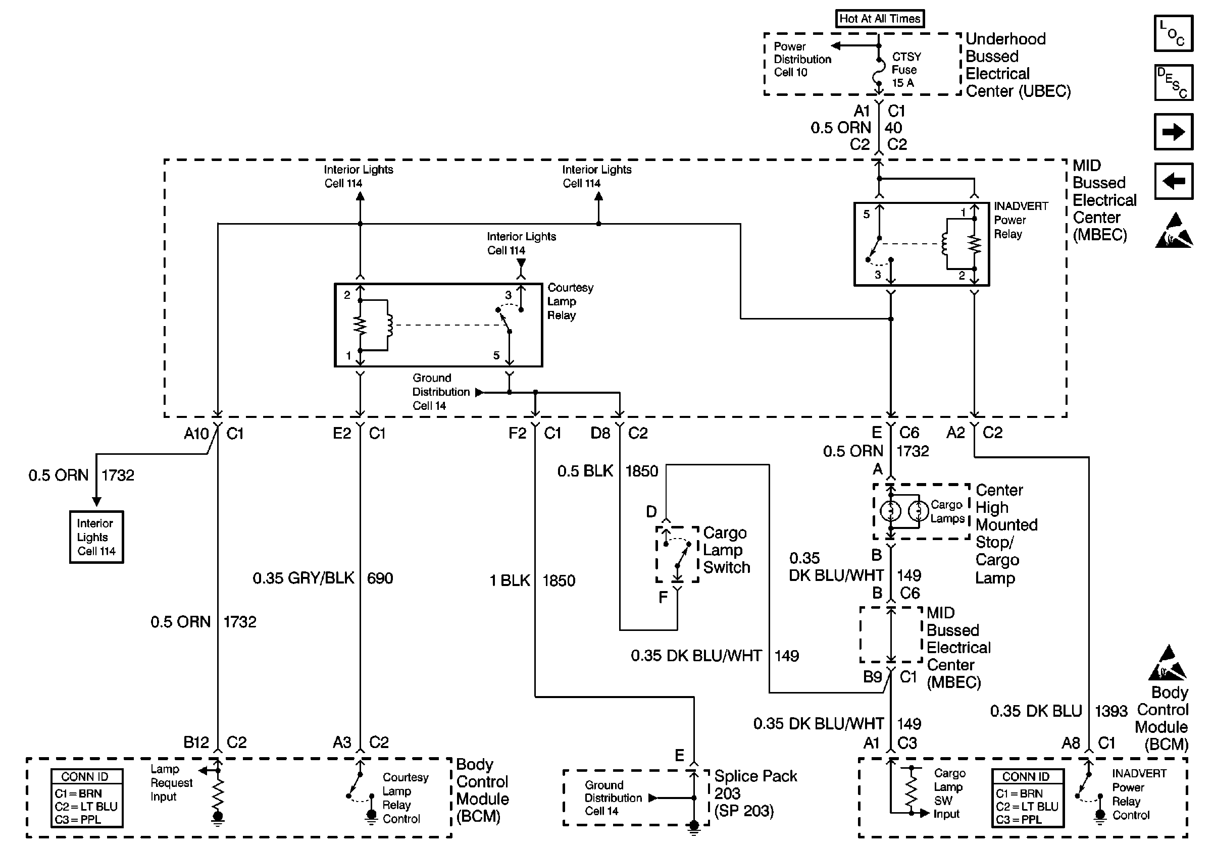
🢒 Cell 51: Inadvertent Power Relay, Courtesy Lamp Relay
Cell 51: Inadvertent Power Relay, Courtesy Lamp Relay
Cell 51: Inadvertent Power Relay, Courtesy Lamp Relay
Body Control Module Components
Body Control System Circuit Description
Cell 51: Turn Signals, RAP Relay (uplevel only)
Cell 51: Head Lights
Handling ESD Sensitive Parts Notice
Handling ESD Sensitive Parts Notice
Power Distribution Schematics
Interior Lights Schematics
Interior Lights Schematics
Interior Lights Schematics
Ground Distribution Schematics
Interior Lights Schematics
Ground Distribution Schematics