GM Service Manual Online
For 1990-2009 cars only
Makes
🢒
Chevrolet
🢒
1999
🢒
Chevy C Silverado - 2WD
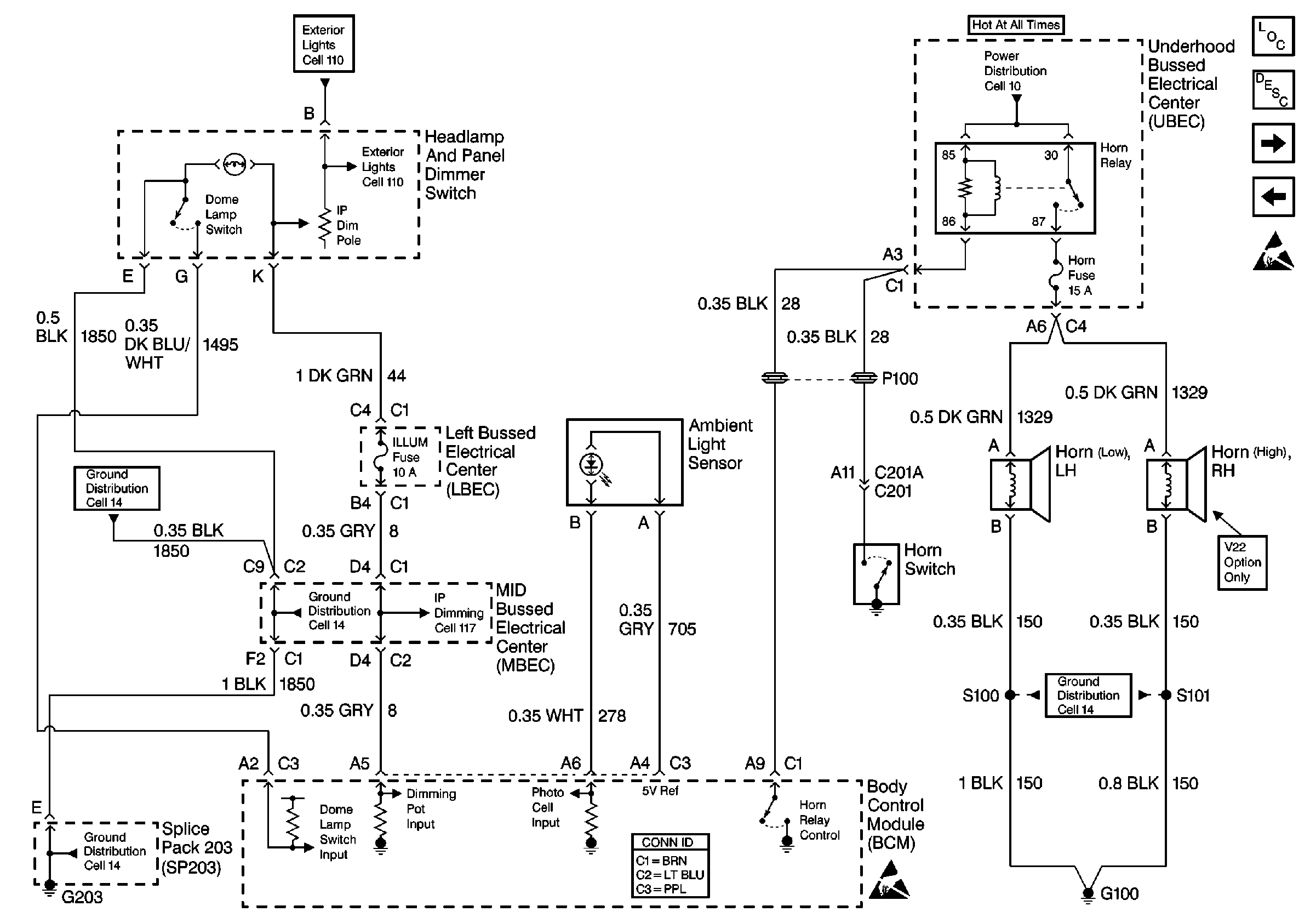
🢒 Cell 51: Horns, Dome Lamps, IP Dimming, Ambient Light Sensor
Cell 51: Horns, Dome Lamps, IP Dimming, Ambient Light Sensor
Cell 51: Horns, Dome Lamps, IP Dimming, Ambient Light Sensor
Body Control Module Components
Body Control System Circuit Description
Cell 51: Head Lights
Park Lamps Control
Handling ESD Sensitive Parts Notice
Handling ESD Sensitive Parts Notice
Exterior Lights Schematics
Power Distribution Schematics
Interior Lights Dimming Schematics
Ground Distribution Schematics
Exterior Lights Schematics
Ground Distribution Schematics
Ground Distribution Schematics
Ground Distribution Schematics