GM Service Manual Online
For 1990-2009 cars only

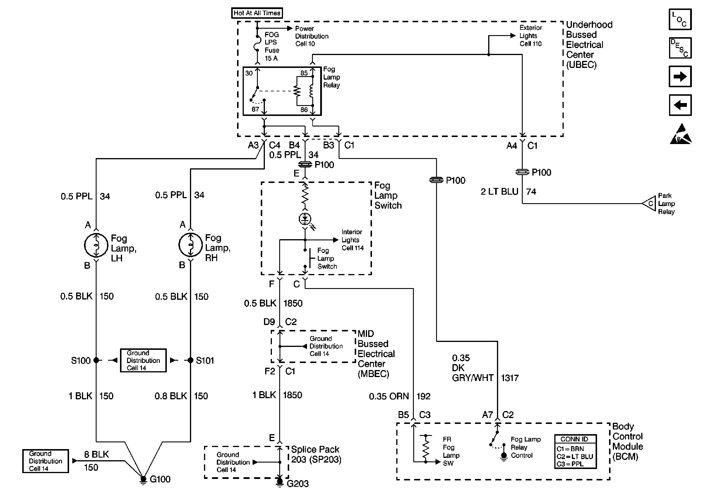
For a full page schematic, refer to

Cell 51: Fog Lamps System


Object Number: 294394  Size: FS
Body Control Module Components
Body Control System Circuit Description
Park Lamps Control
Cell 51: Serial Data, DRL
Handling ESD Sensitive Parts Notice
Power Distribution Schematics
Exterior Lights Schematics
Interior Lights Schematics
Ground Distribution Schematics
Ground Distribution Schematics
Ground Distribution Schematics
Ground Distribution Schematics
Park Lamps Control
in Body Control Module Schematics.

Circuit Description

The body control module (BCM) monitors CKT 192 in order to determine when the fog lamp relay is to be energized. When the BCM senses CKT 192 low momentarily by pressing the fog lamp switch, the BCM energizes the fog lamp relay by grounding CKT 1317.

Conditions for Setting the DTC

    •  When CKT 192 is shorted to ground for approximately 3 minutes.
    • The system voltage must be between 9.0-16.0 volts.

Action Taken When the DTC Sets

The fog lamps will not operate.

Conditions for Clearing the MIL/DTC

    • This DTC will clear immediately after the condition for setting the fault is corrected.
    • A history DTC will clear after 100 consecutive ignition cycles without a fault present.
    • Use a scan tool in order to clear the history and current DTCs.

Diagnostic Aids

    • Always diagnose the first DTC listed on the scan tool.
    • The scan tool must display DTC B2527 as a current code before performing diagnostics.
    • Test the fog lamp switch for sticking in the ON position.
    • Perform a visual inspection for loose or poor connections at all related components
    • Refer to Intermittents and Poor Connections in Wiring Systems.

Test Description

Step number(s) below refer to the same step number(s) in the Diagnostic Table

  1. This step determines if the BCM is defective. By disconnecting the BCM connector, other DTCs will be set.

  2. This step determines if CKT 192 is shorted to ground or if the fog/cargo lamp switch is defective.

Step

Action

Value(s)

Yes

No

1

Was the BCM Diagnostic System Check performed?

--

Go to Step 2

Go to Diagnostic System Check - Body Control System

2

  1. With a scan tool, monitor the current DTCs.
  2. Disconnect the purple BCM (C3) connector.

Does the scan tool display B2527 as a current DTC?

--

Go to Step 6

Go to Step 3

3

  1. Disconnect the fog lamp switch connector.
  2. Connect a test lamp to B+ and backprobe in order to prevent damage to the terminal, CKT 192 (ORN) cavity B5 of the PPL BCM C3 connector.

Does the test lamp light?

--

Go to Step 4

Go to Step 5

4

Locate and repair the short to ground in CKT 192 (ORN) between the fog lamp switch and the BCM.

Is the repair complete?

--

Go to Step 7

--

5

Replace the fog lamp switch.

Is the repair complete?

--

Go to Step 7

--

6

  1. Replace BCM. Refer to Body Control Module Replacement .
  2. Program BCM with the proper calibrations. Refer to Body Control Module (BCM) Programming/RPO Configuration .
  3. Perform the learn procedure.

Is the repair complete?

--

System OK

--

7

Clear the DTCs. Refer to Clearing DTCs .

Is the action complete?

--

System OK

--