GM Service Manual Online
For 1990-2009 cars only
Makes
🢒
Chevrolet
🢒
2000
🢒
Chevy C Silverado - 2WD
🢒
Engine
🢒
Engine Electrical
🢒 Starting and Charging Schematics
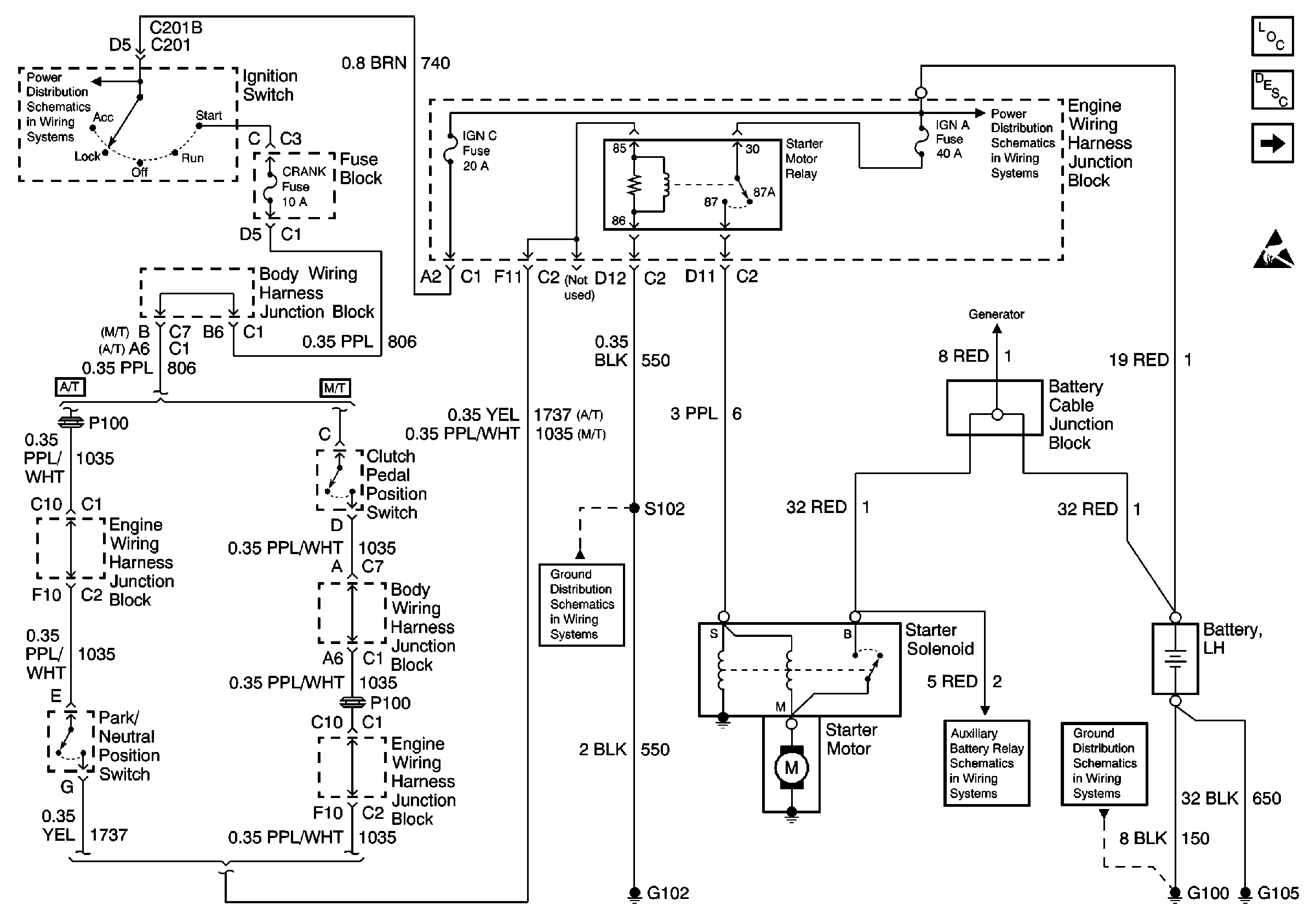
Figure
1:
IGN Switch, Starter Motor
Engine Electrical Components
Starting System Circuit Description
Gen, G103, IPC, IGN1 Fuse
Handling ESD Sensitive Parts Notice
Power Distribution Schematics
Power Distribution Schematics
Ground Distribution Schematics
Auxiliary Battery Schematics
Ground Distribution Schematics
Figure
2:
Gen, G103, IPC, IGN1 Fuse
Engine Electrical Components
Starting System Circuit Description
IGN Switch, Starter Motor
Handling ESD Sensitive Parts Notice
Power Distribution Schematics
Power Distribution Schematics
Instrument Cluster: Analog Schematics
Ground Distribution Schematics
Ground Distribution Schematics
Ground Distribution Schematics
Ground Distribution Schematics
Data Link Connector Schematics
Auxiliary Battery Schematics
Power Distribution Schematics