GM Service Manual Online
For 1990-2009 cars only

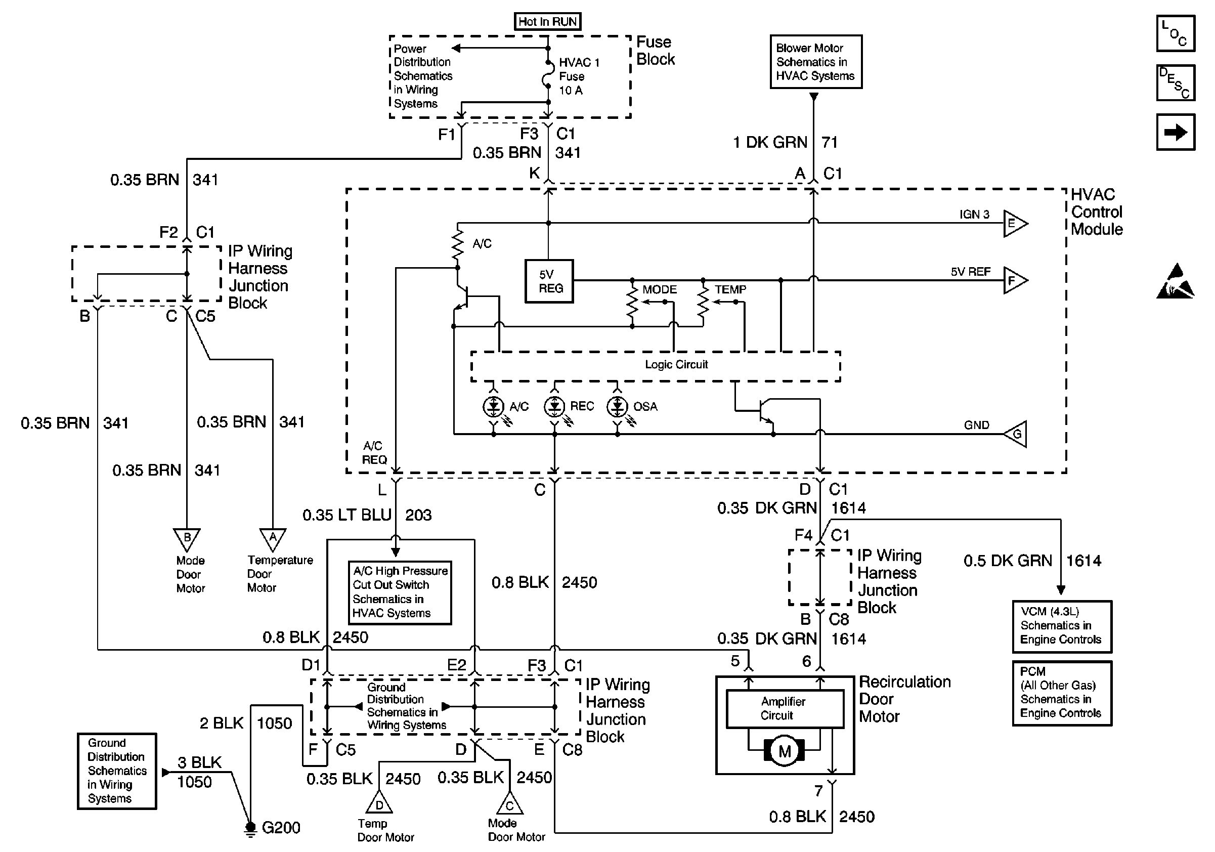
HVAC Air Delivery/Temperature Control Schematics Base Pickup

Figure 1:

HVAC Control, Recirculation Door Motor, (Base, P/U Only)


Object Number: 508788  Size: FS
Handling ESD Sensitive Parts Notice
HVAC Components
HVAC Air Delivery/Temperature Control Circuit Description Pickup
Mode and Temp Door Motors, HVAC Control - Base, P/U Only
Mode and Temp Door Motors, HVAC Control - Base, P/U Only
Mode and Temp Door Motors, HVAC Control - Base, P/U Only
Mode and Temp Door Motors, HVAC Control - Base, P/U Only
HVAC Blower Control Schematics Manual with A/C
Power Distribution Schematics
Mode and Temp Door Motors, HVAC Control - Base, P/U Only
Mode and Temp Door Motors, HVAC Control - Base, P/U Only
Ground Distribution Schematics
Ground Distribution Schematics
Mode and Temp Door Motors, HVAC Control - Base, P/U Only
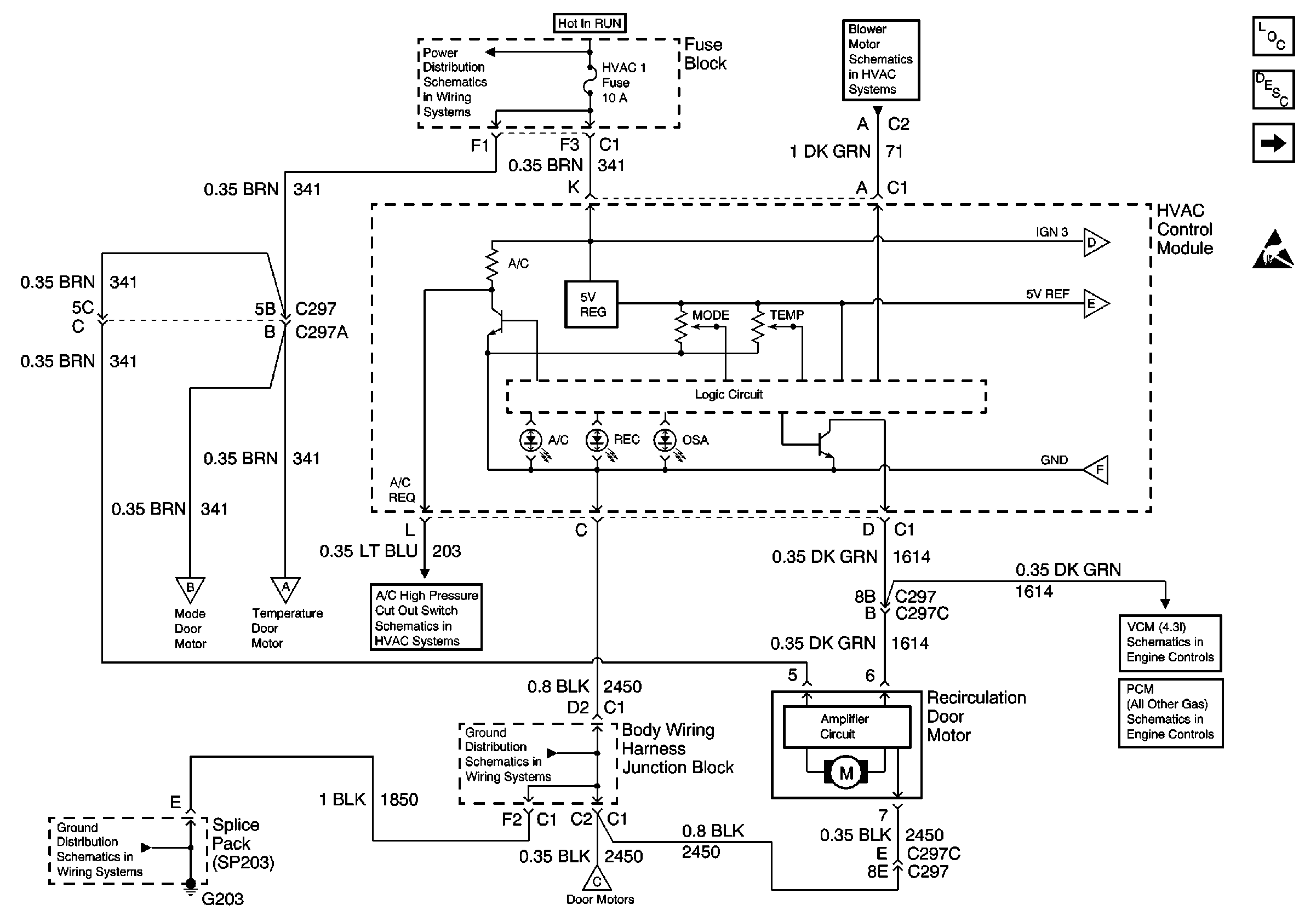
Figure 2:

Mode and Temp Door Motors, HVAC Control -- Base, P/U Only


Object Number: 508819  Size: FS
HVAC Control, Recirculation Door Motor, (Base, P/U Only)
HVAC Control, Recirculation Door Motor, (Base, P/U Only)
HVAC Control, Recirculation Door Motor, (Base, P/U Only)
HVAC Control, Recirculation Door Motor, (Base, P/U Only)
HVAC Control, Recirculation Door Motor, (Base, P/U Only)
HVAC Control, Recirculation Door Motor, (Base, P/U Only)
Interior Lights Dimming Schematics Pickup
Defogger Schematics Pick-up
HVAC Components
HVAC Air Delivery/Temperature Control Circuit Description Pickup
HVAC Control, Recirculation Door Motor, (Base, P/U Only)
Handling ESD Sensitive Parts Notice

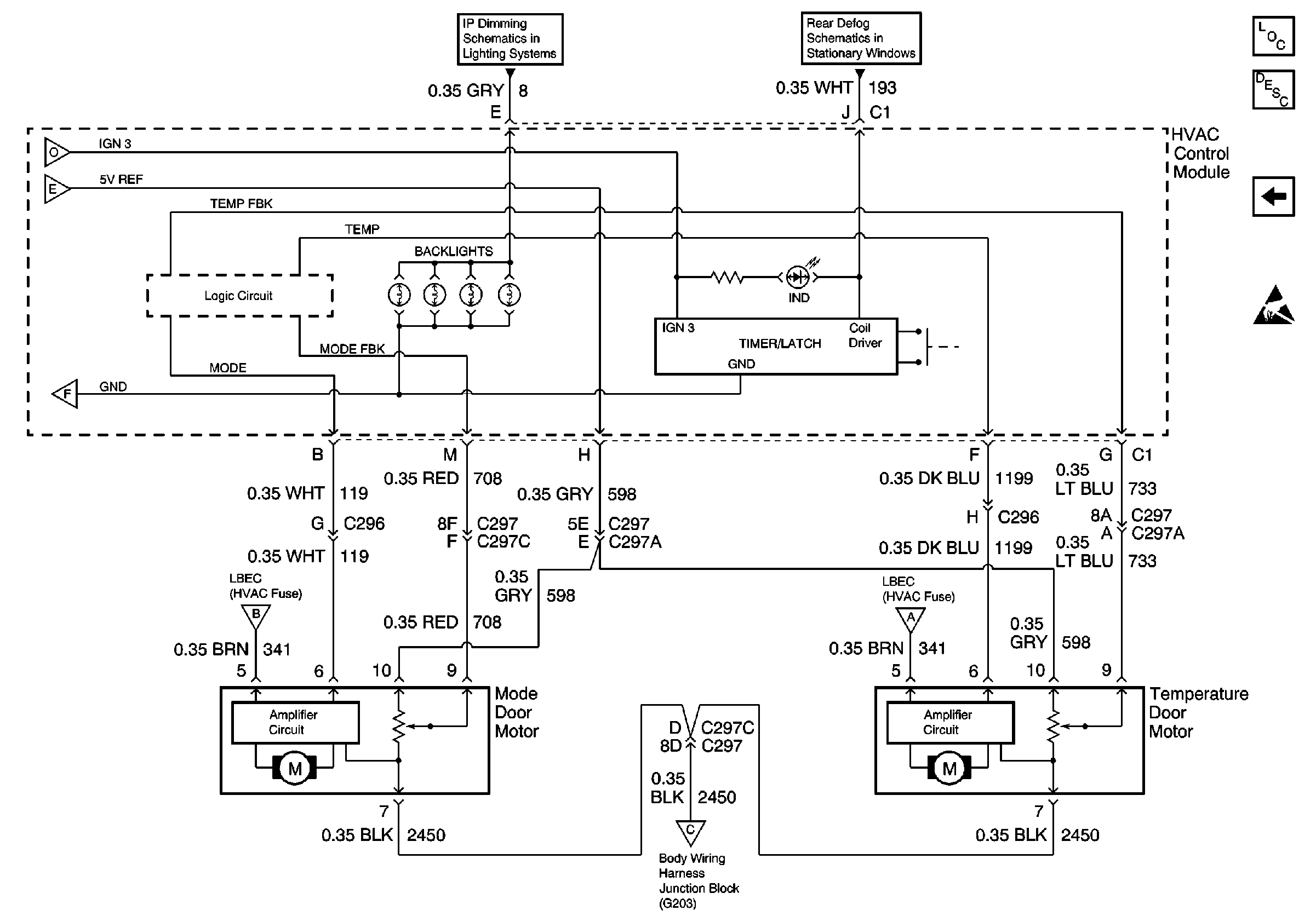
HVAC Air Delivery/Temperature Control Schematics Uplevel Pickup, and Utilities

Figure 1:

HVAC Control, Recirculation Door Motor, (Uplevel P/U and 4DR)


Object Number: 508856  Size: FS
HVAC Components
HVAC Air Delivery/Temperature Control Circuit Description Pickup
Temp and Mode Door Motors, HVAC Control (Uplevel P/U and Utilities)
Handling ESD Sensitive Parts Notice
HVAC Blower Control Schematics Manual with A/C
Power Distribution Schematics
Temp and Mode Door Motors, HVAC Control (Uplevel P/U and Utilities)
Temp and Mode Door Motors, HVAC Control (Uplevel P/U and Utilities)
Temp and Mode Door Motors, HVAC Control (Uplevel P/U and Utilities)
Temp and Mode Door Motors, HVAC Control (Uplevel P/U and Utilities)
Temp and Mode Door Motors, HVAC Control (Uplevel P/U and Utilities)
Temp and Mode Door Motors, HVAC Control (Uplevel P/U and Utilities)
Temp and Mode Door Motors, HVAC Control (Uplevel P/U and Utilities)
Figure 2:

Temp and Mode Door Motors, HVAC Control (Uplevel P/U and Utilities)


Object Number: 508878  Size: FS
HVAC Components
HVAC Air Delivery/Temperature Control Circuit Description Pickup
HVAC Control, Recirculation Door Motor, (Uplevel P/U and 4DR)
Handling ESD Sensitive Parts Notice
HVAC Control, Recirculation Door Motor, (Uplevel P/U and 4DR)
HVAC Control, Recirculation Door Motor, (Uplevel P/U and 4DR)
HVAC Control, Recirculation Door Motor, (Uplevel P/U and 4DR)
HVAC Control, Recirculation Door Motor, (Uplevel P/U and 4DR)
HVAC Control, Recirculation Door Motor, (Uplevel P/U and 4DR)
HVAC Control, Recirculation Door Motor, (Uplevel P/U and 4DR)
Interior Lights Dimming Schematics Pickup
Defogger Schematics Pick-up
HVAC Control, Recirculation Door Motor, (Uplevel P/U and 4DR)