GM Service Manual Online
For 1990-2009 cars only

Interior Lights Dimming Schematics Pickup

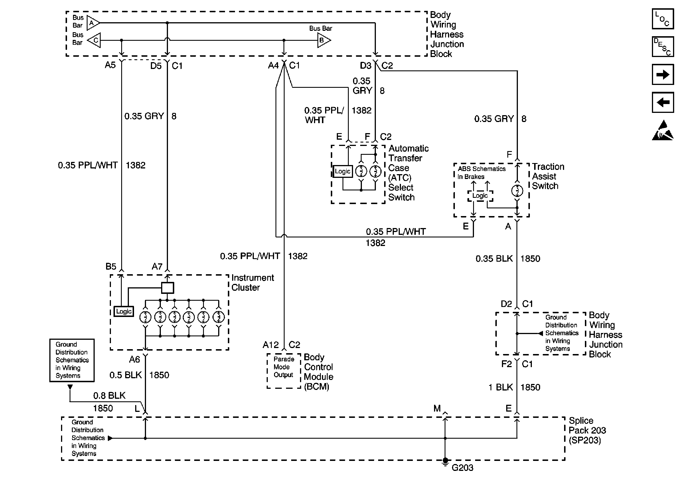
Figure 1:

BCM, Park Relay, SR Switch, Fog/Cargo Lamp Switch, Traction Assist Switch


Object Number: 522134  Size: FS
Lighting Systems Components
Interior Lights Circuit Description
ATC Switch, HVAC, IP, BCM, Radio, G200, G203
Handling ESD Sensitive Parts Notice
Ground Distribution Schematics
Exterior Lights Schematics
Power Distribution Schematics
Interior Lights Schematics Base Pickup
Exterior Lights Schematics
Ground Distribution Schematics
Ground Distribution Schematics
Ground Distribution Schematics
ATC Switch, HVAC, IP, BCM, Radio, G200, G203
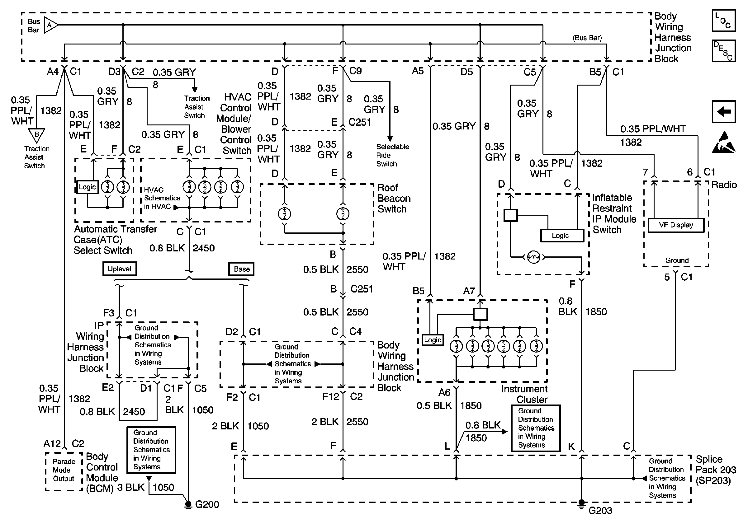
Figure 2:

ATC Switch, HVAC, IP, BCM, Radio, G200, G203


Object Number: 522139  Size: FS
BCM, Park Relay, SR Switch, Fog/Cargo Lamp Switch, Traction Assist Switch
Ground Distribution Schematics
Ground Distribution Schematics
Ground Distribution Schematics
Ground Distribution Schematics
Lighting Systems Components
Interior Lights Circuit Description
BCM, Park Relay, SR Switch, Fog/Cargo Lamp Switch, Traction Assist Switch
Handling ESD Sensitive Parts Notice
Ground Distribution Schematics

Interior Lights Dimming Schematics Utilities

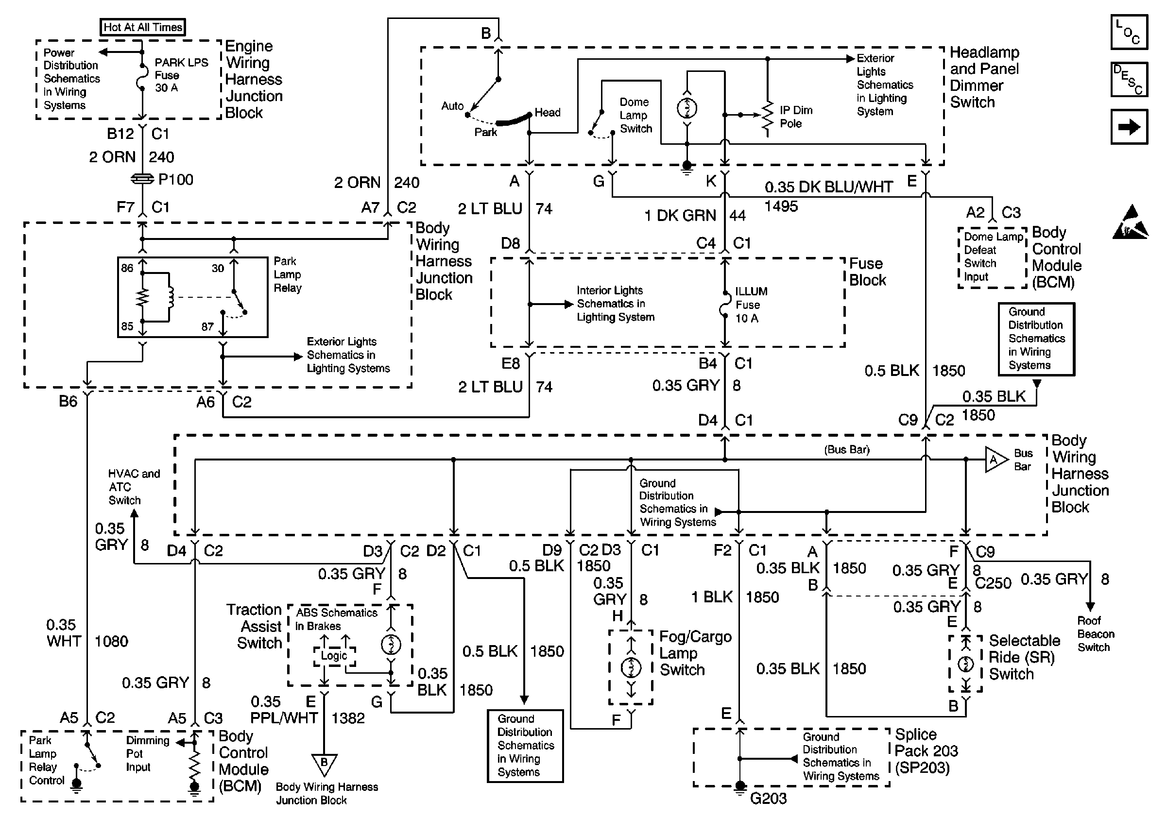
Figure 1:

Park Lamp Relay, BCM, DIC, SR Switch, G103, Suspension Control Switch


Object Number: 522149  Size: FS
Power Distribution Schematics
Exterior Lights Schematics
Ground Distribution Schematics
Ground Distribution Schematics
Ground Distribution Schematics
Ground Distribution Schematics
BCM, ATC Switch, Traction Assist Switch, G203
BCM, ATC Switch, Traction Assist Switch, G203
Ground Distribution Schematics
Interior Lights Schematics Base Pickup
Radio, HVAC-Front and Rear Switch, G200, G203
Lighting Systems Components
Interior Lights Circuit Description
BCM, ATC Switch, Traction Assist Switch, G203
Handling ESD Sensitive Parts Notice
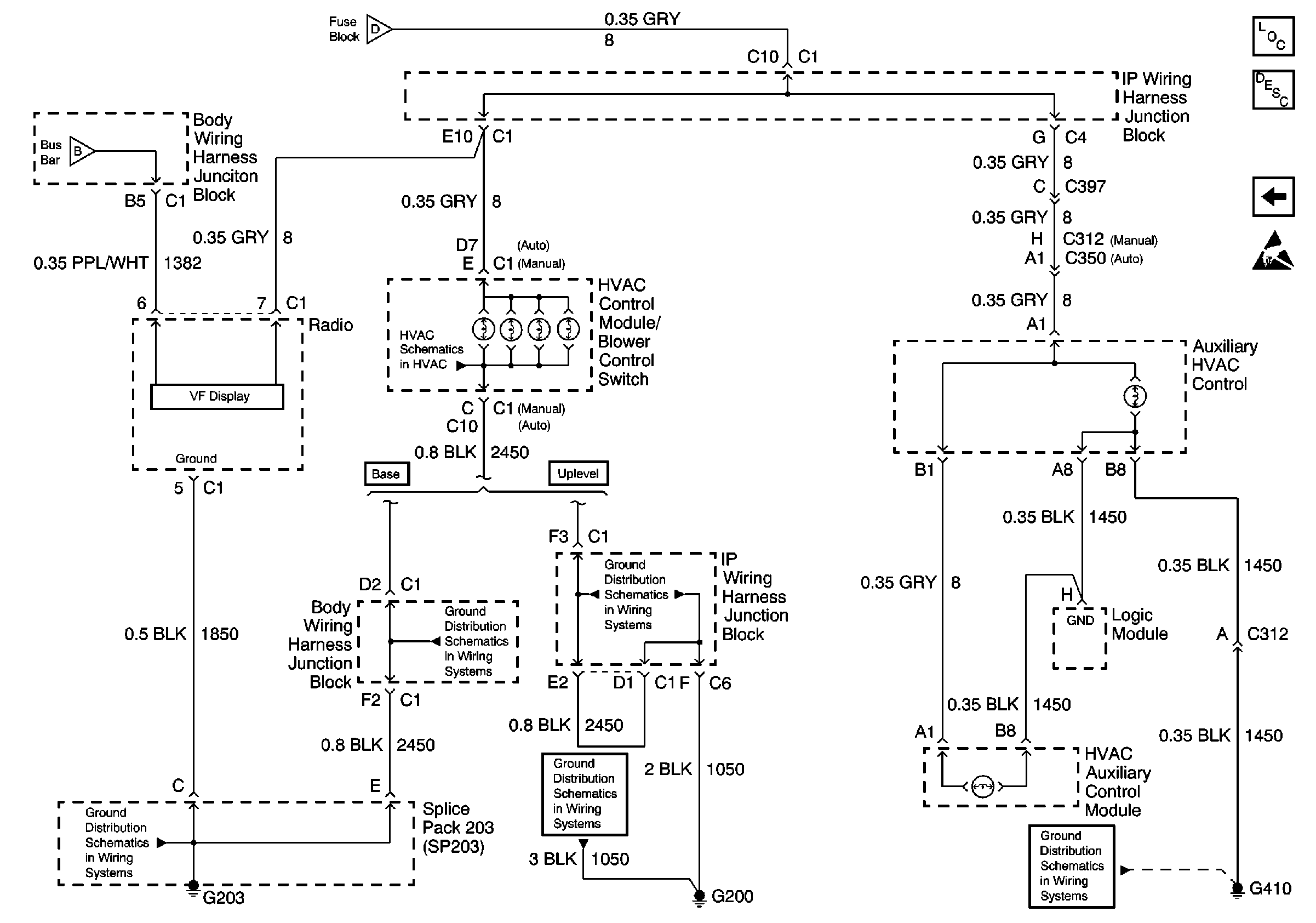
Figure 2:

BCM, ATC Switch, Traction Assist Switch, G203


Object Number: 522150  Size: FS
Lighting Systems Components
Interior Lights Circuit Description
Radio, HVAC-Front and Rear Switch, G200, G203
Park Lamp Relay, BCM, DIC, SR Switch, G103, Suspension Control Switch
Handling ESD Sensitive Parts Notice
Park Lamp Relay, BCM, DIC, SR Switch, G103, Suspension Control Switch
Park Lamp Relay, BCM, DIC, SR Switch, G103, Suspension Control Switch
Park Lamp Relay, BCM, DIC, SR Switch, G103, Suspension Control Switch
Ground Distribution Schematics
Ground Distribution Schematics
Ground Distribution Schematics
Figure 3:

Radio, HVAC-Front and Rear Switch, G200, G203


Object Number: 522152  Size: FS
BCM, ATC Switch, Traction Assist Switch, G203
Park Lamp Relay, BCM, DIC, SR Switch, G103, Suspension Control Switch
Ground Distribution Schematics
Ground Distribution Schematics
Ground Distribution Schematics
Ground Distribution Schematics
Ground Distribution Schematics
Lighting Systems Components
Interior Lights Circuit Description
BCM, ATC Switch, Traction Assist Switch, G203
Handling ESD Sensitive Parts Notice