GM Service Manual Online
For 1990-2009 cars only
Makes
🢒
Chevrolet
🢒
2000
🢒
Chevy C Silverado - 2WD
🢒
Restraints
🢒
SIR
🢒 SIR Schematics
SIR Schematics Utilities
Figure
1:
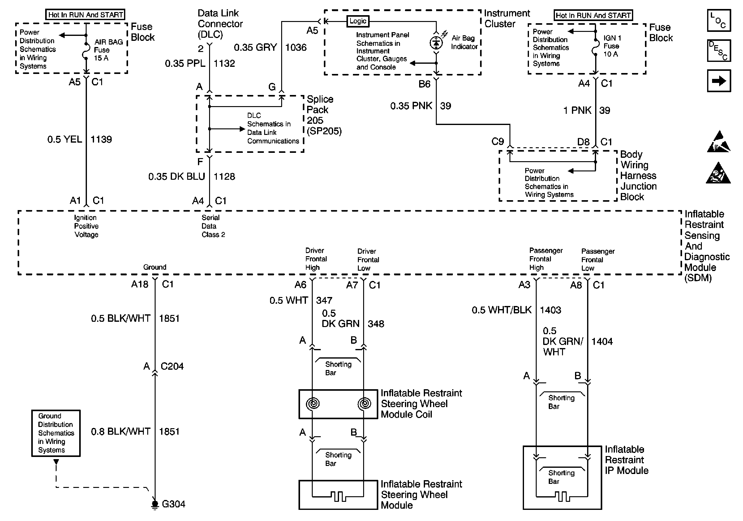
DLC, Fuse Block, Discrim Sensor Diag. Module
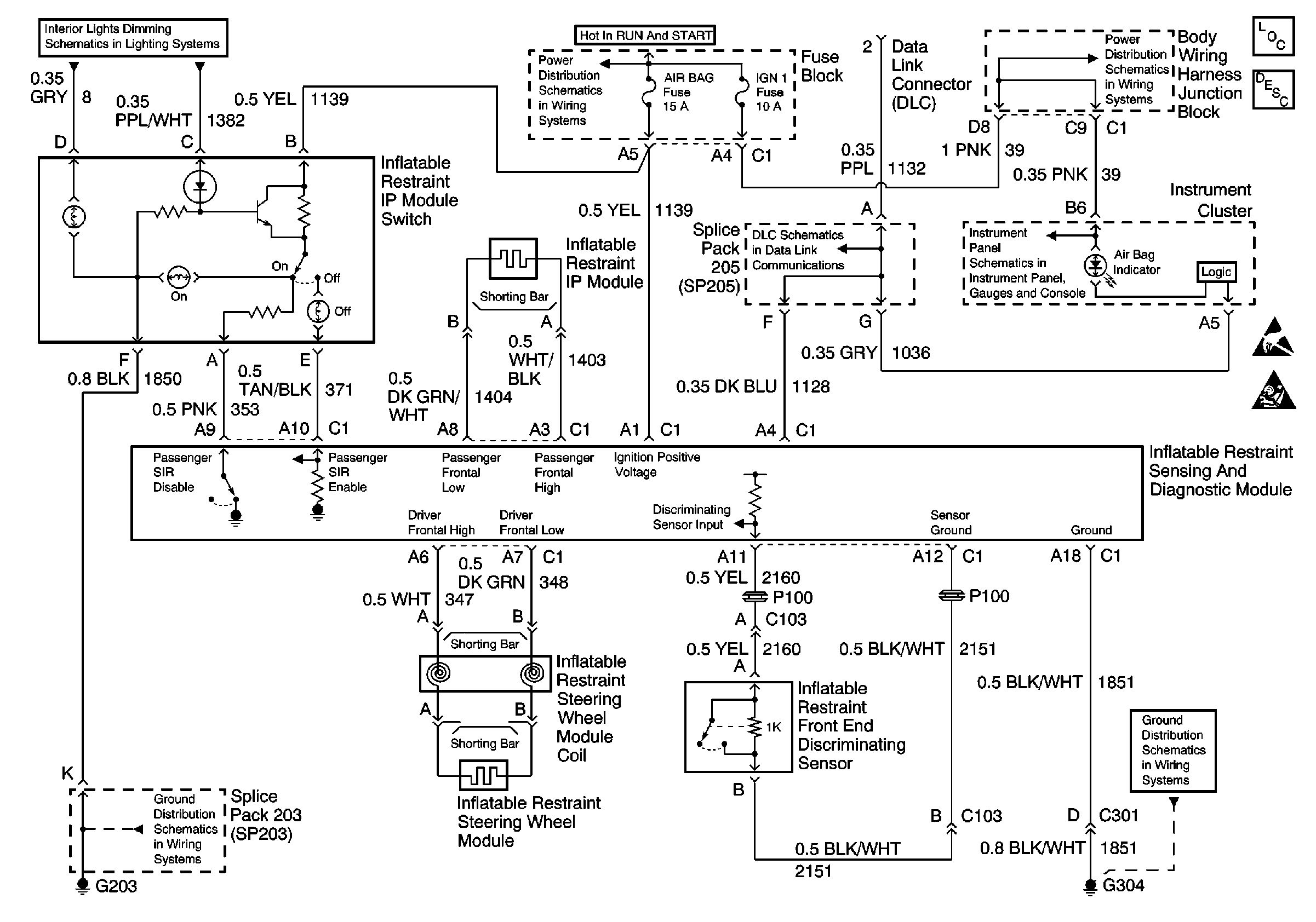
SIR Components
SIR System Operation
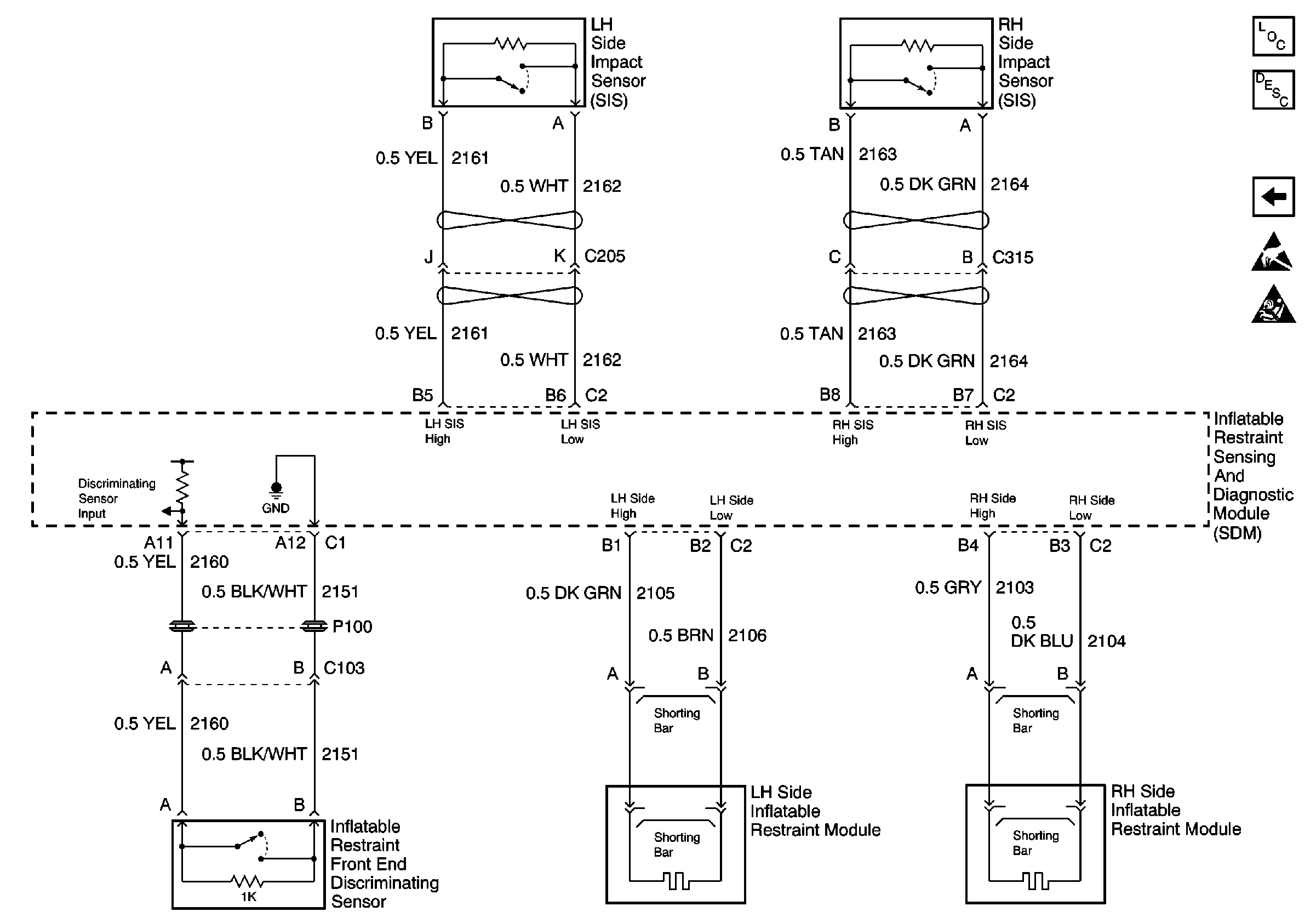
Side Impact Sensors, Diag. Module, Side Bags
Handling ESD Sensitive Parts Notice
SIR Handling Caution
Power Distribution Schematics
Power Distribution Schematics
Instrument Cluster: Analog Schematics
Data Link Connector Schematics
Power Distribution Schematics
Figure
2:
Side Impact Sensors, Diag. Module, Side Bags
SIR Components
SIR System Operation
DLC, Fuse Block, Discrim Sensor Diag. Module
Handling ESD Sensitive Parts Notice
SIR Handling Caution
SIR Schematics Pickup
SIR Components
SIR System Component Description and Definitions
Handling ESD Sensitive Parts Notice
SIR Handling Caution
Ground Distribution Schematics
Ground Distribution Schematics
Power Distribution Schematics
Data Link Connector Schematics
Instrument Cluster: Analog Schematics
Power Distribution Schematics
Interior Lights Dimming Schematics Pickup