GM Service Manual Online
For 1990-2009 cars only
Figure 1:

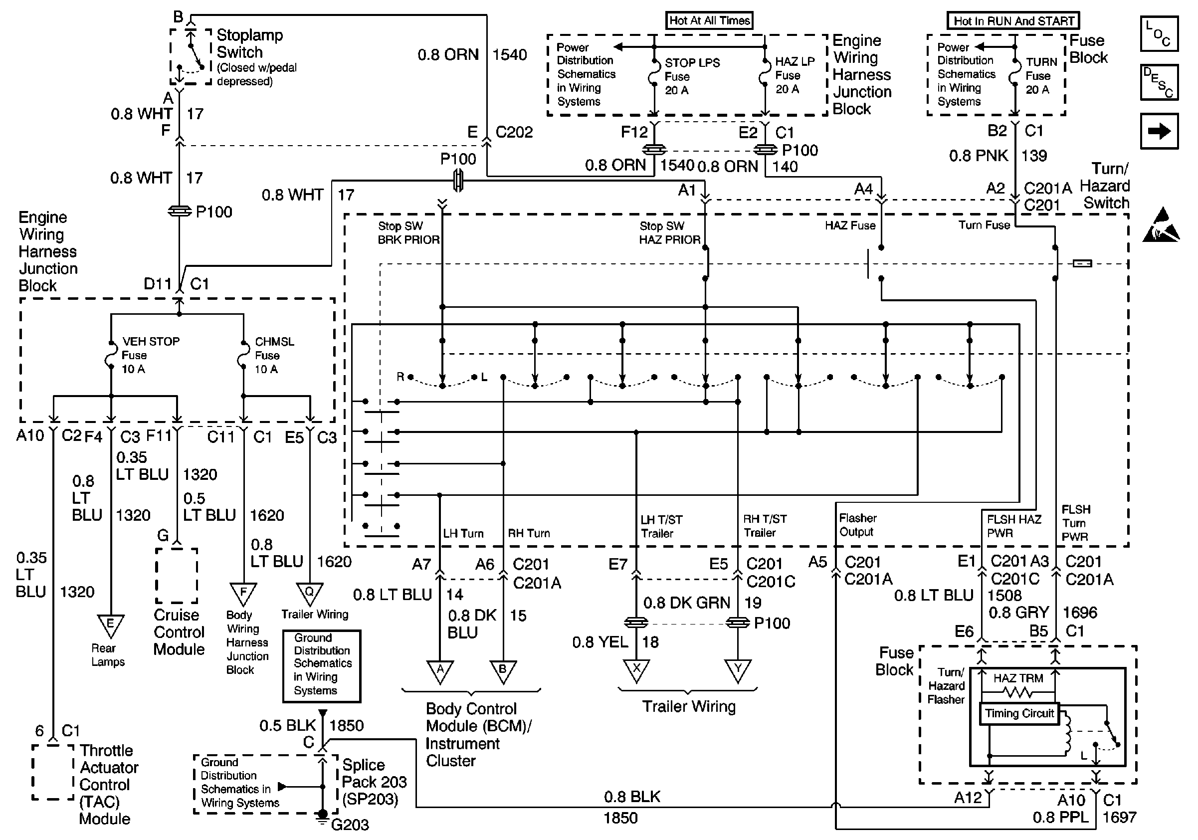
Stop LPS and Turn Fuse, Turn/Hazard, Flasher, Stoplamp Switch


Object Number: 519078  Size: FS
Power Distribution Schematics
Power Distribution Schematics
Lighting Systems Components
Exterior Lights Circuit Description
Front and Rear Turn and Park Lamps, BCM, IPC, LT Turn and RT Turn Fuse
Handling ESD Sensitive Parts Notice
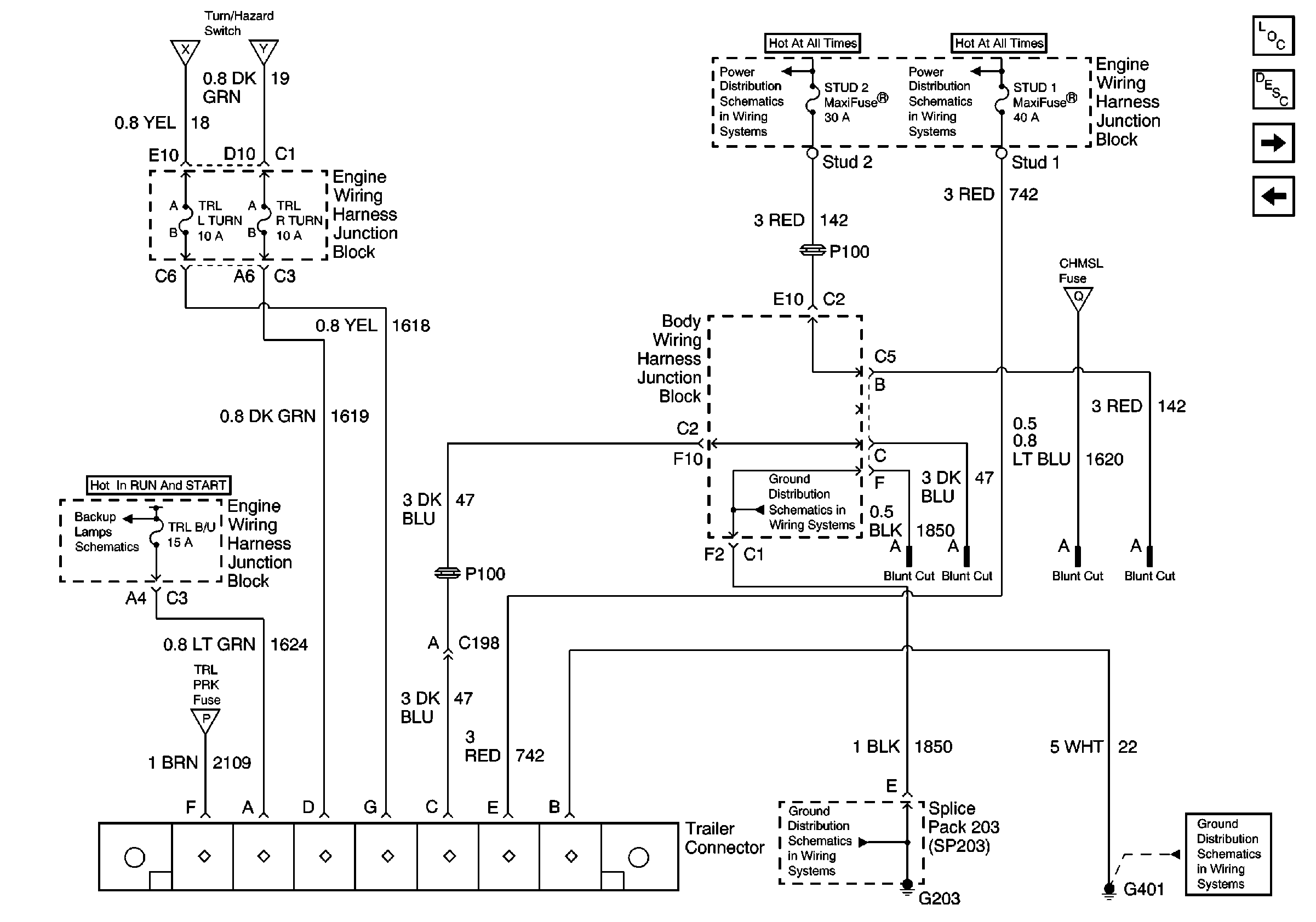
Light Duty Trailer Wiring, G401
Light Duty Trailer Wiring, G401
Front and Rear Turn and Park Lamps, BCM, IPC, LT Turn and RT Turn Fuse
Front and Rear Turn and Park Lamps, BCM, IPC, LT Turn and RT Turn Fuse
LH, RH, License Lamps, LH, RH Tail/Stop Lamps, CHMSL - Pickup
LH, RH, License Lamps, LH, RH Tail/Stop Lamps, CHMSL - Pickup
LH, RH, License Lamps, LH, RH Tail/Stop Lamps, CHMSL - Pickup
Ground Distribution Schematics
Ground Distribution Schematics
Figure 2:

Front and Rear Turn and Park Lamps, BCM, IPC, LT Turn and RT Turn Fuse


Object Number: 519079  Size: FS
Stop LPS and Turn Fuse, Turn/Hazard, Flasher, Stoplamp Switch
Stop LPS and Turn Fuse, Turn/Hazard, Flasher, Stoplamp Switch
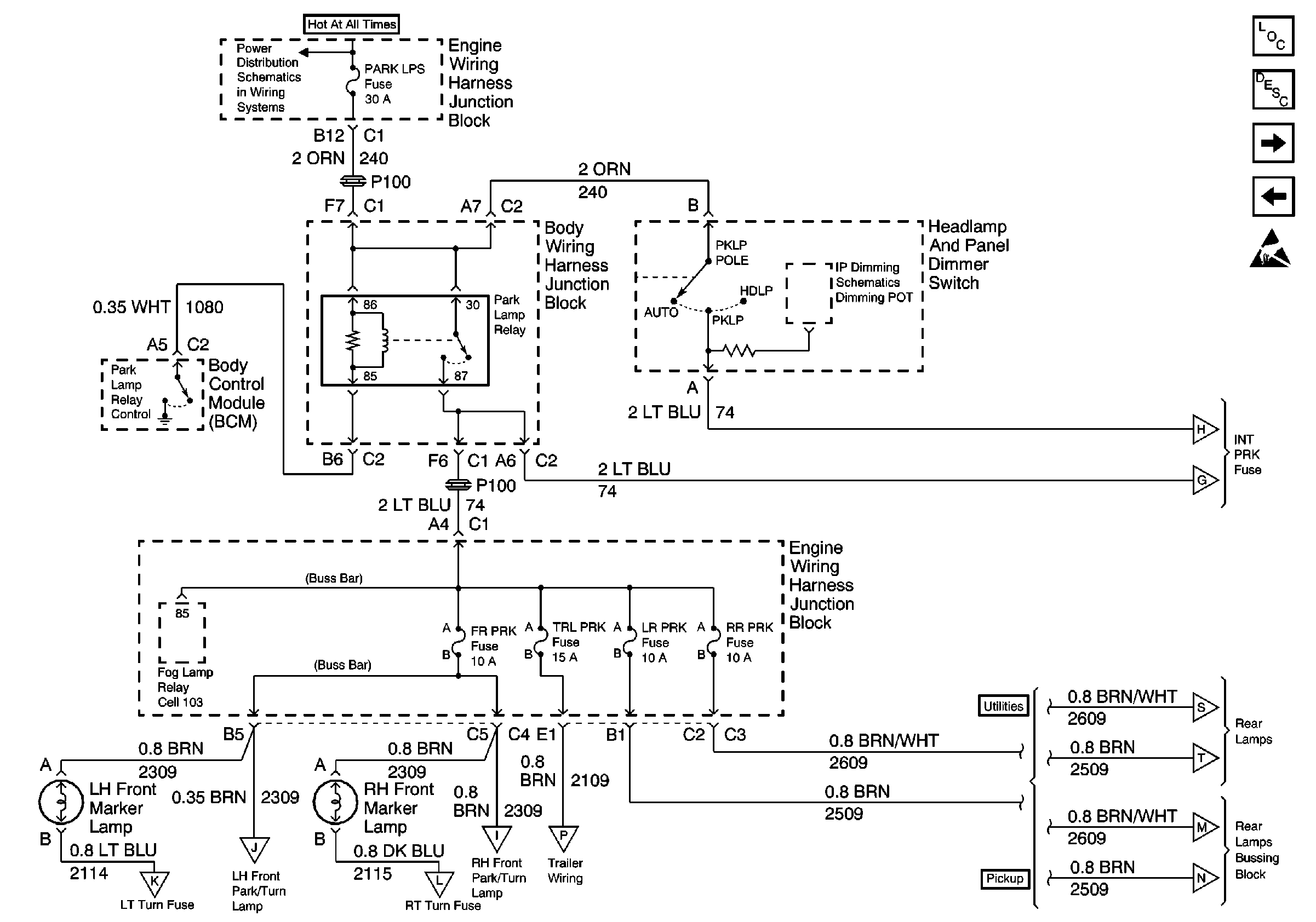
Park Lamp Relay, Front Marker Lamps, BCM
Park Lamp Relay, Front Marker Lamps, BCM
Rear Stop, Tail, Turn and License Lamps, G401- Utilities
Rear Stop, Tail, Turn and License Lamps, G401- Utilities
Park Lamp Relay, Front Marker Lamps, BCM
Park Lamp Relay, Front Marker Lamps, BCM
Lighting Systems Components
Exterior Lights Circuit Description
Park Lamp Relay, Front Marker Lamps, BCM
Stop LPS and Turn Fuse, Turn/Hazard, Flasher, Stoplamp Switch
Handling ESD Sensitive Parts Notice
Ground Distribution Schematics
Ground Distribution Schematics
Ground Distribution Schematics
Figure 3:

Park Lamp Relay, Front Marker Lamps, BCM


Object Number: 519080  Size: FS
Power Distribution Schematics
Front and Rear Turn and Park Lamps, BCM, IPC, LT Turn and RT Turn Fuse
Front and Rear Turn and Park Lamps, BCM, IPC, LT Turn and RT Turn Fuse
Front and Rear Turn and Park Lamps, BCM, IPC, LT Turn and RT Turn Fuse
Front and Rear Turn and Park Lamps, BCM, IPC, LT Turn and RT Turn Fuse
Light Duty Trailer Wiring, G401
Instrument Cluster: Analog Schematics
Lighting Systems Components
Exterior Lights Circuit Description
Roof Marker Lamps, Clearance Lamps, G200, BCM
Front and Rear Turn and Park Lamps, BCM, IPC, LT Turn and RT Turn Fuse
Handling ESD Sensitive Parts Notice
Roof Marker Lamps, Clearance Lamps, G200, BCM
Roof Marker Lamps, Clearance Lamps, G200, BCM
Rear Stop, Tail, Turn and License Lamps, G401- Utilities
Rear Stop, Tail, Turn and License Lamps, G401- Utilities
Rear Stop, Tail, Turn and License Lamps, G401- Utilities
Rear Stop, Tail, Turn and License Lamps, G401- Utilities
Figure 4:

Roof Marker Lamps, Clearance Lamps, G200, BCM


Object Number: 519081  Size: FS
Park Lamp Relay, Front Marker Lamps, BCM
Park Lamp Relay, Front Marker Lamps, BCM
Interior Lights Dimming Schematics Pickup
Interior Lights Dimming Schematics Pickup
Interior Lights Dimming Schematics Pickup
Interior Lights Dimming Schematics Pickup
Ground Distribution Schematics
Ground Distribution Schematics
Ground Distribution Schematics
Lighting Systems Components
Exterior Lights Circuit Description
LH, RH, License Lamps, LH, RH Tail/Stop Lamps, CHMSL - Pickup
Park Lamp Relay, Front Marker Lamps, BCM
Handling ESD Sensitive Parts Notice
Figure 5:

LH, RH, License Lamps, LH, RH Tail/Stop Lamps, CHMSL-- Pickup


Object Number: 519082  Size: FS
Park Lamp Relay, Front Marker Lamps, BCM
Park Lamp Relay, Front Marker Lamps, BCM
Stop LPS and Turn Fuse, Turn/Hazard, Flasher, Stoplamp Switch
Stop LPS and Turn Fuse, Turn/Hazard, Flasher, Stoplamp Switch
Rear Stop, Tail, Turn and License Lamps, G401- Utilities
Stop LPS and Turn Fuse, Turn/Hazard, Flasher, Stoplamp Switch
Ground Distribution Schematics
Ground Distribution Schematics
Ground Distribution Schematics
Ground Distribution Schematics
Lighting Systems Components
Exterior Lights Circuit Description
Rear Stop, Tail, Turn and License Lamps, G401- Utilities
Roof Marker Lamps, Clearance Lamps, G200, BCM
Ground Distribution Schematics
Ground Distribution Schematics
Figure 6:

Rear Stop, Tail, Turn and License Lamps, G401- Utilities


Object Number: 519083  Size: FS
Front and Rear Turn and Park Lamps, BCM, IPC, LT Turn and RT Turn Fuse
Park Lamp Relay, Front Marker Lamps, BCM
Park Lamp Relay, Front Marker Lamps, BCM
LH, RH, License Lamps, LH, RH Tail/Stop Lamps, CHMSL - Pickup
Ground Distribution Schematics
Ground Distribution Schematics
Lighting Systems Components
Exterior Lights Circuit Description
Puddle Lamp Relay, BCM, G200, LH and RH Puddle Lamps and G203
LH, RH, License Lamps, LH, RH Tail/Stop Lamps, CHMSL - Pickup
Front and Rear Turn and Park Lamps, BCM, IPC, LT Turn and RT Turn Fuse
Figure 7:

Puddle Lamp Relay, BCM, G200, LH and RH Puddle Lamps and G203


Object Number: 492520  Size: FS
Lighting Systems Components
Exterior Lights Circuit Description
BCM, G203, Cargo Lamp, CTSY LP Fuse, Inadvertent Power Relay
Rear Stop, Tail, Turn and License Lamps, G401- Utilities
Handling ESD Sensitive Parts Notice
Power Distribution Schematics
Power Distribution Schematics
Power Distribution Schematics
Ground Distribution Schematics
Ground Distribution Schematics
Ground Distribution Schematics
Ground Distribution Schematics
Outside Rearview Mirror Schematics
Outside Rearview Mirror Schematics
Power Window Schematics Pickup
Power Window Schematics Pickup
Figure 8:

BCM, G203, Cargo Lamp, CTSY LP Fuse, Inadvertent Power Relay


Object Number: 519084  Size: FS
Lighting Systems Components
Exterior Lights Circuit Description
Roof Beacon Switch and Relay, G203, G305
Puddle Lamp Relay, BCM, G200, LH and RH Puddle Lamps and G203
Handling ESD Sensitive Parts Notice
Power Distribution Schematics
Interior Lights Schematics Base Pickup
Interior Lights Schematics Base Pickup
Ground Distribution Schematics
Ground Distribution Schematics
Figure 9:

Roof Beacon Switch and Relay, G203, G305


Object Number: 519085  Size: FS
Power Distribution Schematics
Power Distribution Schematics
Interior Lights Dimming Schematics Pickup
Ground Distribution Schematics
Ground Distribution Schematics
Ground Distribution Schematics
Lighting Systems Components
Exterior Lights Circuit Description
Light Duty Trailer Wiring, G401
BCM, G203, Cargo Lamp, CTSY LP Fuse, Inadvertent Power Relay
Figure 10:

Light Duty Trailer Wiring, G401


Object Number: 519086  Size: FS
Park Lamp Relay, Front Marker Lamps, BCM
Stop LPS and Turn Fuse, Turn/Hazard, Flasher, Stoplamp Switch
Stop LPS and Turn Fuse, Turn/Hazard, Flasher, Stoplamp Switch
Ground Distribution Schematics
Lighting Systems Components
Exterior Lights Circuit Description
Heavy Duty Trailer Wiring, G203, G401, STUD 1 and 2 Fuses
Roof Beacon Switch and Relay, G203, G305
Figure 11:

Heavy Duty Trailer Wiring, G203, G401, STUD 1 and 2 Fuses


Object Number: 519087  Size: FS
Lighting Systems Components
Exterior Lights Circuit Description
Camper Wiring-Pickup Only
Light Duty Trailer Wiring, G401
Ground Distribution Schematics
Power Distribution Schematics
Power Distribution Schematics
Backup Lamp Schematics Pickup
Ground Distribution Schematics
Figure 12:

Camper Wiring-Pickup Only


Object Number: 519088  Size: FS
Lighting Systems Components
Exterior Lights Circuit Description