GM Service Manual Online
For 1990-2009 cars only
Makes
🢒
Chevrolet
🢒
2000
🢒
Chevy C Silverado - 2WD
🢒
Body and Accessories
🢒
Lighting Systems
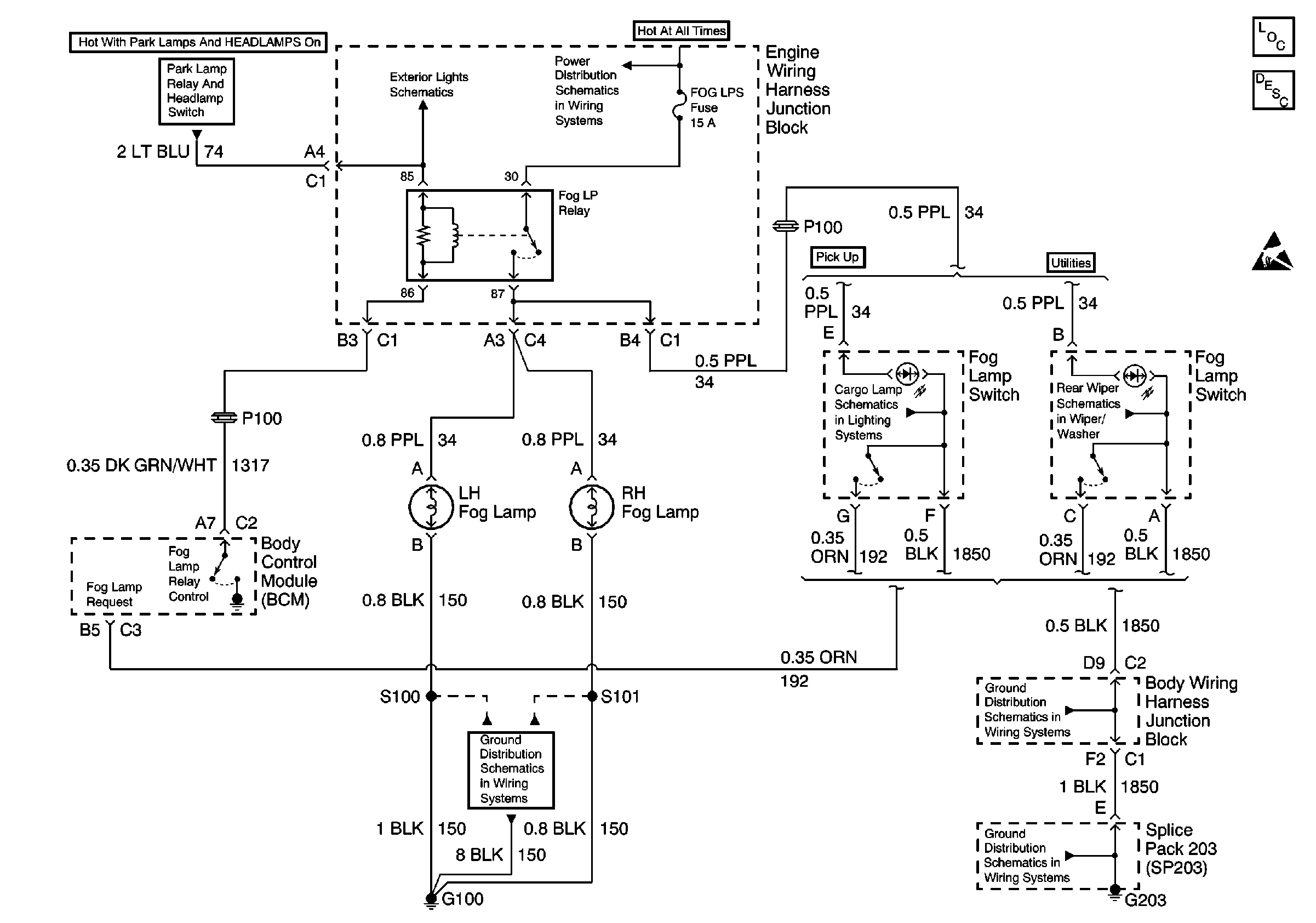
🢒 Fog Lights Schematics
BCM, G100, G203, Relay
Lighting Systems Components
Fog Lights Circuit Description
Handling ESD Sensitive Parts Notice
Power Distribution Schematics
Interior Lights Schematics Uplevel Pickup
Ground Distribution Schematics
Ground Distribution Schematics
Ground Distribution Schematics
Wiper/Washer System (Rear) Schematics
Exterior Lights Schematics