GM Service Manual Online
For 1990-2009 cars only
Makes
🢒
Chevrolet
🢒
2000
🢒
Chevy C Silverado - 2WD
🢒
Body and Accessories
🢒
Retained Accessory Power
🢒 Retained Accessory Power (RAP) Schematics
Retained Accessory Power (RAP) Schematics Pickup
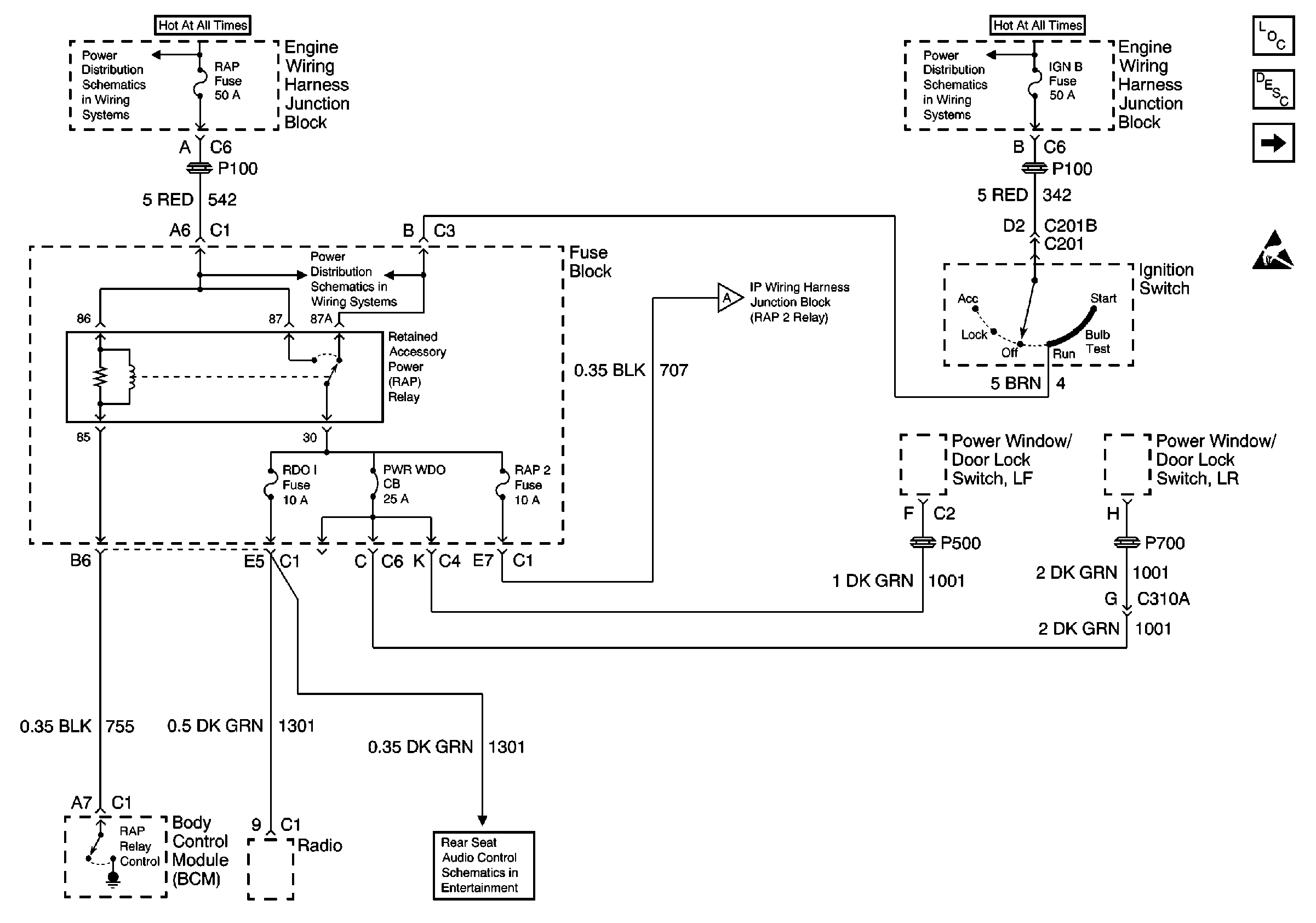
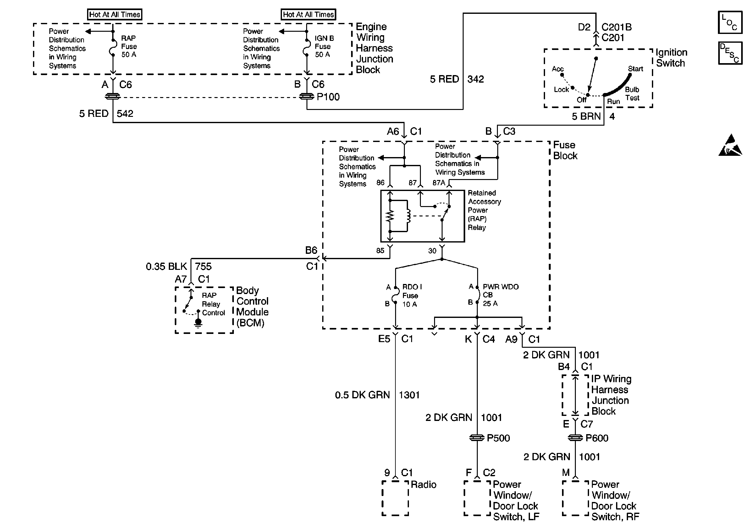
Radio, RAP Relay, Power Window Switch -- P/U Only
Power Distribution Schematics
Power Distribution Schematics
Power Distribution Schematics
Power Distribution Schematics
Retained Accessory Power (RAP) Components
Retained Accessory Power (RAP) Circuit Description
Handling ESD Sensitive Parts Notice
Retained Accessory Power (RAP) Schematics Utilities
Figure
1:
RAP Relay Radio, LR and LF Power Window Switch 4DR Only
Power Distribution Schematics
Power Distribution Schematics
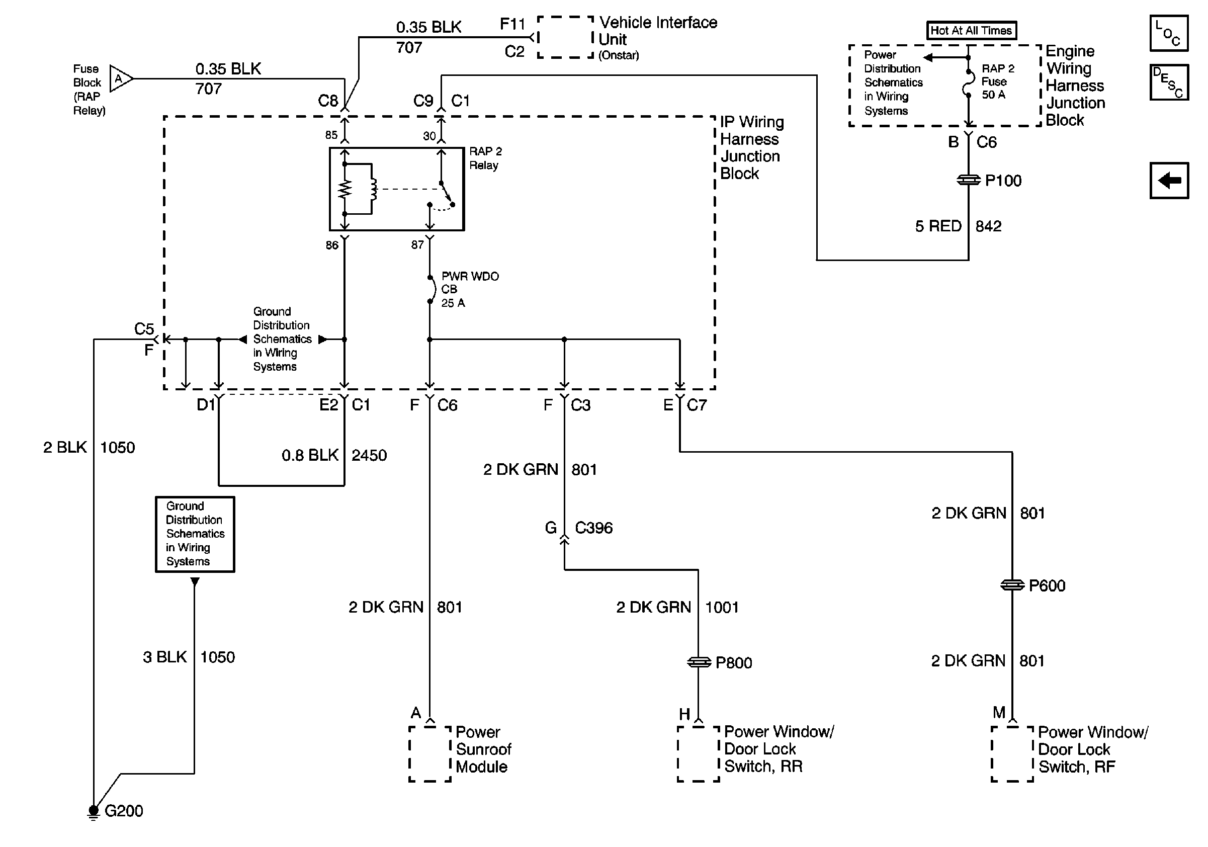
RAP2 Relay, G200, Power Sunroof Module, RR and RF Power Window Switch 4DR Only
Radio/Audio System Schematics Base Utilities
Power Distribution Schematics
Retained Accessory Power (RAP) Components
Retained Accessory Power (RAP) Circuit Description
RAP2 Relay, G200, Power Sunroof Module, RR and RF Power Window Switch 4DR Only
Handling ESD Sensitive Parts Notice
Figure
2:
RAP2 Relay, G200, Power Sunroof Module, RR and RF Power Window Switch 4DR Only
RAP Relay Radio, LR and LF Power Window Switch 4DR Only
Ground Distribution Schematics
Ground Distribution Schematics
Power Distribution Schematics
Retained Accessory Power (RAP) Components
Retained Accessory Power (RAP) Circuit Description
RAP Relay Radio, LR and LF Power Window Switch 4DR Only