GM Service Manual Online
For 1990-2009 cars only

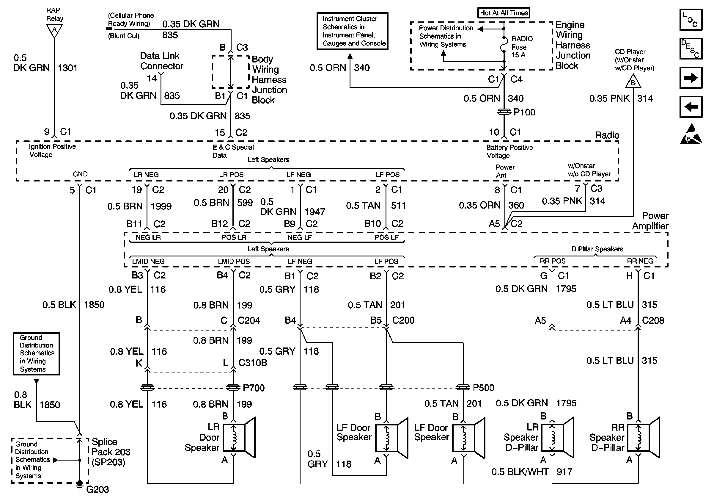
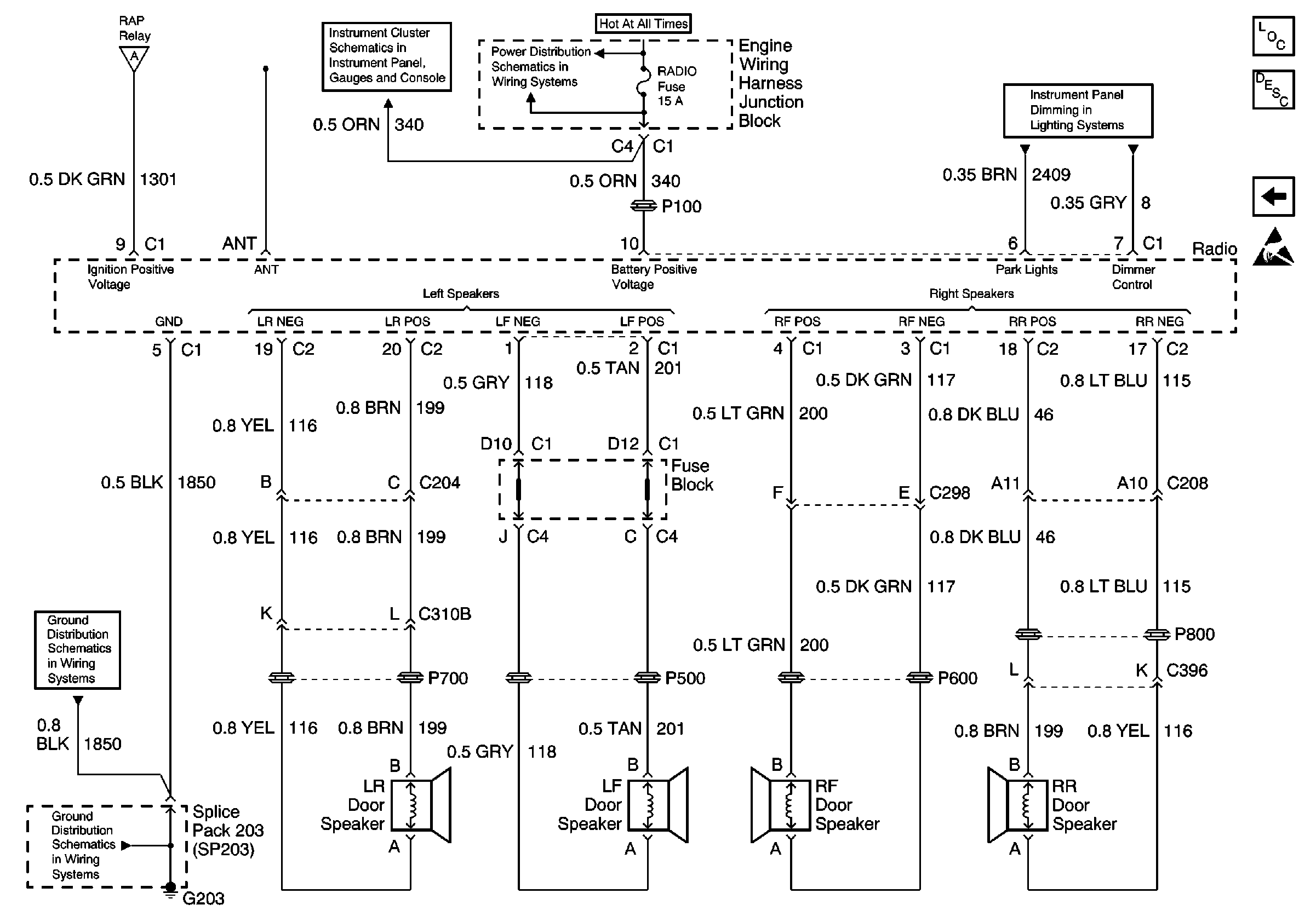
Radio/Audio System Schematics Base Pickup

Figure 1:

Radio/Audio System Schematics


Object Number: 522348  Size: FS
Entertainment Component Views
Radio/Audio System Circuit Description
Radio Fuse, Right, Left Speakers, G203
Handling ESD Sensitive Parts Notice
Power Distribution Schematics
Power Distribution Schematics
Power Distribution Schematics
Power Distribution Schematics
Retained Accessory Power (RAP) Schematics Pickup
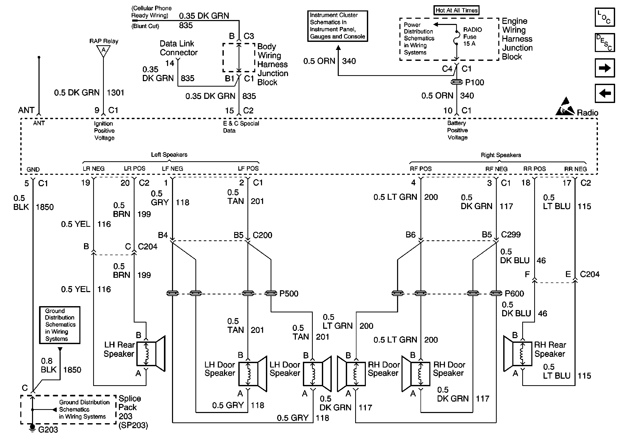
Radio, Rear Seat Audio, Radio Fuse, Splice Pack 203
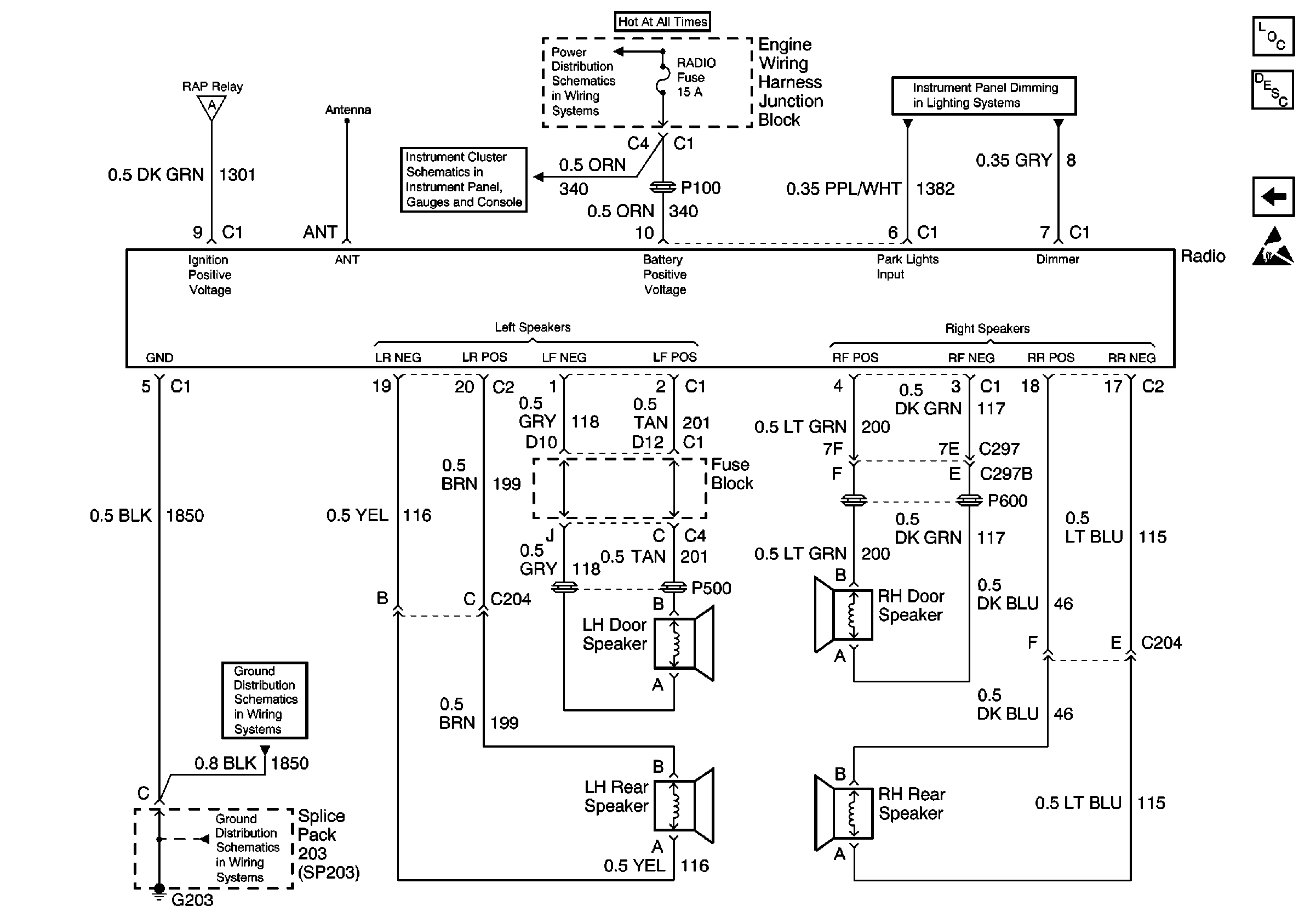
Radio Fuse, Right, Left Speakers, G203
Figure 2:

Radio Fuse, Right, Left Speakers, G203


Object Number: 522354  Size: FS
Entertainment Components
Radio/Audio System Circuit Description
Radio/Audio System Schematics
Handling ESD Sensitive Parts Notice
Radio/Audio System Schematics
Power Distribution Schematics
Instrument Cluster: Analog Schematics
Ground Distribution Schematics
Ground Distribution Schematics
Interior Lights Dimming Schematics Pickup

Radio/Audio System Schematics Uplevel Pickup

Figure 1:

Radio/Audio System Schematics


Object Number: 522348  Size: FS
Entertainment Component Views
Radio/Audio System Circuit Description
Radio Fuse, Door, Rear Speakers, G203
Handling ESD Sensitive Parts Notice
Power Distribution Schematics
Power Distribution Schematics
Power Distribution Schematics
Power Distribution Schematics
Retained Accessory Power (RAP) Schematics Pickup
Radio, Rear Seat Audio, Radio Fuse, Splice Pack 203
Radio Fuse, Door, Rear Speakers, G203
Figure 2:

Radio Fuse, Door, Rear Speakers, G203


Object Number: 522358  Size: FS
Instrument Cluster: Analog Schematics
Power Distribution Schematics
Entertainment Components
Radio/Audio System Circuit Description
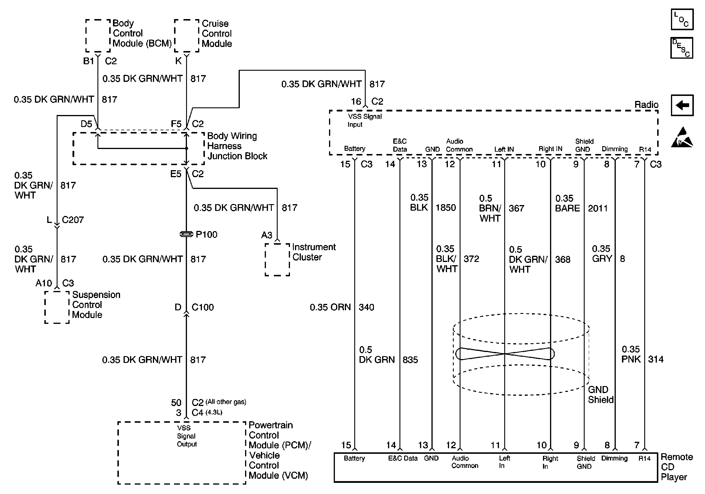
PCM/VCM, BCM, IPC, VSS, Remote CD
Radio/Audio System Schematics
Handling ESD Sensitive Parts Notice
Ground Distribution Schematics
Radio/Audio System Schematics
Ground Distribution Schematics
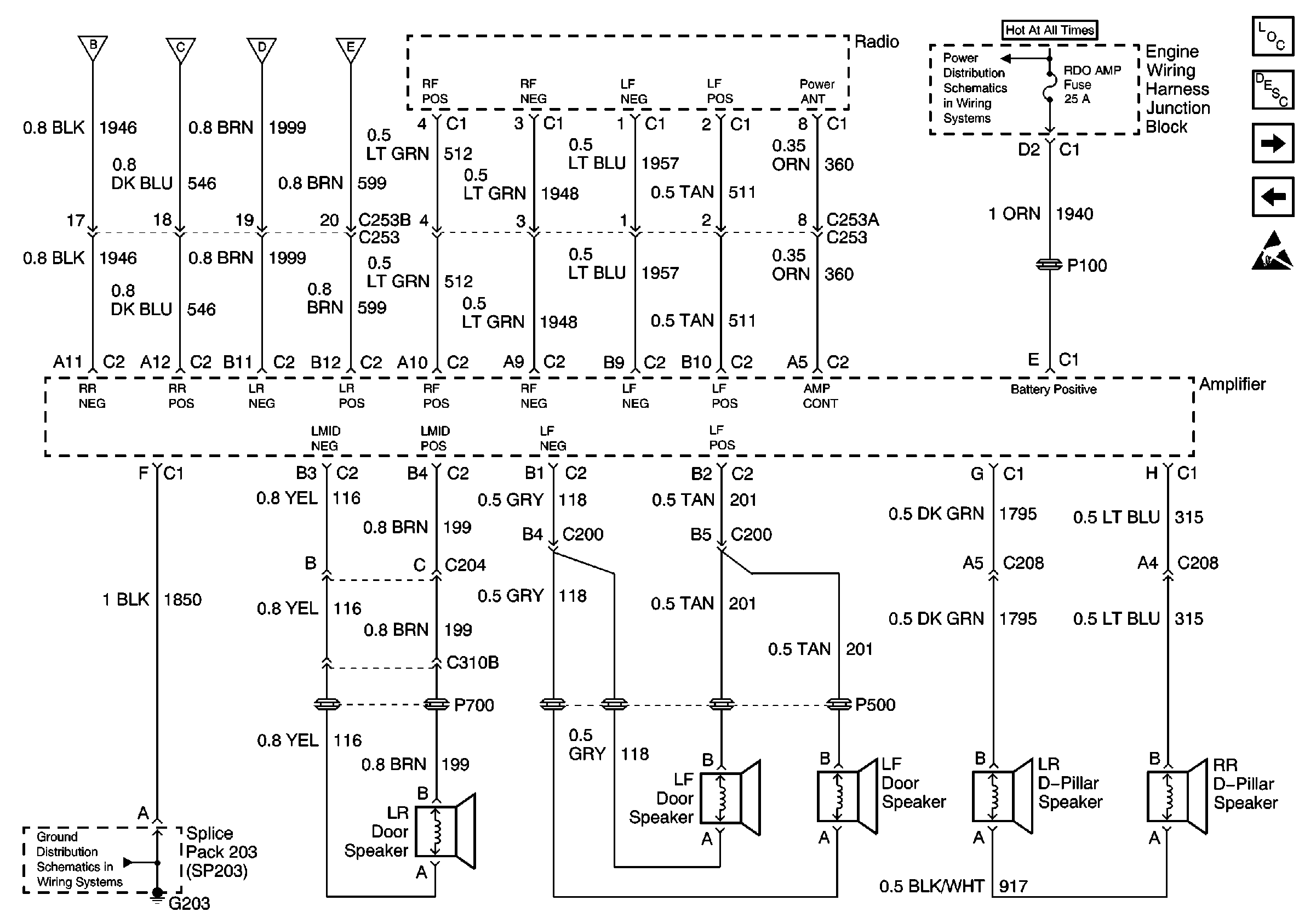
Figure 3:

PCM/VCM, BCM, IPC, VSS, Remote CD


Object Number: 522363  Size: FS
Radio Fuse, Door, Rear Speakers, G203
Handling ESD Sensitive Parts Notice
Entertainment Components
Radio/Audio System Circuit Description

Radio/Audio System Schematics Base Utilities

Figure 1:

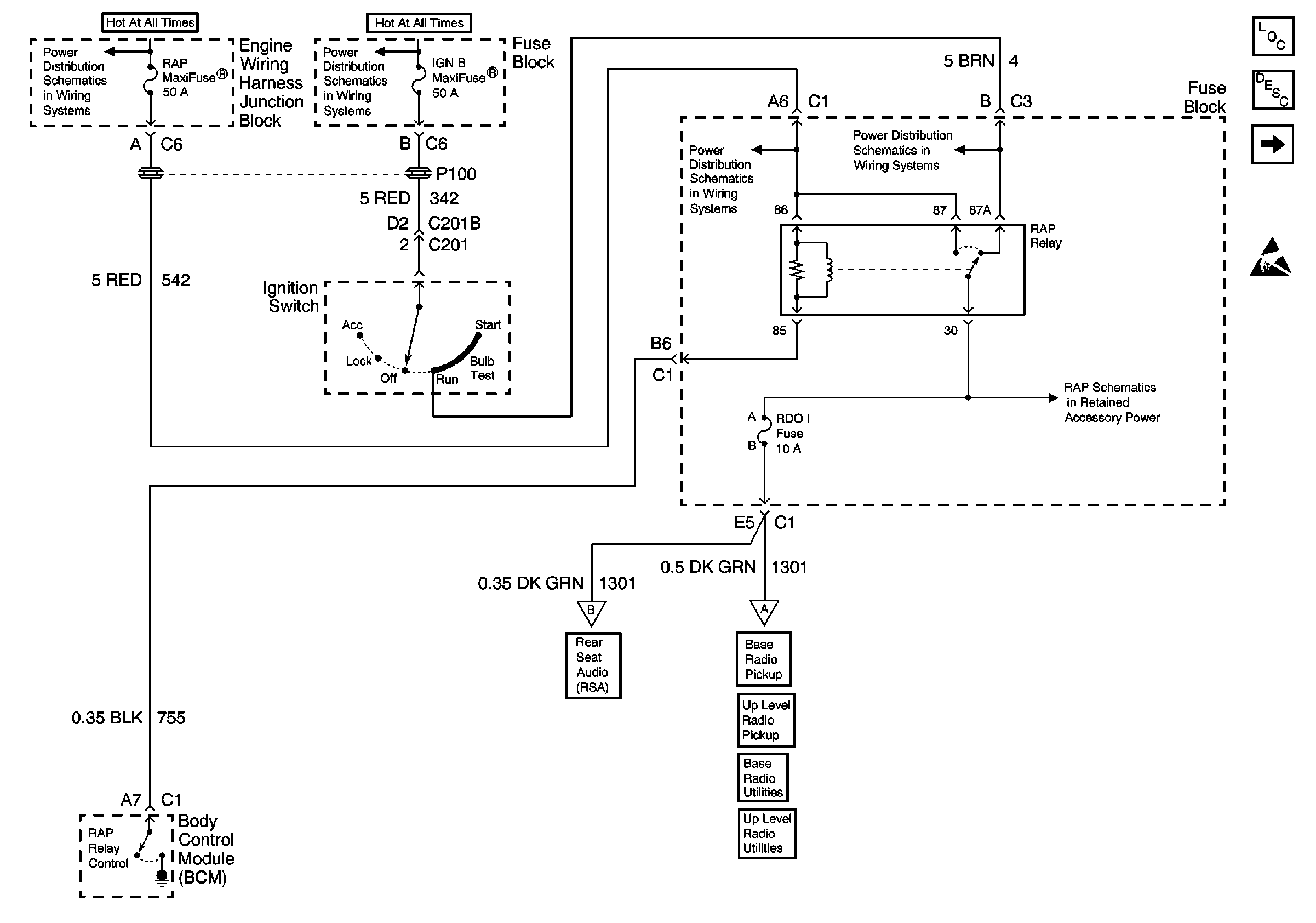
Rap Relay, Ignition Switch, BCM


Object Number: 522348  Size: FS
Power Distribution Schematics
Power Distribution Schematics
Power Distribution Schematics
Power Distribution Schematics
Retained Accessory Power (RAP) Schematics Pickup
Entertainment Components
Radio/Audio System Circuit Description
Handling ESD Sensitive Parts Notice
Radio Fuse, Door Speakers, G203
Radio Fuse, Door Speakers, G203
Figure 2:

Radio Fuse, Door Speakers, G203


Object Number: 522375  Size: FS
Entertainment Components
Radio/Audio System Circuit Description
Rap Relay, Ignition Switch, BCM
Handling ESD Sensitive Parts Notice
Interior Lights Dimming Schematics Pickup
Power Distribution Schematics
Instrument Cluster: Analog Schematics
Rap Relay, Ignition Switch, BCM
Ground Distribution Schematics
Ground Distribution Schematics

Radio/Audio System Schematics Uplevel Utilities

Figure 1:

Radio/Audio System Schematics


Object Number: 522348  Size: FS
Entertainment Components
Radio/Audio System Circuit Description
Handling ESD Sensitive Parts Notice
Power Distribution Schematics
Power Distribution Schematics
Power Distribution Schematics
Power Distribution Schematics
Power Window Schematics Utilities
Retained Accessory Power (RAP) Schematics Utilities
Radio Fuse, Power Amp, LH, D Pillar Speakers
Radio, Rear Seat Audio, Radio Fuse, Splice Pack 203
Figure 2:

Radio Fuse, Power Amp, LH, DPillar Speakers


Object Number: 522381  Size: FS
Instrument Cluster: Analog Schematics
Power Distribution Schematics
Entertainment Components
Radio/Audio System Circuit Description
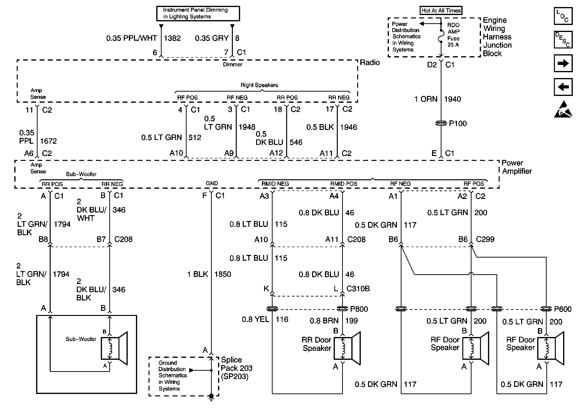
Radio Amp Fuse, RH Speakers, Utilities, Power Amp, G203
Handling ESD Sensitive Parts Notice
Radio/Audio System Schematics
Ground Distribution Schematics
Ground Distribution Schematics
Radio/Audio System Schematics
Radio/Audio System Schematics
Figure 3:

Radio Amp Fuse, RH Speakers, Utilities, Power Amp, G203


Object Number: 522389  Size: FS
Radio, Remote CD, Vehicle Interface Unit (On Star), PCM/VCM
Radio Fuse, Power Amp, LH, D Pillar Speakers
Entertainment Components
Radio/Audio System Circuit Description
Handling ESD Sensitive Parts Notice
Power Distribution Schematics
Interior Lights Dimming Schematics Pickup
Ground Distribution Schematics
Figure 4:

Radio, Remote CD, Vehicle Interface Unit (On Star), PCM/VCM


Object Number: 623004  Size: FS
Entertainment Components
Radio/Audio System Circuit Description
Handling ESD Sensitive Parts Notice
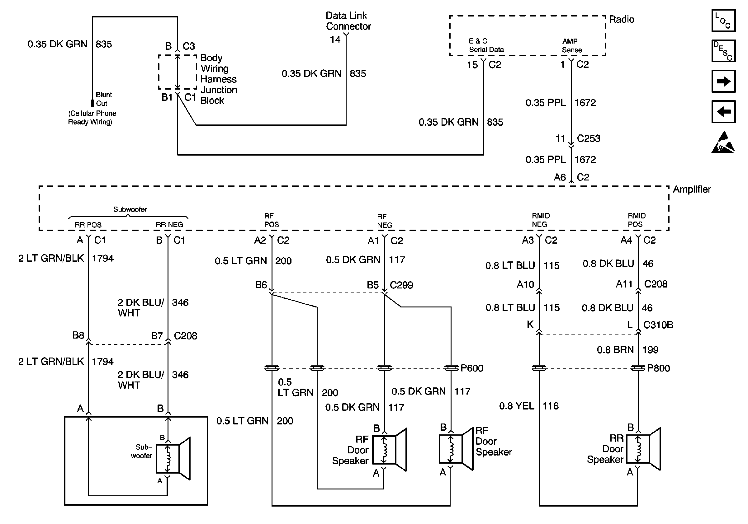
Radio, Amplifier, Right Front Door Speaker, Subwoofer
Radio Fuse, Power Amp, LH, D Pillar Speakers

Radio/Audio System Schematics Rear Seat Audio

Figure 1:

Radio/Audio System Schematics


Object Number: 522348  Size: FS
Entertainment Component Views
Radio/Audio System Circuit Description
Radio, Rear Seat Audio, Radio Fuse, Splice Pack 203
Handling ESD Sensitive Parts Notice
Power Distribution Schematics
Power Distribution Schematics
Power Distribution Schematics
Power Distribution Schematics
Retained Accessory Power (RAP) Schematics Pickup
Radio, Rear Seat Audio, Radio Fuse, Splice Pack 203
Radio, Rear Seat Audio, Radio Fuse, Splice Pack 203
Figure 2:

Radio, Rear Seat Audio, Radio Fuse, Splice Pack 203


Object Number: 623001  Size: FS
Entertainment Components
Radio/Audio System Circuit Description
Radio, Amplifier, Left Front Door Speaker, D Pillar Speaker
Radio/Audio System Schematics
Handling ESD Sensitive Parts Notice
Interior Lights Dimming Schematics Pickup
Instrument Cluster: Analog Schematics
Power Distribution Schematics
Ground Distribution Schematics
Ground Distribution Schematics
Radio, Amplifier, Left Front Door Speaker, D Pillar Speaker
Radio, Amplifier, Left Front Door Speaker, D Pillar Speaker
Radio, Amplifier, Left Front Door Speaker, D Pillar Speaker
Radio, Amplifier, Left Front Door Speaker, D Pillar Speaker
Radio/Audio System Schematics
Figure 3:

Radio, Amplifier, Left Front Door Speaker, D Pillar Speaker


Object Number: 623002  Size: FS
Entertainment Components
Radio/Audio System Circuit Description
Radio, Amplifier, Right Front Door Speaker, Subwoofer
Radio, Rear Seat Audio, Radio Fuse, Splice Pack 203
Handling ESD Sensitive Parts Notice
Power Distribution Schematics
Radio, Rear Seat Audio, Radio Fuse, Splice Pack 203
Radio, Rear Seat Audio, Radio Fuse, Splice Pack 203
Radio, Rear Seat Audio, Radio Fuse, Splice Pack 203
Radio, Rear Seat Audio, Radio Fuse, Splice Pack 203
Ground Distribution Schematics
Figure 4:

Radio, Amplifier, Right Front Door Speaker, Subwoofer


Object Number: 623003  Size: FS
Entertainment Components
Radio/Audio System Circuit Description
Radio, Remote CD, Vehicle Interface Unit (On Star), PCM/VCM
Radio, Amplifier, Left Front Door Speaker, D Pillar Speaker
Handling ESD Sensitive Parts Notice
Figure 5:

Radio, Remote CD, Vehicle Interface Unit (On Star), PCM/VCM


Object Number: 623004  Size: FS
Entertainment Components
Radio/Audio System Circuit Description
Handling ESD Sensitive Parts Notice
Radio, Amplifier, Right Front Door Speaker, Subwoofer
Radio Fuse, Power Amp, LH, D Pillar Speakers