GM Service Manual Online
For 1990-2009 cars only

Automatic Day-Night Mirrors Schematics Pickup Only

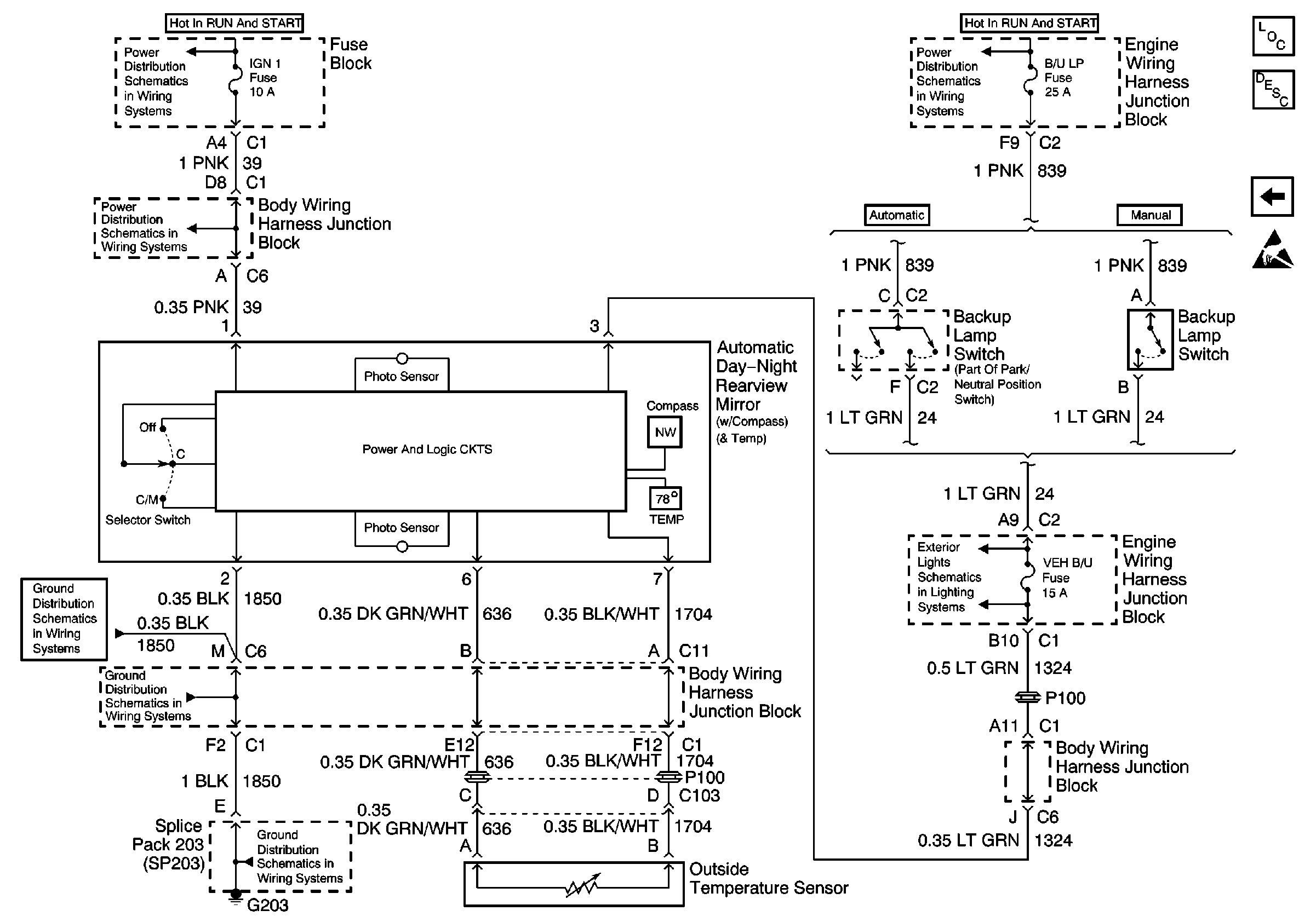
Figure 1:

Automatic Day Night Mirror W/Compass


Object Number: 512766  Size: FS
Stationary Windows Components
Automatic Day-Night Mirrors Circuit Description
Automatic Day-Night Mirror With Compass and Outside Temperature
Handling ESD Sensitive Parts Notice
Exterior Lights Schematics
Power Distribution Schematics
Power Distribution Schematics
Power Distribution Schematics
Ground Distribution Schematics
Ground Distribution Schematics
Ground Distribution Schematics
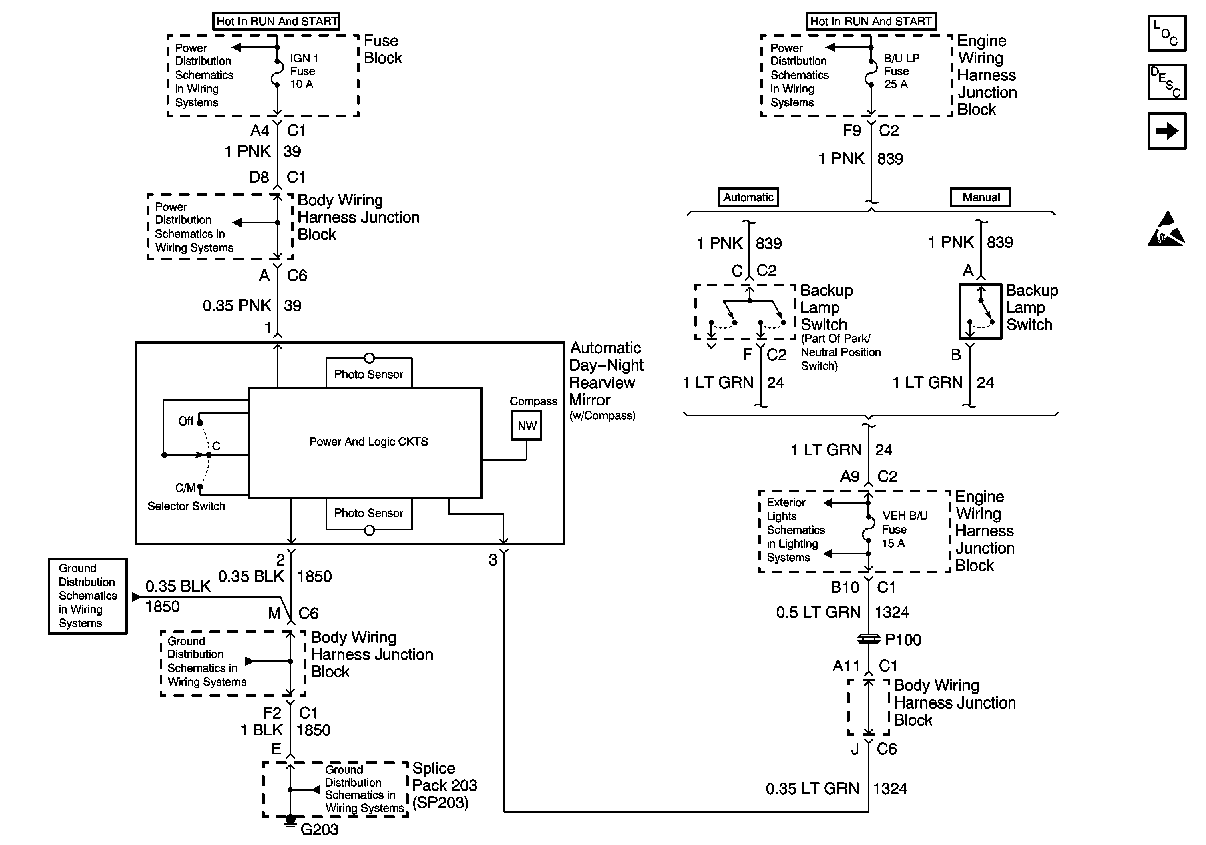
Figure 2:

Automatic Day-Night Mirror With Compass and Outside Temperature


Object Number: 513354  Size: FS
Stationary Windows Components
Automatic Day-Night Mirrors Circuit Description
Automatic Day Night Mirror W/Compass
Handling ESD Sensitive Parts Notice
Power Distribution Schematics
Power Distribution Schematics
Power Distribution Schematics
Ground Distribution Schematics
Ground Distribution Schematics
Ground Distribution Schematics
Exterior Lights Schematics

Automatic Day-Night Mirrors Schematics Utilities

Figure 1:

Automatic Day-Night Mirror W/Compass


Object Number: 533374  Size: FS
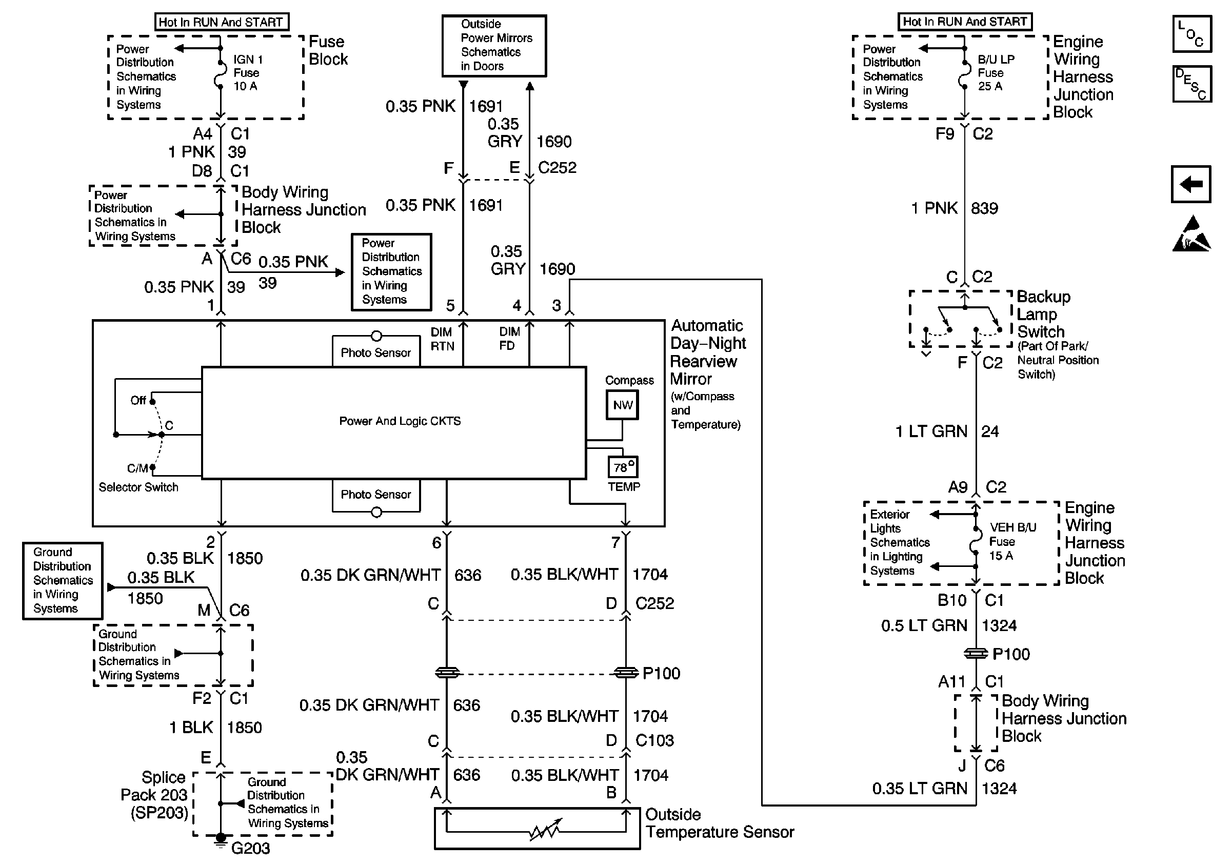
Figure 2:

Automatic Day-Night Mirror W/Compass and Outside Temp


Object Number: 533377  Size: FS