GM Service Manual Online
For 1990-2009 cars only
Makes
🢒
Chevrolet
🢒
2000
🢒
Chevy C Silverado - 2WD
🢒
Body and Accessories
🢒
Doors
🢒 Outside Rearview Mirror Schematics
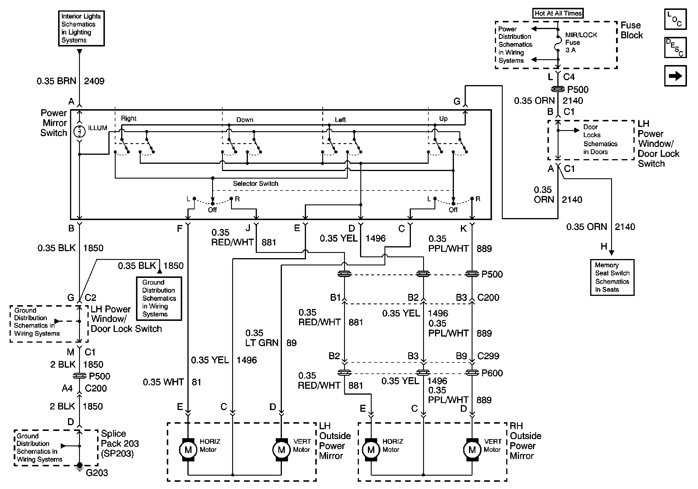
Figure
1:
Power Mirror Switch, Motors & Ground
Power Door Systems Components
Outside Mirrors Circuit Description
RR Defog Relay, Mirror Heaters & Ground
Interior Lights Schematics Base Pickup
Ground Distribution Schematics
Ground Distribution Schematics
Ground Distribution Schematics
Power Distribution Schematics
Door Lock/Indicator Schematics Base Pickup
Figure
2:
RR Defog Relay, Mirror Heaters & Ground
Power Door Systems Components
Outside Mirrors Circuit Description
Power Mirror Switch, Motors & Ground
Handling ESD Sensitive Parts Notice
Ground Distribution Schematics
Ground Distribution Schematics
Ground Distribution Schematics
Ground Distribution Schematics
Ground Distribution Schematics
Ground Distribution Schematics
Defogger Schematics Pick-up