GM Service Manual Online
For 1990-2009 cars only

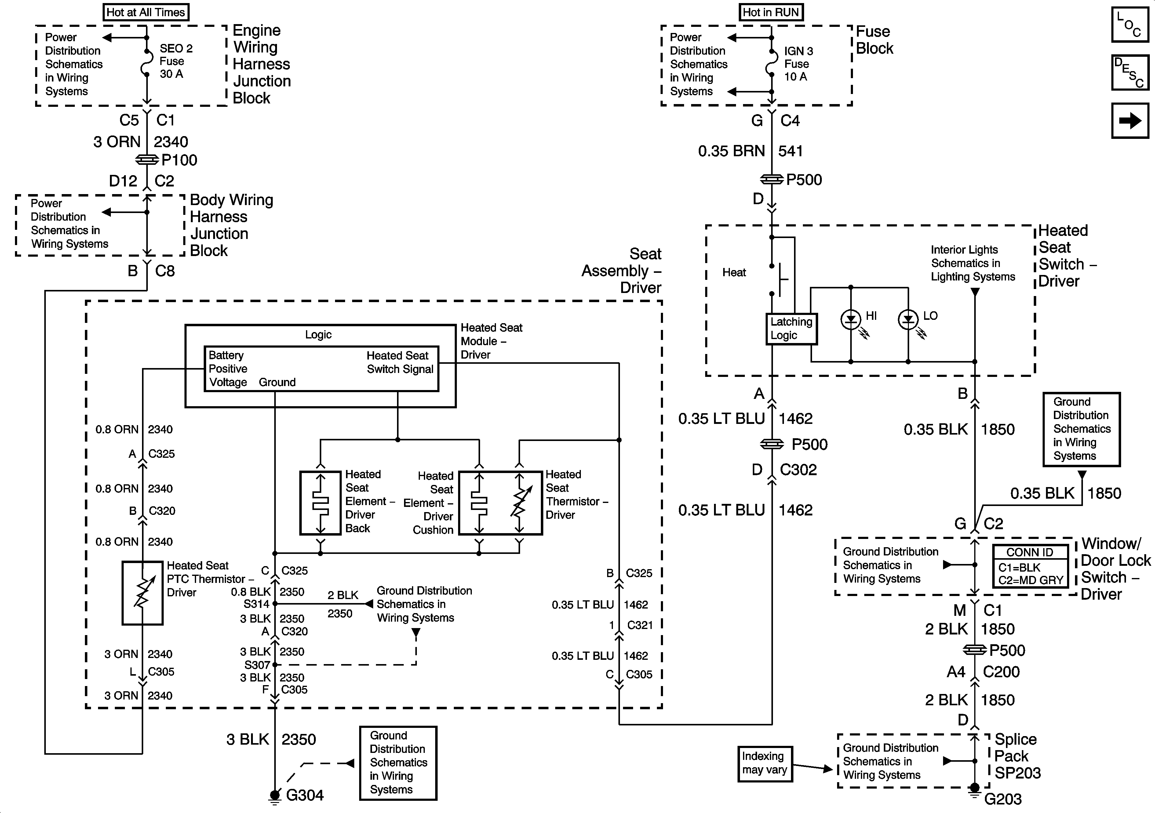
Heated Seats Schematics Pickup

Figure 1:

Driver


Object Number: 1449147  Size: FS
Power Seat Systems Components
Heated Seats Circuit Description
Front Passenger
Engine Wiring Harness Junction Block
ABS, Suspension Control Module, HVAC
Rear Window Wiper, ATC, Rear HVAC Blower
Parklamp Relay, LF Power Window/Door Lock Switch, BCM, G203
SP203, BCM, Fuse Block
SP203, BCM, Fuse Block
G302, G304, Full Feature Seat
G302, G304, Full Feature Seat
SP203, BCM, Fuse Block
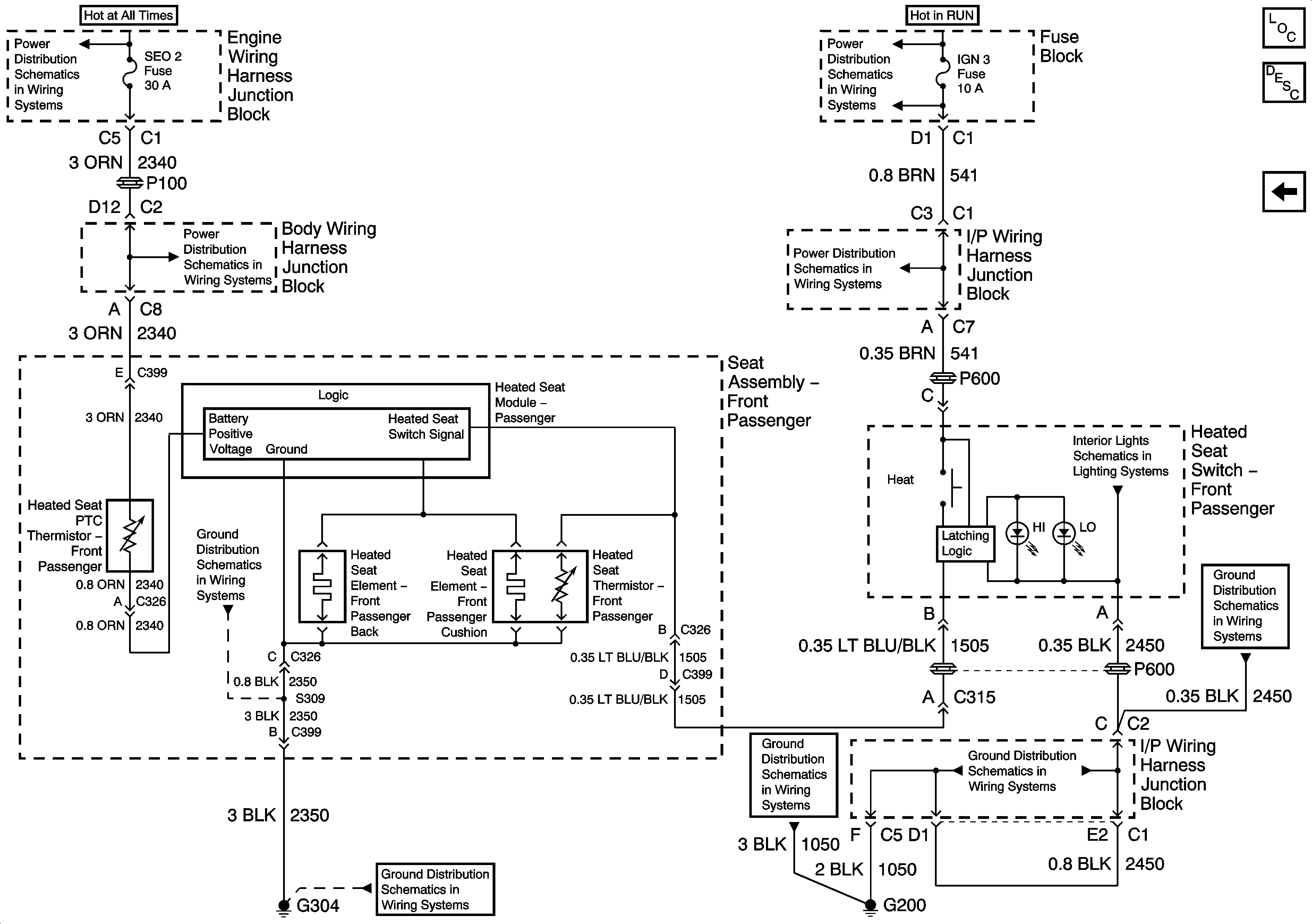
Figure 2:

Front Passenger


Object Number: 1449149  Size: FS
Power Seat Systems Components
Heated Seats Circuit Description
Driver
Engine Wiring Harness Junction Block
ABS, Suspension Control Module, HVAC
Rear Window Wiper, ATC, Rear HVAC Blower
ABS, Suspension Control Module, HVAC
Door Jamb Switch, G200, G203, RF Power Window/Door Lock Switch
Power Window/Door Lock Switch, HVAC
G302, G304, Full Feature Seat
Power Window/Door Lock Switch, HVAC
Power Window/Door Lock Switch, HVAC
G302, G304, Full Feature Seat

Heated Seats Schematics Utility

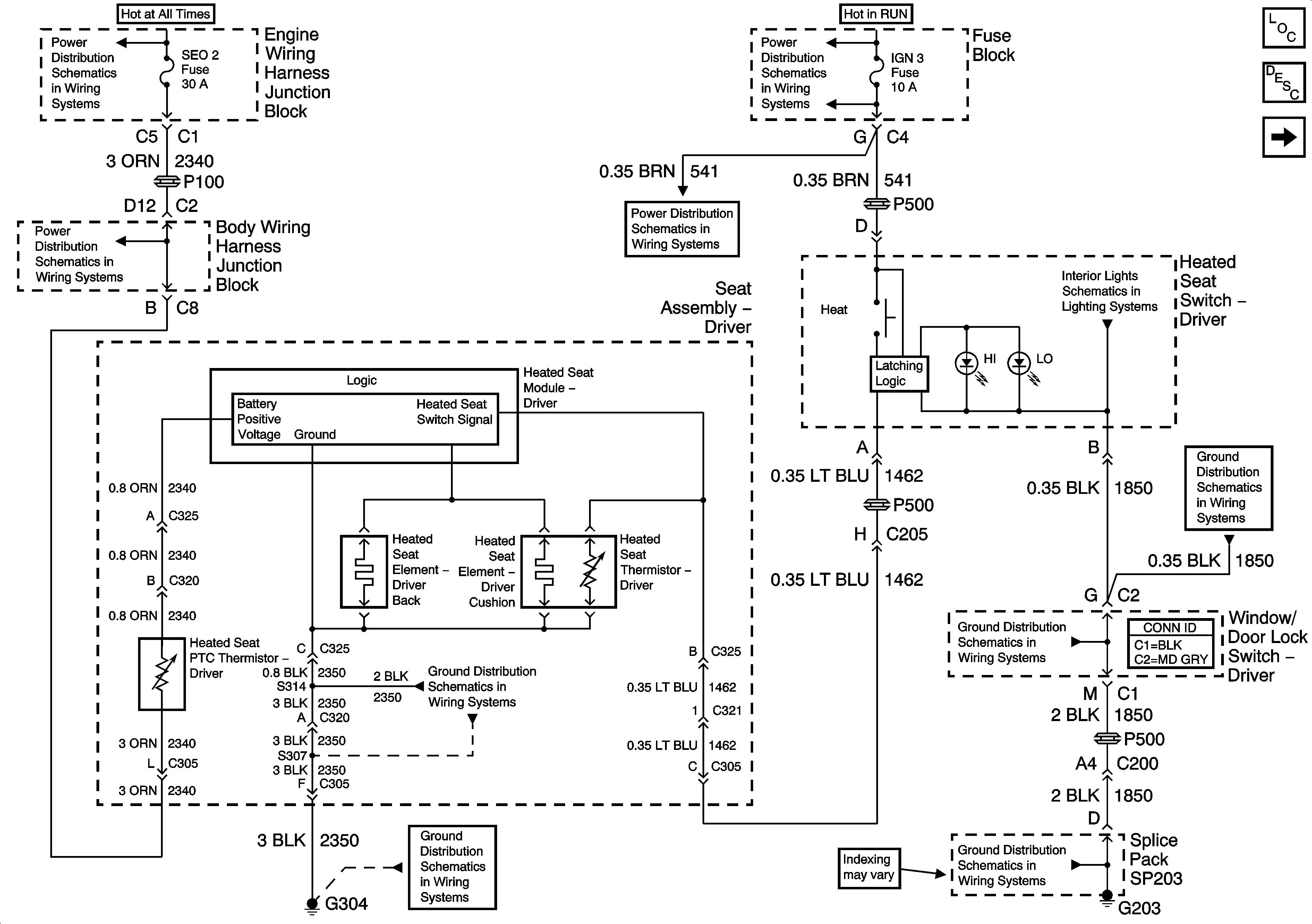
Figure 1:

Driver


Object Number: 1449150  Size: FS
Power Seat Systems Components
Heated Seats Circuit Description
Front Passenger
Engine Wiring Harness Junction Block
ABS, Suspension Control Module, HVAC
Rear Window Wiper, ATC, Rear HVAC Blower
ABS, Suspension Control Module, HVAC
BCM Parklamp Relay, G203, LF Power Window/Door Lock Switch
SP203, BCM, Fuse Block
G302, G304, Full Feature Seat
SP203, BCM, Fuse Block
G302, G304, Full Feature Seat
SP203, BCM, Fuse Block
Figure 2:

Front Passenger


Object Number: 1449151  Size: FS
Power Seat Systems Components
Heated Seats Circuit Description
Driver
Engine Wiring Harness Junction Block
ABS, Suspension Control Module, HVAC
Rear Window Wiper, ATC, Rear HVAC Blower
ABS, Suspension Control Module, HVAC
Rear Power Window Switches, G200, G305, G306
G302, G304, Full Feature Seat
Power Window/Door Lock Switch, HVAC
G302, G304, Full Feature Seat
Power Window/Door Lock Switch, HVAC
Power Window/Door Lock Switch, HVAC