GM Service Manual Online
For 1990-2009 cars only
Makes
🢒
Chevrolet
🢒
2000
🢒
Chevy C Silverado - 2WD
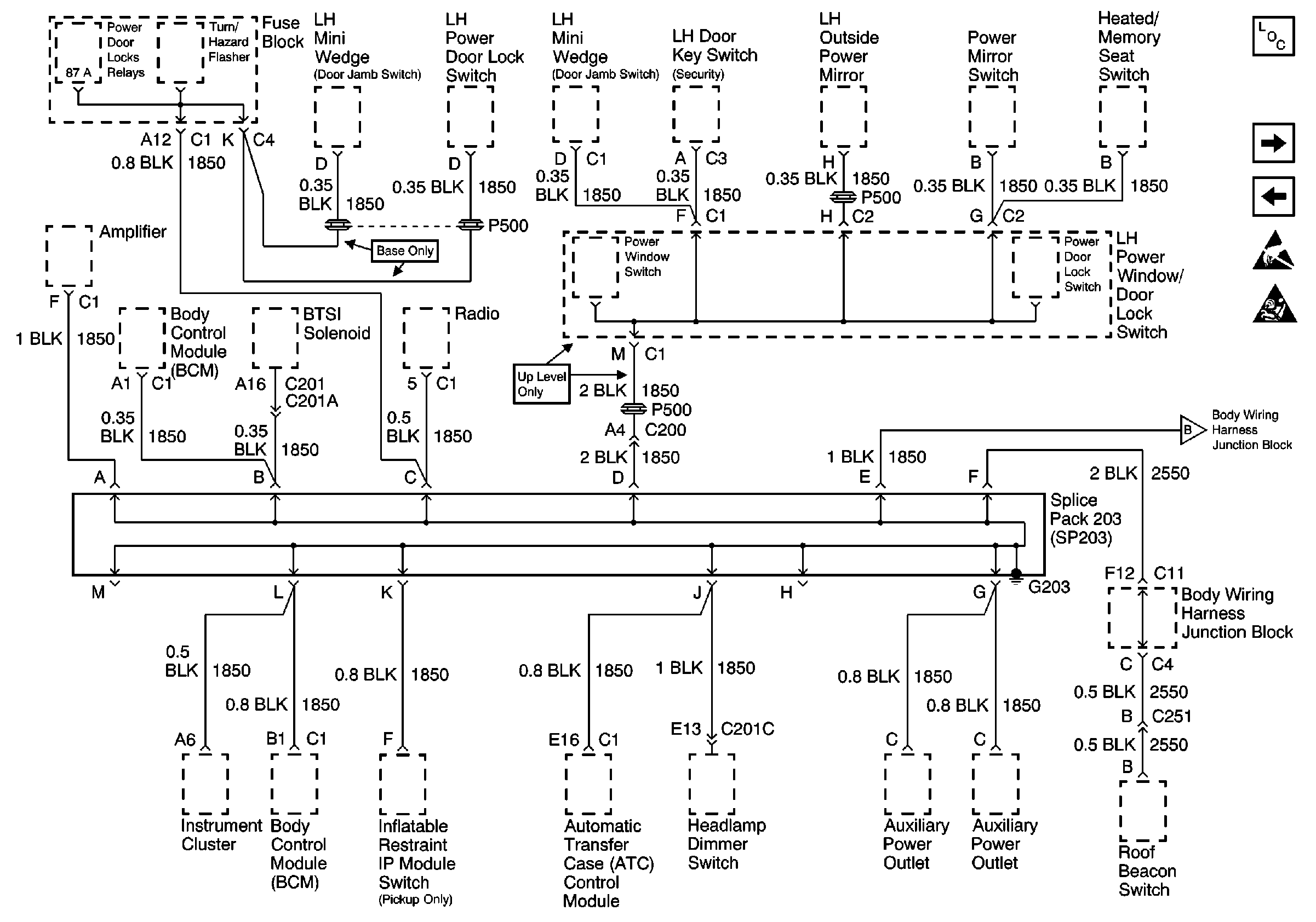
🢒 SP203, BCM, Fuse Block
SP203, BCM, Fuse Block
SP203, BCM, Fuse Block
Power and Grounding Components
S303,VSE Switch, Suspension Switch
G104, S102, S104, HO2S
Handling ESD Sensitive Parts Notice
SIR Handling Caution
Mode Door Motors, DLC, Tow/Haul Switch