GM Service Manual Online
For 1990-2009 cars only
Makes
🢒
Chevrolet
🢒
2000
🢒
Chevy C Silverado - 2WD
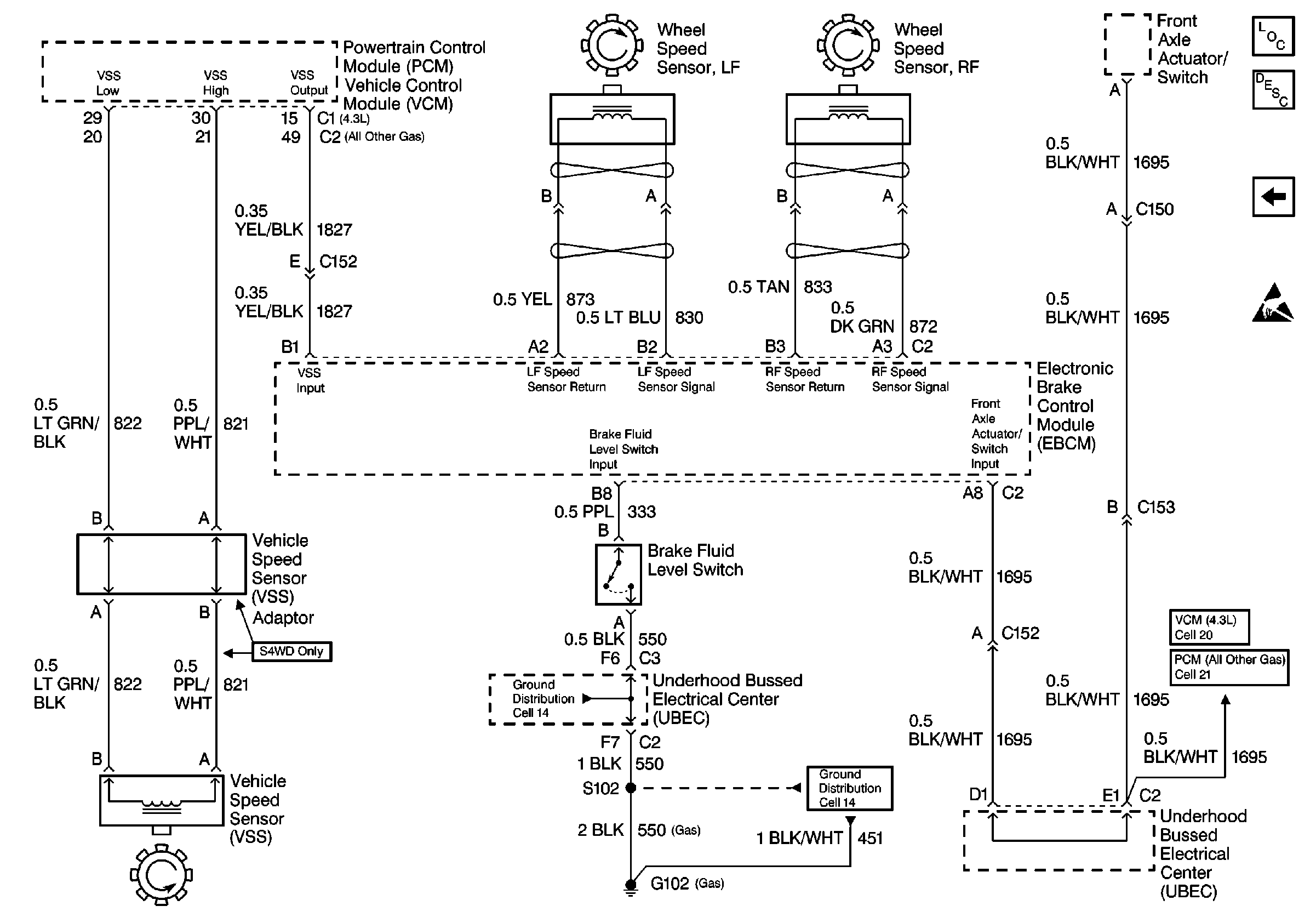
🢒 Cell 44: Front Axle Actuator Switch, Wheel Speed Sensor LF
Cell 44: Front Axle Actuator Switch, Wheel Speed Sensor LF
Cell 44: Front Axle Actuator Switch, Wheel Speed Sensor LF
ABS Components
ABS Description
Cell 44: Left Bussed Electrical Center, Splice Pack SP205
Handling ESD Sensitive Parts Notice
Cell 14: Underhood Bussed Electrical Center, Windshield Wiper Motor
Cell 20: G102, G104, Generator
Cell 21: G102, G104, Cruise Control Module
Cell 14: Vehicle Control Module, S103, G102