GM Service Manual Online
For 1990-2009 cars only
Makes
🢒
Chevrolet
🢒
2000
🢒
Chevy C Silverado - 2WD
🢒 Cell 44: Left Bussed Electrical Center, Splice Pack SP205
Cell 44: Left Bussed Electrical Center, Splice Pack SP205
Cell 44: Left Bussed Electrical Center, Splice Pack SP205
ABS Components
ABS Description
Cell 44: Front Axle Actuator Switch, Wheel Speed Sensor LF
Handling ESD Sensitive Parts Notice
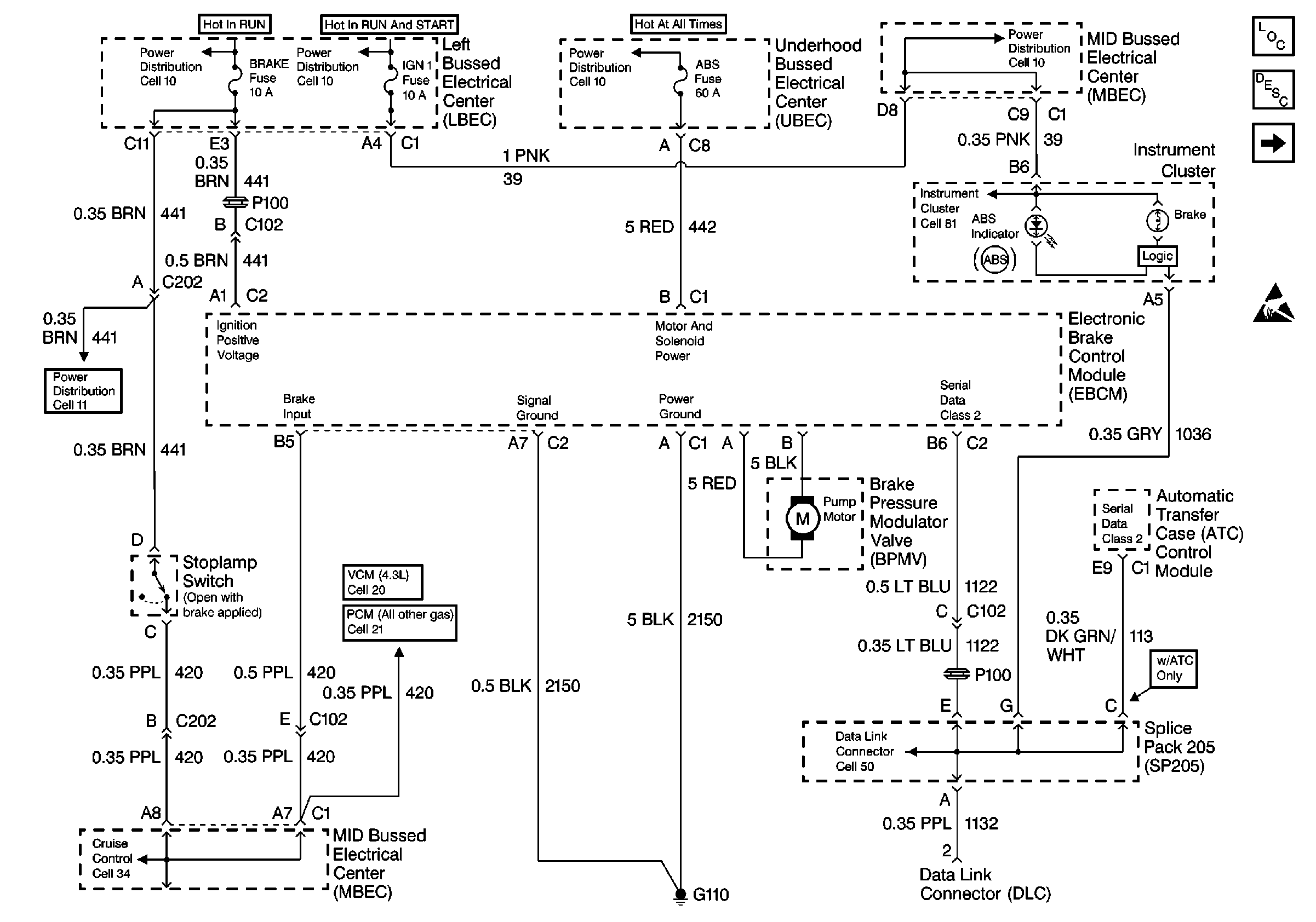
Cell 10: Left Bussed Electrical Center, Electronic Brake Control Module
Cell 10: Underhood Bussed Electrical Center, Electronic Brake Control ModuLe
Cell 10: Underhood Bussed Electrical Center, Electronic Brake Control ModuLe
Cell 10: A/C Compressor Relay, Auxiliary Power Outlet
Cell 81: Left Bussed Electrical Center, Splice Pack SP205, Splice PackSP203
Cell 10: Left Bussed Electrical Center, Electronic Brake Control Module
Cell 20: Left Bussed Electrical Center, Automatic Transmission
Cell 21: Clutch Position Switch, Electronic Brake Control Module
Cell 34: Underhood Bussed Electrical Center, Powertrain Control Module
Cell 50