GM Service Manual Online
For 1990-2009 cars only
Makes
🢒
Chevrolet
🢒
2000
🢒
Chevy C Silverado - 2WD
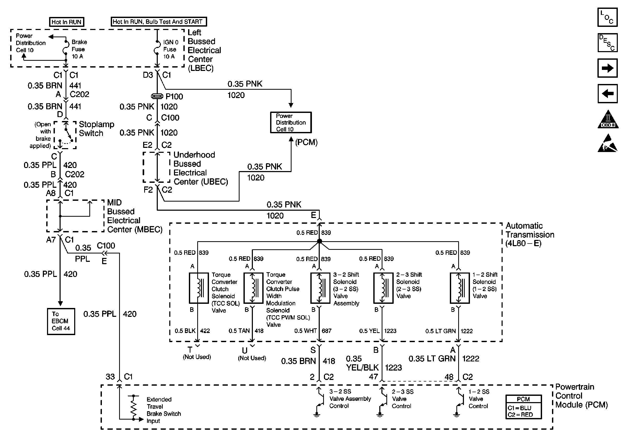
🢒 Cell 21: Stoplamp Switch, Transmission Controls (4L80-E)
Cell 21: Stoplamp Switch, Transmission Controls (4L80-E)
Cell 21: Stoplamp Switch, Transmission Controls (4L80-E)
Engine Controls Components
Powertrain Control Module Description
Cell 21: Stoplamp Switch, Transmission Controls (4L60-E)
Cell 21: Stoplamp/CPP Switches
OBD II Symbol Description Notice
Handling ESD Sensitive Parts Notice
Cell 10: Left Bussed Electrical Center, Electronic Brake Control Module
Power Distribution Schematics
Cell 44: Left Bussed Electrical Center, Splice Pack SP205