GM Service Manual Online
For 1990-2009 cars only
Makes
🢒
Chevrolet
🢒
2000
🢒
Chevy C Silverado - 2WD
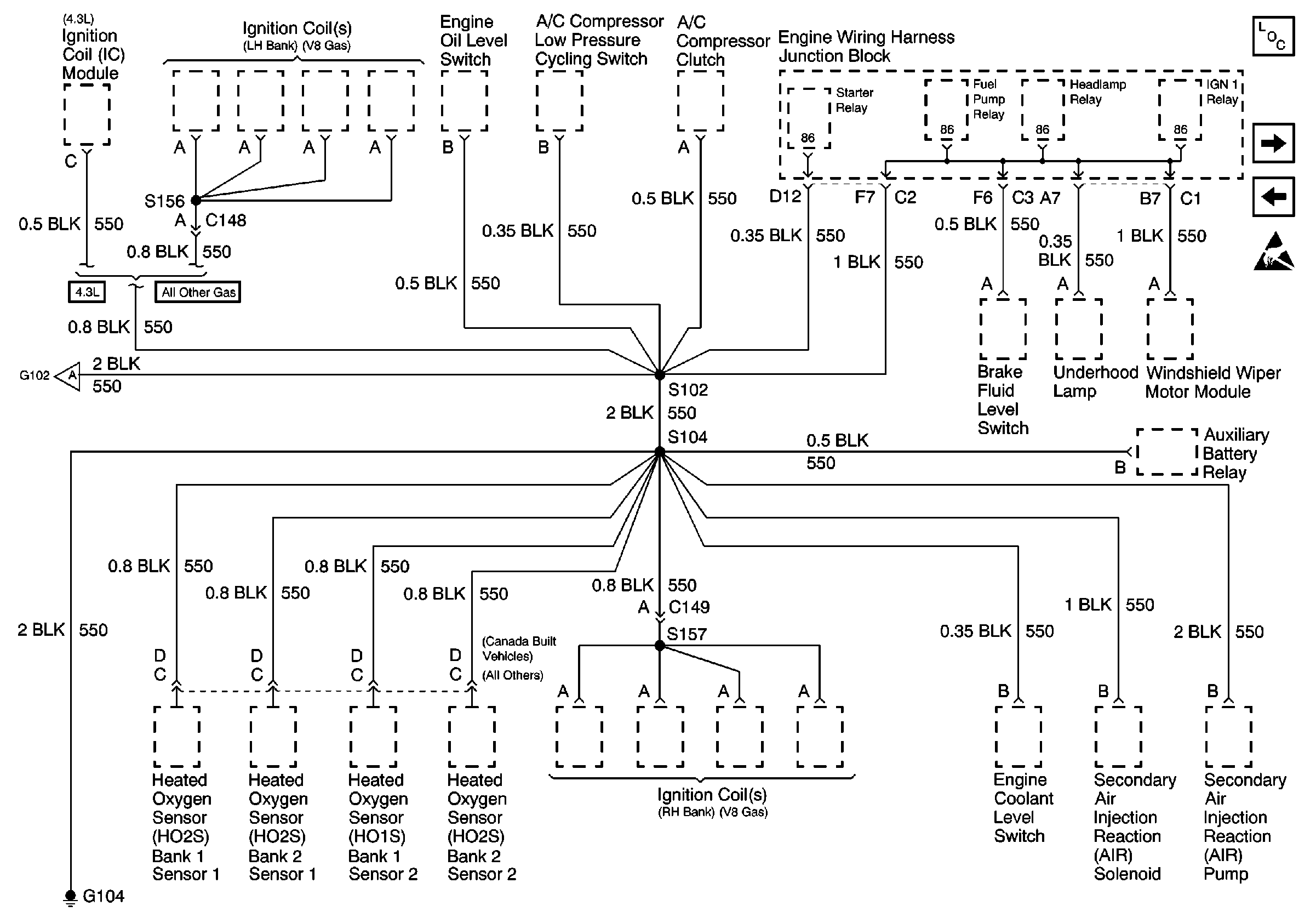
🢒 G104, S102, S104, HO2S
G104, S102, S104, HO2S
G104, S102, S104, HO2S
Power and Grounding Components
SP203, BCM, Fuse Block
VCM/PCM, G102, G103, DLC
Handling ESD Sensitive Parts Notice
VCM/PCM, G102, G103, DLC