GM Service Manual Online
For 1990-2009 cars only
Makes
🢒
Chevrolet
🢒
2000
🢒
Chevy C Silverado - 2WD
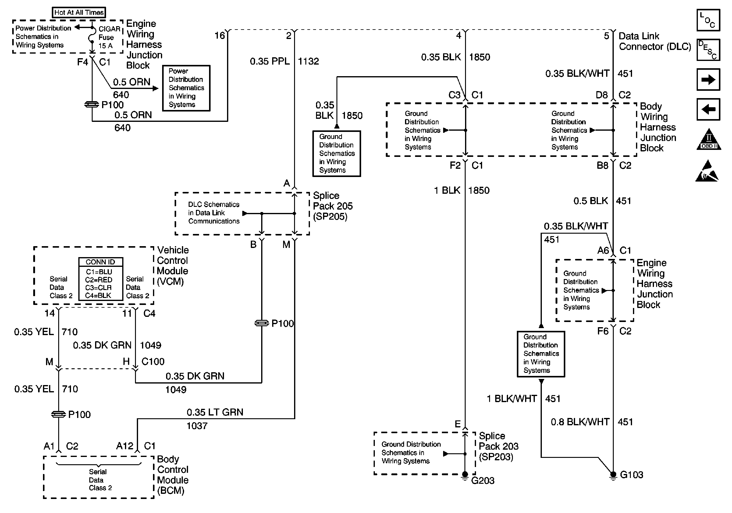
🢒 DLC, CIGAR Fuse, G103, G203, BCM, VCM
DLC, CIGAR Fuse, G103, G203, BCM, VCM
DLC, CIGAR Fuse, G103, G203, BCM, VCM
Power Distribution Schematics
Power Distribution Schematics
Ground Distribution Schematics
Data Link Connector Schematics
Ground Distribution Schematics
Ground Distribution Schematics
Ground Distribution Schematics
Ground Distribution Schematics
Ground Distribution Schematics
Engine Controls Components
Evaporative Emission Control System Operation Description Enhanced
ENG1, INJ B, INJ A Fuses, ICM, CKP, CMP, IPC
VCM,ECMB,ECM1 and IGN1 Fuses, IPC, G103
OBD II Symbol Description Notice
Handling ESD Sensitive Parts Notice