GM Service Manual Online
For 1990-2009 cars only
Makes
🢒
Chevrolet
🢒
2000
🢒
Chevy C Silverado - 2WD
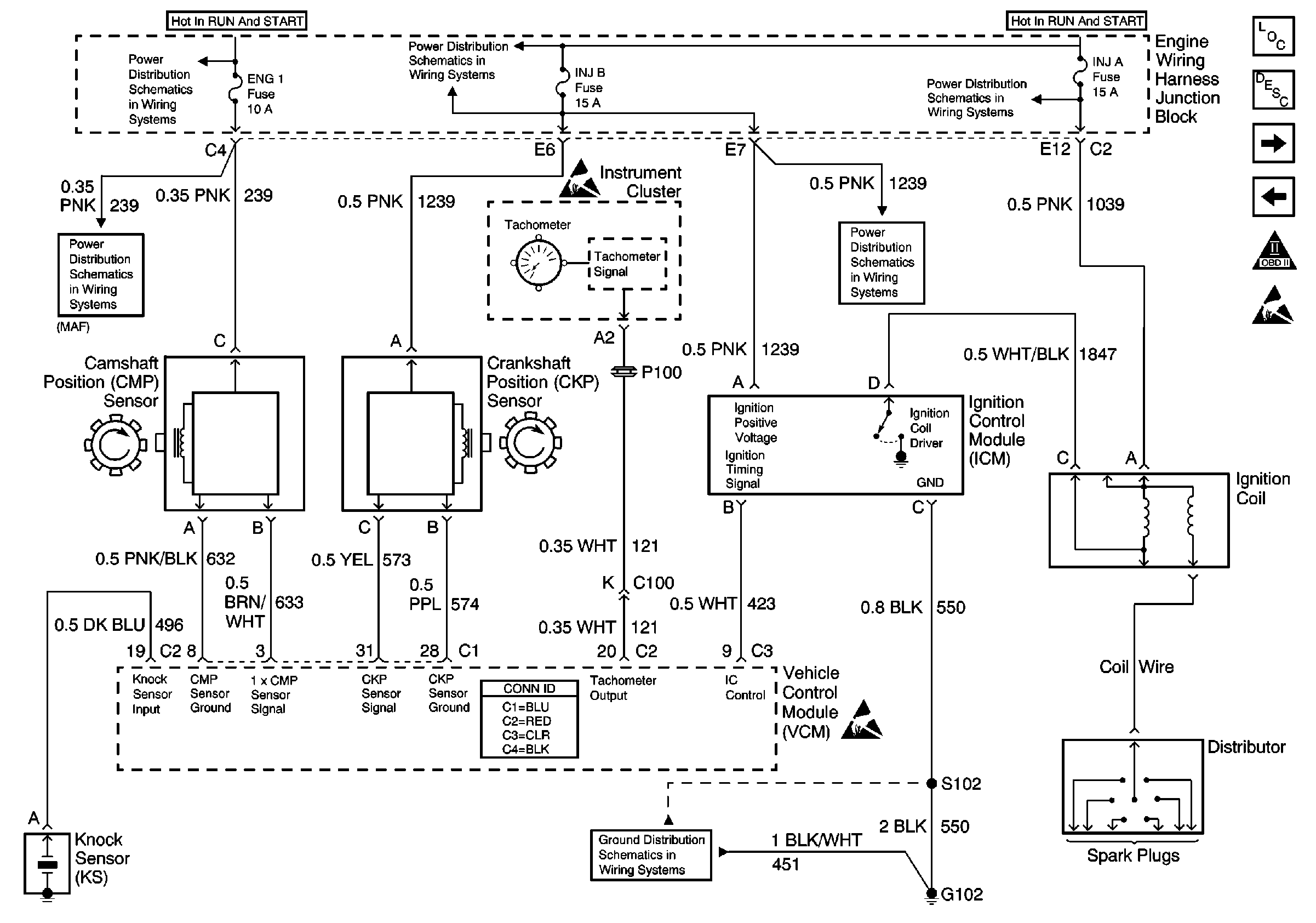
🢒 ENG1, INJ B, INJ A Fuses, ICM, CKP, CMP, IPC
ENG1, INJ B, INJ A Fuses, ICM, CKP, CMP, IPC
ENG1, INJ B, INJ A Fuses, ICM, CKP, CMP, IPC
Power Distribution Schematics
Power Distribution Schematics
Handling ESD Sensitive Parts Notice
Power Distribution Schematics
Power Distribution Schematics
Ground Distribution Schematics
Handling ESD Sensitive Parts Notice
Engine Controls Components
Evaporative Emission Control System Operation Description Enhanced
Fuel Injectors, VCM, INJ A, INJ B Fuses
DLC, CIGAR Fuse, G103, G203, BCM, VCM
OBD II Symbol Description Notice
Handling ESD Sensitive Parts Notice