GM Service Manual Online
For 1990-2009 cars only
Makes
🢒
Chevrolet
🢒
2000
🢒
Chevy C Silverado - 2WD
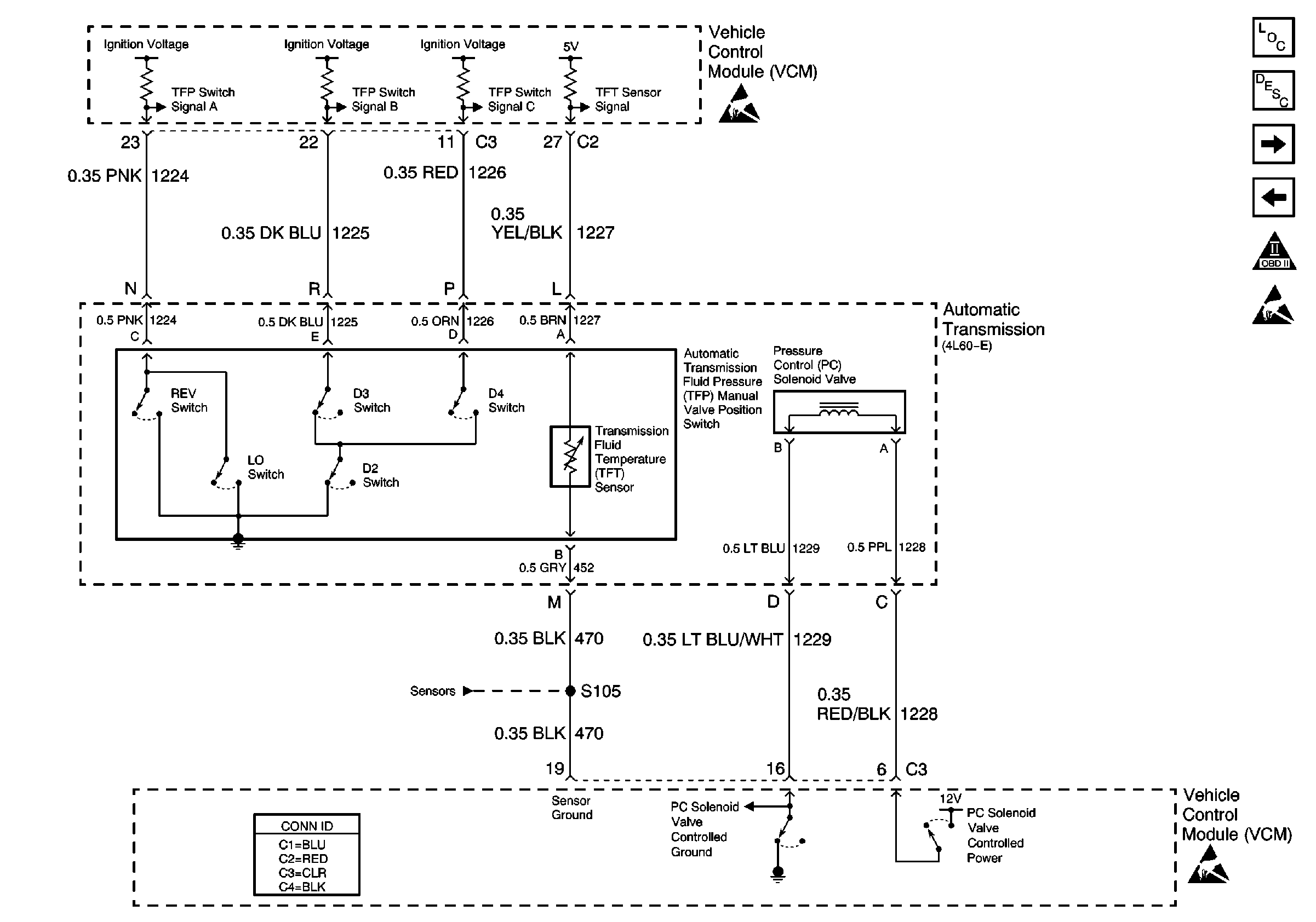
🢒 Auto Trans Switches, TFT Sensor, PC SOL Valve
Auto Trans Switches, TFT Sensor, PC SOL Valve
Auto Trans Switches, TFT Sensor, PC SOL Valve
Handling ESD Sensitive Parts Notice
Handling ESD Sensitive Parts Notice
Handling ESD Sensitive Parts Notice
OBD II Symbol Description Notice
Engine Controls Components
Evaporative Emission Control System Operation Description Enhanced
Tow/Haul Switch, BCM, Park/Neutral Switch
CPP Switch, Stoplamp Switch, Auto Trans Solenoids